PIC16(L)F18326,46 Datasheet by Microchip Technology
6‘
MICRDCHIP


[[[EEEE
_|:|:|:|:|:|:|:|:|:J
U
[[[EEEEEEE
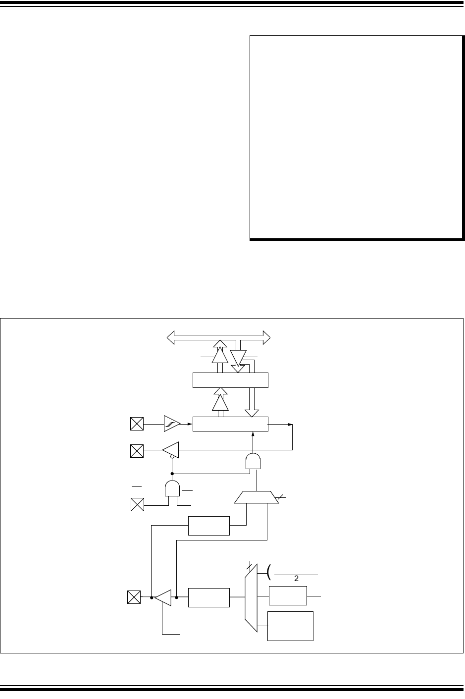
MCLR
MCLR






MCLRE—>









Crs
Xxgxigmxgxxg
emndary Osmllamr
xx
sco\
xxx A|



C
N
v
w
T
5.2:: 5....
ESE; 5....
5.2:: 5:...
£25: 5:...
5.2:: 5:...
£25: 5:...
5.2:: 5:...
£25: 5:...
5.2:: 5....
ESE; 5....
5.2:: 5:...
£25: 5:...
5.2:: 5:...
£25: 5:...
5.2:: 5:...
£25: 5:...
$25: 5....
ESE; 5....
C C
N N
v v
s s
3 5
T T
2.2:: 5....
ESE; 5....
5.2:: 5....
ESE; 5....
$25: 5:...
ESE; 5:...
5.2:: 5:...
£25: 5:...
5.2:: 5:...
£25: 5:...
$25: 5:...
£25: 5:...
5.2:: 5:...
£25: 5:...
ESEIEBE
525.359....
5.2:: 5:...
£25: 5:...
5.2:: 5:...
£25: 5:...
$25: 5:...
ESE; 5:...
5.2:: 5....
ESE; 5....
5.2:: 5....
ESE; 5....
$25: 5....
ESE; 5....
5.2:: 5....
ESE; 5....

\ /‘
EFT
mm

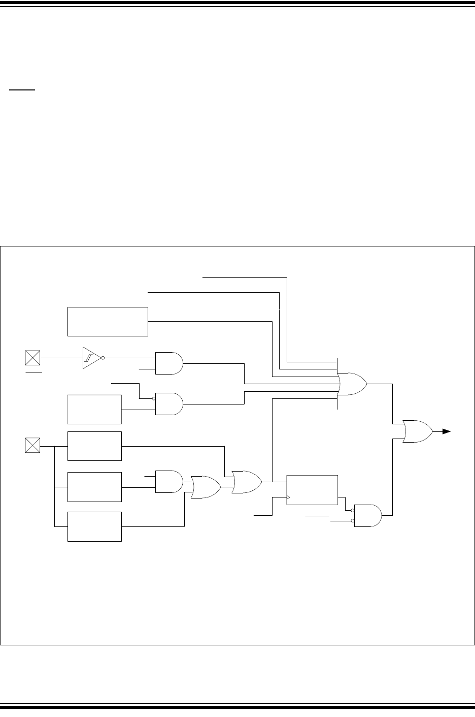
If FEXTOSC : EC HS HT or LP men ‘his bi‘ is iunored mherwise.

LVP‘“





MCLR

[1)
If BOREN <1.0> in Configurafion Words 7 DH
lf BOREN <1.0> in Configurafion Words : 21
1.0>1.0>

X7 Externa‘
Oscn \amr
X7 (EXTOSC)
CLKOUT
4x m Mode
cosc 2.0
soscw/sosm <>
X7 Secondary m Block
OscIHamr
X7 (8086) 1 u
sosco on
r 777777777777777 7 w 0 l D
‘ LFINTOSC ;
1 ‘ 1CD
‘ 31tz ‘ h
1 Osmuamr ‘ i“
L 1 1 10
0CD
011
1’ 77777 H ENTHSEWWW
‘ ‘
1 HFFRO<2 0=""> }
‘ x w
‘ ‘
‘ 1 7 32 MHZ ‘
1 Osmuamr ‘
‘ ‘
‘ ‘
2>





“11 m m) cm“) (A) m cm“)
20>“) ‘ OJ“)
m Rfllqm m Rq/qm Rq/qm m Rq/qm
If SOSCBE : 0
If SOSCBE : 1





HTMRHF) P|R1<0>
'(TMRHE) P|E1 }
I O
Fan<7> :‘:\\
7>0>







[1)

F
% F

35;? III IIIIIII III III III III III III III III III III
H'IW‘I‘I‘I'I‘I'I‘I‘I'I‘I
Jimimimimimimiflimmmiflim
_fli Hi W H1 H1 ME H1 ME H1 H1 Hi Hi FL
m
(DU am
I ‘ I I I
‘ I I I I I I I I
"W” a 0 6&0”-
I I
I
I
. W“
I ‘ I t I I I I
I I I I
I
I
I 04::
I m I: 1 w w
WFFHFFFIFH







11)
IfWDTE<10> : 1x.
If WDTE<1 0=""> 01.
IfWDTE<10> , OD.
10>1>10>


\\\\\\\\\
\\\\\\\\\


F
14 l
Wme Latch #31 I
WFh
|
|
L _____ _ J
Boouh - Buuan [mosh -BUUEh 800m , BUUAn BODBh - aan I
USER \DOVS
DEV‘CE \D Conflgumhan
Dev / Rev Wards I
\_






Wnle LATx
Wme PDRTx
Ihal pm.
musl be imtialized m ‘0' b user soflware.
RAW)
|I\|V

PUASW



|I\ IV




ihai
in.
musi be initialized i0 ‘0' b user soflware.
RC7“J
[1)
|I\ IV
In IV
[1)
506‘“
71H m
ANsc7“)
ANsce‘”
(1)
wpuce‘“
ODCC7‘“
06(1)
[1)
R06“)
“’ INLVLC6“)

W H



RBAPPS
RBSPPS
RBGPPS
RB7PPS
RCGPPS
RC7PPS











7m
Ioccps‘“
(1)
\OCCNe“)
7(1) 5(1)
ANsc7‘” ANsce‘”
IOCBP‘”
IOCBN‘”
IOCBF‘”
IOCCWW Ioccpem
IOCCN7‘” IOCCNG‘”
IOCC IOCCF6

[1)
TSENW




4L
T
if



(:va I
‘ ,/
(:va + u_ A
, (:st Cvas
CxlNo~ xi
DACiomputi
FVRibufleQi
CXPCH<2 u)="" 42—]="">2>


If CXPOL : 1 inverted go‘arily .
IfoPOL : U noninverted go‘arily .


TTT
iii
TTT
iii

cwg dataA f\_ 4,
\ A}
O /
L
x ’
cwg data 7
, cwgda|aE ‘fir \_ ’7 1 F
cwex DA 7 \
\NPUT fl 7’
AL
EN A
snumoww
REN
sHumowN *


T

pm

m Cm B121 Am



SB“)
ANSELB“)
7m em
ANSC7m ANsce“)














:







TR‘SB‘”
TRISC7‘1) TR‘SCem
ANSELBW
ANSC7W ANsceW

DDSINCU DDSINCH DDS‘NCL ‘
INCBUFU‘” INCBUFH‘” INCEUFU"


F211
DU
W “E





SB
ANSC7
ANSC6




HHHIIIIIII | IIIIHHHHH$I HHIIIIIIIH \
\\ / \\ // \\ //
\ / \ \
\ / \ / \ /




Tm

>m
11D


When T016BIT : 0
When T016BIT : 1





TMRiL


4
Q
J 1 ‘ ‘ ‘
jflmfihflfiflflfim
§V
1 3
Timer1 D 2- ‘5 s ‘7
wauwfflmflwwwu
‘7
Tm
M
JHHHMWHHFHHLI
If TXSOSC : D
If TXSOSC : l
TMRXCS<1 0=""> : 1x
TMRXCS<1 0=""> : Ox
1>1>
If TMRXON : 0
If TMRXON : 1

TSSYNC
TSSYNC





condmon.
\ CC
Prescalerif \
1‘4‘16
____T____
UVU
H
H
llow
dala lamh.
preclude Ihe Rese: from occurring.
,
,
,
,
,
,
c ,
,
,
,
,
m
7 x, H
v 4 W
,
,
,
,
,
,
wwwwwwwwwwwwwwwwwwwww
determmafion of :he PWM frequency.
mm". m.
ijjjjzmj Djbjjzmj
remain unchanged.
CCPxMODE : Camure mode
CCPxMODE : Compare mode
CCPXMODE : PWM mode
CCPxMODE : Cap‘ure mode
CCPxMODE : Compare mode
CCPXMODE : PWM modes when CCPXFMT : Q
CCPXMODE : PWM modes when CCPXFMT : l
CCPxMODE : Cap‘ure mode
CCPxMODE : Compare mode
CCPXMODE : PWM modes when CCPXFMT ’
CCPXMODE PWM modes when CCPXFMT : l



X
E


,,,,
‘ *‘

69
45
>1
1 1:
SR1
EUF




\\\\\\\


W

Lb
MD

Masters nm ACK J
TV

5‘
M


ACK

%
NTERGfi


LA‘ \ ‘ law‘s LA
‘ ‘
fi fi { i
Hfi fl I—LI—V Wfifl
TIL L JIL ngt
1\\\4

V


SPI Master mode.
SPI SIave mode.
SMP must be chaired when S
In IZC Master or Slave mode.
In SPI Masler or SIave mode.
- T
In IZC mode only
Tms bil hoIds Ihe R 7
match lo we nexl S
In IZC SIave mode
In IZC Master mode
In
Recewe SPI and IZC modes
ve
Transmu (IZC mode only.
owl g
(1)
\n SP‘ mode
\n W: mode.
\n bmh mode
\n SP‘ mode
\n W: mode.
\n SP‘ mode
: I
\n W: save mode.
: H
\n W: Master mode.

In Recexve mode.
In Masler Recewe mode.
In Masler mode.
In SIave mode.
(3)
In SPI save mode.
U24) Masler mode and SPI Masmr mode.
mic save mode.
SS
124) Save mode 107bil address SSPM<3.0> : D, 11 or 1 , 1 1
R) S1ave mode 77m address.
Master mode:
10-bit Slave mode — Most Significant Address Byte:
10-bit Slave mode — Leasl Significant Address Bfle:
7-bit Slave mode:
3.0>




Sufi"-- M533" 35‘" mmflgmm SSS" SIT/GUI: 8‘
( q 55 HI Jr 3
fl { Ffl r—\ If
( [)5 Jr 1m

swam Vammmm
f F f
{—1 mm {—1 mm \_1r mm {—1 me m7 rSmp bu
Break Character
OsciHalor snarmg Time
WUE Bil
‘14“
\ 10“
max m
\M‘“
11‘
w ‘ “““
\ ‘0”
\ ‘QH
\ ‘0“
‘1‘
J)


La


N111
Asynchronous mode
Synchronous mode
Asyncnronous mode
Syncnronous mode
Asyncnronous mode
Syncnronous mode.
SPEN‘“
Asynchronous mode
Synchronous mode , Masrer
Synchronous mode , Slave
Asyncnronous mode
Synchronous mode
Asyncnronous mode 9m RXQ : 1
Asyncnronous mode 87m RXQ : D
Asynchronous mode
Synchronous mode
Asynchronous mode
Syncnronous mode
Asyncnronous mode
Syncnronous mode
Asyncnronous mode
Syncnronous mode
Asyncnronous mode
Syncnronous mode






aumma‘ically ena
Bollom Sxde
MCLR
j

E
D
O
C
P
O







Examg‘e.
Examg‘e.
Examg‘e.
Examg‘e.
Examg‘e.
Examg‘e.





Retention




H
(3]


(4)

hng Sm
r
J
Txmem

H ~ < 3="" ‘="" ‘="" x="" 4?="" 1="" 1="" 1="" a1:«="" ~—="">:
1 ‘ r
I 3 I E
3513741 S—/

‘ if j WE if
1 13 / \ ‘ 7777777 /
a I“? L_.. I I
‘ 77777 SFHUL
aI k smog


FIGURE 36-1: WDT Time-Out Period FIGURE 36-2: WDT Time-Out Period
FIGURE 36-3: IPD Base, Low-Power Sleep FIGURE 36-4: IPD, Watchdog Timer (WDT)
FIGURE 36-5: IPD, Watchdog Timer (WDT) FIGURE 36-6: IPD, Fixed Voltage
FIGURE 36-7: IPD, Fixed Voltage FIGURE 36-8: IPD, Brown-Out Reset
W
FIGURE 36-9: IPD, Brown-Out Reset FIGURE 36-10: IPD, Low-Power Brown-Out
FIGURE 36-11: IPD, Low-Power Brown-Out FIGURE 36-12: IPD, Comparator
FIGURE 36-13: IPD, Comparator FIGURE 36-14: IPD Base, 01
FIGURE 36-15: lPD Base, 11 FIGURE 36-16: I D, X T Oscillator 4 MHz
FIGURE 36-17: I , X T Oscillator 4 MHz FIGURE 36-18: I D, HS Oscillator 32 MHz
FIGURE 36-19: I , HS Oscillator 32 MHZ FIGURE 36-20: I D, HFINTOSC Mode,
FIGURE 36-21: I , HFINTOSC Mode, FIGURE 36-22: I D, HFINTOSC Mode,
FIGURE 36-23: I , HFINTOSC Mode, FIGURE 36-24: I D, HFINTOSC Idle Mode,
FIGURE 36-25: I , HFINTOSC Idle Mode, FIGURE 36-26: I D, HFINTOSC Doze
FIGURE 36-27: I , HFINTOSC Doze FIGURE 36-28: LFINTOSC Frequency
fl
/—_
FIGURE 36-29: LFINTOSC Frequency FIGURE 36-30: HFINTOSC Typical
FIGURE 36-31: HFINTOSC Typical FIGURE 36-32: HFINTOSC Frequency Error
\\
\\\
\
\\
FIGURE 36-33: Weak Pull-Up Current FIGURE 36-34: Weak Pull-Up Current
//
///
/=é/
FIGURE 36-35: V H VS. IOH FIGURE 36-36: V VS. I
é4/”
FIGURE 36-37: V H vs. IOH FIGURE 36-38: V vs. I
FIGURE 36-39: V H vs. IOH FIGURE 36-40: V vs. I
FIGURE 36-41: Brown-Out Reset Voltage, FIGURE 36-42: Brown-Out Reset
FIGURE 36-43: Brown-Out Reset Voltage, FIGURE 36-44: Brown-Out Reset
FIGURE 36-45: Brown-Out Reset Voltage, FIGURE 36-46: Brown-Out Reset
FIGURE 36-47: LPBOR Reset Voltage (All FIGURE 36-48: LPBOR Reset Hysteresis
FIGURE 36-49: BOR Response Time
FIGURE 36-50: BOR Response Time
Wm
WW
FIGURE 36-51: ADC 10-Bit Mode,
FIGURE 36-52: ADC 1 O-Bit Mode,
Wan-W
FIGURE 36-53: ADC 10-Bit Mode,
FIGURE 36-54: ADC 1 O-Bit Mode,
FIGURE 36-55: ADC 10-Bit Mode, FIGURE 36-56: ADC 1 O-Bit Mode,
FIGURE 36-57: ADC 10-Bit Mode, FIGURE 36-58: ADC 1 O-Bit Mode,
FIGURE 36-59: ADC 10-Bit Mode, FIGURE 36-60: ADC 1 O-Bit Mode,
FIGURE 36-61: ADC 10-Bit Mode, FIGURE 36-62: ADC 1 O-Bit Mode,
FIGURE 36-63: ADC 10-Bit Mode, FIGURE 36-64: ADC 1 O-Bit Mode,
FIGURE 36-65: ADC 10-Bit Mode, FIGURE 36-66: ADC 1 O-Bit Mode,
FIGURE 36-67: ADC 10-Bit Mode, FIGURE 36-68: ADC 1 O-Bit Mode,
FIGURE 36-69: ADC RC Oscillator Period FIGURE 36-70: ADC RC Oscillator Period
FIGURE 36-71: Typical DAC DNL Errol, V FIGURE 36-72: Typical DAC lNL Error, V
FIGURE 36-73: Typical DAC lNL Error, V FIGURE 36-74: Typical DAC INL Error, V
FIGURE 36-75: DAC lNL Error, V = 3.0V FIGURE 36-76: Absolute Value of DAC DNL
FIGURE 36-77: Absolute Value of DAC INL FIGURE 36-78: Absolute Value of DAC DNL
FIGURE 36-79: Absolute Value of DAC INL FIGURE 36-80: Comparator Hysteresis,
FIGURE 36-81: Comparator Offset, Normal FIGURE 36-82: Comparator Offset, Normal
FIGURE 36-83: Comparator Hysteresis, FIGURE 36-84: Comparator Offset, Normal
FIGURE 36-85: Comparator Offset, Normal FIGURE 36-86: ComparatorRasponse Time
FIGURE 36-87: ComparatorRasponse Time FIGURE 36-88: Comparator Output Filter
FIGURE 36-89: Comparator Output Filter FIGURE 36-90: ComparatorRasponse Time
FIGURE 36-91: ComparatorResponse Time FIGURE 36-92: ComparatorResponse Time
FIGURE 36-93: ComparatorResponse Time FIGURE 36-94: Band Gap Ready Time
FIGURE 36-95: FVR Stabilization Period FIGURE 36-96: Typical FVR Voltage 1x
FIGURE 36-97: FVR Voltage Error 1x FIGURE 36-98: FVR Voltage Error 2x
FIGURE 36-99: FVR Voltage Error 2x FIGURE 36-100: FVR Voltage Error 4x
////
/
\\\
\
FIGURE 36-101: Schmitt Trigger High Values FIGURE 36-102: Schmitt Trigger Low Values
FIGURE 36-103: Input Level TTL FIGURE 36-104: Rise Time, Slew Rate
FIGURE 36-105: Fall Time, Slew Rate Control FIGURE 36-106: Rise Time, Slew Rate
FIGURE 36-107: Rise Time, Slew Rate FIGURE 36-108: OSCTUNE Center
FIGURE 36-109: POR Release Voltage FIGURE 36-110: POR Rearm Voltage,
FIGURE 36-111: PWRT Period FIGURE 36-112: PWRT Period
FIGURE 36-113: Wake me Sleep, FIGURE 36-114: Wake me Sleep,
FIGURE 36-115: Wake me Sleep, FIGURE 36-116: Wake me Sleep,
FIGURE 36-117: Wake me Sleep, FIGURE 36-118: Wake me Sleep




flflfiflflflfi flflfiflflflfi
XXXXXXXXXXXXXX
XXXXXXXXXXXXXX
0 S9 YflNWNNN 0 £9
WWWWWWW WWWWWWW
H H H H J J 7 H H H H J J
xxxxxxxxxxx
xxxxxxxxxxx
0 @YYWWNNN O 0
U U U H J J , U U U H J J
HHHHHHH HHHHHHH
Q Q
C) C)
HHHHHHH HHHHHHH
NNN
WW WW WW WW WW WW WW WW WW WW WW WW WW WW WW WW WW WW WW WW
0 ‘5‘
2Q
LA LA LA LA LA LA LA LA LA LA LA LA LA LA LA LA LA LA LA LA
HHHHHHHHHH
XXXXXXXXXXXXXX
XXXXXXXXXXXXXX
XXXXXXXXXXXXXX
O Q YYWWNNN
LILILILILILILILILILI
HHHHHHHHHH
09
UUUUUUUUUU
NNN
HHHHHHHHHH
XXXXXXXXXXX
Q WWWNNN
C)
UHUHUHUUHU
HHHHHHHHHH
M
C)
UHUHUHUUHU
1, IQPIC16
1H F1834
NNN
F‘WH‘WH‘WH‘WH‘WF‘WF‘W
a
MAHARAHHHHHHLUJ
/
14-Lead Plastic Small Outline (SL) - Narrow, 3.90 mm Body [SOIC]
E}
2x
Q01OCD
NOTE 1
TOP VIEW
E-I
"— SEATlNG PLANE
l
A1 7 SIDE VIEW
VIEW A-A
Mlcrochlp Technology Drawmg No 004-0650 Sheell olZ
14-Lead Plastic Small Outline (SL) - Narrow, 3.90 mm Body [SOIC]
/\ \ 0(4X
\
«,7
, L .7
(L1) <— 4x="" ,9="" «="" view="" c="" unils="" mllllmeters="" dimension="" le115="" min="" |="" nom="" l="" max="" numberanlns="" n="" 14="" pllch="" e="" 1.27="" 550="" overall="" height="" a="" .="" .="" 1="" 75="" molded="" package="" thickness="" a2="" 1.25="" .="" .="" szandoll="" §="" a1="" 0.10="" .="" o="" 25="" overall="" wldm="" e="" 0="" 00="" bsc="" molded="" package="" wldm="" e1="" 3.90="" 850="" overall="" lengm="" 0="" 8.65="" 850="" chamfer="" (opuonal)="" h="" o="" 25="" ,="" o="" 50="" fem="" length="" l="" o="" 40="" -="" 1="" 27="" fomprlnt="" l1="" 1="" 0a="" ref="" lead="" angle="" e="" 0”="" -="" -="" fool="" angle="" w="" 0”="" -="" 0‘="" lead="" thlckness="" c="" 0="" 1d="" -="" u="" 25="" lead="" wldth="" o="" 0.31="" —="" 0.51="" mold="" draft="" angle="" top="" a="" 5”="" —="" 15"="" mold="" drafl="" angle="" aollom="" 5="" 5°="" —="" 15°="" notes:="" ‘="" 2="" 3="" pin="" 1="" wsual="" lndex="" lealure="" may="" vary,="" bul="" musl="" be="" localed="" wnnm="" lne="" nalcned="" area.="" §slgniflcanl="" characterisllc="" dlmenslen="" d="" does="" not="" include="" mold="" flash.="" promlslons="" 0r="" gale="" burrs.="" whlch="" shall="" not="" exceed="" 015="" mm="" per="" end="" dimension="" e1="" does="" no:="" lnclude="" lmerlead="" flash="" or="" prolmslorl.="" which="" shall="" nol="" exceed="" 0="" 25="" mm="" per="" slde.="" dlmenslcnlng="" and="" mleranclng="" oer="" asme="" v14="" 5m="" asc.="" baslc="" dlmerlslcrl="" theorelioally="" exact="" value="" shown="" wnnoul="" ialerances.="" ref:="" relerence="" dlmensiorl,="" usually="" wilnoul="" mlerance.="" (or="" mlormalion="" purposes="" only.="" dalums="" a="" kr="" b="" to="" be="" delerrmned="" a1="" datum="" h.="" mlcrochip="" technology="" drawing="" no="" comoasc="" sheet="" 2="" ol="" 2="">—>
14-Lead Plastic Small Oulline (SL) - Narrow, 3.90 mm Body [SOIC]
4»‘ #7 Gx
SILK
c G / SCREEN
, 1 Y
o 'J ' D D U U E
E l ! x
RECOMMENDED LAND PATTERN
Units MlLLlMETERS
Dimension Limits MIN | NOM | MAX
Contact Piteli E 1.27 550
Conlacl Pad Spacing c 5.40
Cunlacl Pad Widlh x u so
Contacl Fad Lengm V 1 50
Distance Between Pads Gx o 67
Distance Between Pads G 3 90
Noles
‘l. Dlmenslonlng and Iolerancing perASME Y‘lA SM
850 Baslc Dimension. Theoretlcally exact value snown Wlll’lcul loleianees.
Mlcrochlp Technology Drawlng No CUAVZOGSA
14-Lead Plastic Thin Shrink Small Outline (ST) - 4.4 mm Body [TSSOP]
N°TE*J1HQLIMLIHI‘J__ \
QOJOCBA
IA
SEATING PLANE
i I
14X b ——
I-IIE
SIDE VIEW
Microchip Technology Drawing (20470870 Sheet 1 of 2
14-Lead Plastic Thin Shrink Small Outline (ST) - 4.4 mm Body [TSSOP]
Units MILLIMETERS
Dimension Liiniis MiN i NOM i MAX
Number 0' Pins N 14
Piici'i e 0 55 BSC
Overali Height A - - 1.21)
Maided Package Thickness A2 0.80 1.00 1.05
Siandofl‘ A1 0 ()5 - 015
Overeii Widii'i E e 40 BSC
Maiden Package Width E1 4 30 4 4O 4 SD
Moided Package Lengin D 4.90 5.00 5.10
Foot Lengm L O 45 D 50 U 75
Fooipnni (Li) 1.00 REF
Foot Angle ’4’ D” - 8”
Lead Thickness c 0.09 . 0.20
Lead Widm b 019 - D 30
Noles.
1 Pin 1 Visuai index leamre may vary. but musi be iocaled wnnin ine naicned area
2 Dimensions D and E1 do noi inciude maid flash or pmlmsiuns Maid flash or
pmlmslcns snail nci exceed 0 15mm per side.
a Dimensiuning and toierancmg perASME YM SM
580' Basic Dimension Tneoreneaiiy exact vaiue shown wi1nau1 loierances
REF. Reference Dimensidn, usualiy wnnom (oierance, 1m inionnaiion purposes only.
Microchip Tecnnoiogy Drawing No. 00470371: Sheet 2 012
14-Lead Plastic Thin Shrink Small Outline (ST) - 4.4 mm Body [TSSOP]
m
C1
. l |
IZZI IZZI ’ E
|:| |:|fi
|:| |:|—-
|:| |:|
|:|
|:|
|:|
|:|_
|:|
|:|
\ E w IE
SlLKSCREEN
RECOMMENDED LAND PATTERN
Umls MlLLlMETERS
Dimension Limits MlN l NOM l MAX
Conlacl Plleh E 0 65 BSC
Comm Fad Spacing c1 5 90
Conlacl Pad Wldlh (X14) X1 0 45
Comm Fad Length (x14) Y1 1.45
Dislance Between Pads (3 (l 20
Notes-
1 Dimensmning and tolerancing per ASME v14 5M
ESC Basuc Dimension Theorencally exact value shown wllhout tolerances
Mlcrucmp Technology Drawmg Nu 004-2057;;
EEC
MZMM_I
J
SIDE VIEW
<9 “i="" ®="">9><9 i-iiei="" bottom="" view="">9>
. .
. OUUEHJF
20-Lead Plastic Small Outline (SO) - Wide, 7.50 mm Body [SOIC]
U U LI
1 2 3
NOTE‘l ‘ 2X N/Z TlPS
<7 nxb="" q="" a="" «u="" c="" a="" l="" a="" nx="" 7-:="" --="" seating="" plane="" f="" a2="" —="" j="" i="" side="" view="" a‘—="" h="" f:="" see="" view="" c="" view="" a-a="" micmchip="" technology="" drawmg="" cm-osmc="" sheel="" 1="" of="" 2="">7>
20-Lead Plastic Small Outline (SO) - Wide, 7.50 mm Body [SOIC]
/\ a 4x
0
la
L .—
(L‘l) ‘—
4x 5 «
VIEW C
Unils MlLLlMETERS
Dlmenslon Lirnlts MIN | NOM l MAX
Nomoer ol Pins N 20
Pltch e 1 27 BSC
Overall Hergnl A — — 2 65
Molded Package Thickness A2 2.05 . .
Slandolf § A1 0.10 - o 30
Overall Wldlh E 10.30 380
Molded Package Wldth E1 7 50 BSC
Overall Length D 12 00 est:
enamler (Oplronal) h 0.25 . o 75
Foot Lenglh L o 40 — 1 27
Foolprlm L1 1.40 REF
Lead Angle e 0’ . .
Foot Angle w 0° — a=
Lead Thlckness c 0.20 . o 33
Lead Width 0 0 31 — o 51
Mold Drail Angle Top 01 5' . 15°
Mold Drall Angle Bollom 6 5° - 15°
Notes:
1 Pin 1 vlsual lndex lealuie may vary. but rnusl be localed Wlmm the naleheo area
2 § significant Oharaolerrstro
3 Dlmenslon D does not lnclude mold flash, pmlruslons or gale burrs, whlch shall
not exceed 015 mm per end Dlmenslon E1 does not lnclude lnlerlead flash
or protrusion, which shall not exceed 0.25 mm per side.
4 Dlmenslonlng and Ioleranclng per ASME YM 5M
55!: Basic Dlmenslon. Theoretically exact value shown wrlhout tolerances.
REF: Relerenee Dimension. usually witnoul lolerance. lor rnlorrnation purposes only.
5 Dalums A & E to be delermlned al Dalum H
Microchip Technology Drawrng No. 00470940 Sheet 2 olz
20-Lead P‘astic SmaH Outline (SO) - Wide, 7.50 mm Body [SOIC]
a‘l“ (3x
-—_-_JErHUUUDDUHD
3M
/ SCREEN
e
c
:\ L x
RECOMMENDED LAND PATTERN
Umts M‘LUMETERS
Dwmension Lirmts MIN | NONI \ MAX
Cunlad PM)?! E 1 27 BSC
Contact Pad Spacing c 9.40
Contact Pad Wwdlh (X20) X D 60
Conlad Pad Length (x20) v 1.95
Distance Between Pads Gx o 67
Dlsmnoe Between Pads G 7 45
No‘es.
1. Dimenswoning and |o|erancmg per ASME V14.5M
asc Basu: Dwmensmn. Themencal‘y exact value shown wuhom to‘erances.
Mlcracmp Tecnnmugy Drawmg Nu. 004-2094A
HHHHHHHHHH
w HHHHHi,
7F T
wfiflflflflflflflflfl
/
wmmmm:
w H JL
[HP
//
@CE
DZMEI
J
SIDE VIEW
€> -III
-IIII
BOTTOM VIEW
_J
80000
00000 11
e WI
H\:|
:ID 00000
SIDE VIEW @jjj
$-lll
U U U U U WWI—m
I (j
‘ CI
w —«— —-G—
\W G t
o.10®c | \
$ 0.05®
n
Termina‘ Len
mama
Mg: : 2%
Disagégsi *
M RS
0,50 BSC
Ophena‘ Cemer Pad wmm
Ophena‘ Cemer Pad Lengm
Contact Pad Lengm (x20)


PART No.
ev
41x
www mmrucmg cam/Qackagmg
YSTEM
6‘
‘MICROCHIP
AMERICAS ASIA/PACIFIC ASIA/PACIFIC EUROPE


