 Lfinfineon
Lfinfineon
Automotive Power
Data Sheet
Rev. 1.3, 2014-06-03
BTS50015-1TAA
Smart High-Side Power Switch
 @neon
@neon
 
Data Sheet 2 Rev. 1.3, 2014-06-03
BTS50015-1TAA
Table of Contents
1 Overview  . . . . . . . . . . . . . . . . . . . . . . . . . . . . . . . . . . . . . . . . . . . . . . . . . . . . . . . . . . . . . . . . . . . . . . .  3
2 Block Diagram . . . . . . . . . . . . . . . . . . . . . . . . . . . . . . . . . . . . . . . . . . . . . . . . . . . . . . . . . . . . . . . . . . .  5
3 Pin Configuration  . . . . . . . . . . . . . . . . . . . . . . . . . . . . . . . . . . . . . . . . . . . . . . . . . . . . . . . . . . . . . . . . 6
3.1 Pin Assignment . . . . . . . . . . . . . . . . . . . . . . . . . . . . . . . . . . . . . . . . . . . . . . . . . . . . . . . . . . . . . . . . . . .  6
3.2 Pin Definitions and Functions  . . . . . . . . . . . . . . . . . . . . . . . . . . . . . . . . . . . . . . . . . . . . . . . . . . . . . . . .  6
3.3 Voltage and Current Definition  . . . . . . . . . . . . . . . . . . . . . . . . . . . . . . . . . . . . . . . . . . . . . . . . . . . . . . .  7
4 General Product Characteristics . . . . . . . . . . . . . . . . . . . . . . . . . . . . . . . . . . . . . . . . . . . . . . . . . . . .  8
4.1 Absolute Maximum Ratings   . . . . . . . . . . . . . . . . . . . . . . . . . . . . . . . . . . . . . . . . . . . . . . . . . . . . . . . . .  8
4.2 Functional Range  . . . . . . . . . . . . . . . . . . . . . . . . . . . . . . . . . . . . . . . . . . . . . . . . . . . . . . . . . . . . . . . .  11
4.3 Thermal Resistance  . . . . . . . . . . . . . . . . . . . . . . . . . . . . . . . . . . . . . . . . . . . . . . . . . . . . . . . . . . . . . .  12
5 Functional Description . . . . . . . . . . . . . . . . . . . . . . . . . . . . . . . . . . . . . . . . . . . . . . . . . . . . . . . . . . .  13
5.1 Power Stage  . . . . . . . . . . . . . . . . . . . . . . . . . . . . . . . . . . . . . . . . . . . . . . . . . . . . . . . . . . . . . . . . . . . .  13
5.1.1 Output ON-State Resistance  . . . . . . . . . . . . . . . . . . . . . . . . . . . . . . . . . . . . . . . . . . . . . . . . . . . . . .  13
5.1.2 Switching a Resistive Load  . . . . . . . . . . . . . . . . . . . . . . . . . . . . . . . . . . . . . . . . . . . . . . . . . . . . . . .  13
5.1.3 Switching an Inductive Load   . . . . . . . . . . . . . . . . . . . . . . . . . . . . . . . . . . . . . . . . . . . . . . . . . . . . . .  14
5.1.4 Inverse Current Capability  . . . . . . . . . . . . . . . . . . . . . . . . . . . . . . . . . . . . . . . . . . . . . . . . . . . . . . . .  16
5.1.5 PWM Switching  . . . . . . . . . . . . . . . . . . . . . . . . . . . . . . . . . . . . . . . . . . . . . . . . . . . . . . . . . . . . . . . .  16
5.2 Input Pins  . . . . . . . . . . . . . . . . . . . . . . . . . . . . . . . . . . . . . . . . . . . . . . . . . . . . . . . . . . . . . . . . . . . . . .  17
5.2.1 Input Circuitry . . . . . . . . . . . . . . . . . . . . . . . . . . . . . . . . . . . . . . . . . . . . . . . . . . . . . . . . . . . . . . . . . .  17
5.2.2 Input Pin Voltage  . . . . . . . . . . . . . . . . . . . . . . . . . . . . . . . . . . . . . . . . . . . . . . . . . . . . . . . . . . . . . . .  17
5.3 Protection Functions  . . . . . . . . . . . . . . . . . . . . . . . . . . . . . . . . . . . . . . . . . . . . . . . . . . . . . . . . . . . . . .  18
5.3.1 Loss of Ground Protection  . . . . . . . . . . . . . . . . . . . . . . . . . . . . . . . . . . . . . . . . . . . . . . . . . . . . . . . .  18
5.3.2 Protection during Loss of Load or Loss of VS Condition  . . . . . . . . . . . . . . . . . . . . . . . . . . . . . . . . .  19
5.3.3 Undervoltage Behavior   . . . . . . . . . . . . . . . . . . . . . . . . . . . . . . . . . . . . . . . . . . . . . . . . . . . . . . . . . .  20
5.3.4 Overvoltage Protection   . . . . . . . . . . . . . . . . . . . . . . . . . . . . . . . . . . . . . . . . . . . . . . . . . . . . . . . . . .  20
5.3.5 Reverse Polarity Protection  . . . . . . . . . . . . . . . . . . . . . . . . . . . . . . . . . . . . . . . . . . . . . . . . . . . . . . .  21
5.3.6 Overload Protection  . . . . . . . . . . . . . . . . . . . . . . . . . . . . . . . . . . . . . . . . . . . . . . . . . . . . . . . . . . . . .  22
5.3.6.1 Activation of the Switch into Short Circuit (Short circuit Type 1)  . . . . . . . . . . . . . . . . . . . . . . . . .  22
5.3.6.2 Short Circuit Appearance when the Device is already ON (Short circuit Type 2)  . . . . . . . . . . . .  22
5.3.7 Temperature Limitation in the Power DMOS  . . . . . . . . . . . . . . . . . . . . . . . . . . . . . . . . . . . . . . . . . . 22
5.4 Diagnostic Functions   . . . . . . . . . . . . . . . . . . . . . . . . . . . . . . . . . . . . . . . . . . . . . . . . . . . . . . . . . . . . .  24
5.4.1 IS Pin  . . . . . . . . . . . . . . . . . . . . . . . . . . . . . . . . . . . . . . . . . . . . . . . . . . . . . . . . . . . . . . . . . . . . . . . .  24
5.4.2 SENSE Signal in Different Operation Mode   . . . . . . . . . . . . . . . . . . . . . . . . . . . . . . . . . . . . . . . . . .  24
5.4.3 SENSE Signal in the Nominal Current Range  . . . . . . . . . . . . . . . . . . . . . . . . . . . . . . . . . . . . . . . . . 25
5.4.3.1 SENSE Signal Variation and calibration   . . . . . . . . . . . . . . . . . . . . . . . . . . . . . . . . . . . . . . . . . . .  25
5.4.3.2 SENSE Signal Timing  . . . . . . . . . . . . . . . . . . . . . . . . . . . . . . . . . . . . . . . . . . . . . . . . . . . . . . . . .  27
5.4.3.3 SENSE Signal in Case of Short Circuit to VS  . . . . . . . . . . . . . . . . . . . . . . . . . . . . . . . . . . . . . . . 27
5.4.3.4 SENSE Signal in Case of Over Load . . . . . . . . . . . . . . . . . . . . . . . . . . . . . . . . . . . . . . . . . . . . . .  27
6 Electrical characteristics BTS50015-1TAA . . . . . . . . . . . . . . . . . . . . . . . . . . . . . . . . . . . . . . . . . . .  28
6.1 Electrical Characteristics Table   . . . . . . . . . . . . . . . . . . . . . . . . . . . . . . . . . . . . . . . . . . . . . . . . . . . . .  28
6.2 General Product Characteristics . . . . . . . . . . . . . . . . . . . . . . . . . . . . . . . . . . . . . . . . . . . . . . . . . . . . .  33
7 Package Outlines  . . . . . . . . . . . . . . . . . . . . . . . . . . . . . . . . . . . . . . . . . . . . . . . . . . . . . . . . . . . . . . .  39
8 Application Information  . . . . . . . . . . . . . . . . . . . . . . . . . . . . . . . . . . . . . . . . . . . . . . . . . . . . . . . . . .  40
8.1 Further Application Information . . . . . . . . . . . . . . . . . . . . . . . . . . . . . . . . . . . . . . . . . . . . . . . . . . . . . .  43
9 Revision History  . . . . . . . . . . . . . . . . . . . . . . . . . . . . . . . . . . . . . . . . . . . . . . . . . . . . . . . . . . . . . . . . 44
Table of Contents
 Inflneon
0/
RoHS / '
d
Am
A/-\ 2°"
%ua\fie
Inflneon
0/
RoHS / '
d
Am
A/-\ 2°"
%ua\fie
 
 
 
 
 
 
Type Package Marking
BTS50015-1TAA PG-TO-263-7-8 S50015A
Data Sheet 3 Rev. 1.3, 2014-06-03
Smart High-Side Power Switch
BTS50015-1TAA
1Overview
Application
• All types of resistive and capacitive loads
• Suitable for inductive loads in conjunction with an effective, peripheral free 
wheeling circuit
• Replaces electromechanical relays and fuses
• Most suitable for applications with high current loads, such as heating 
system, main switch for power distribution, start-stop power supply switch
• PWM application with low frequencies
Features
• One channel device
• Low Stand-by current
• Wide input voltage range (can be driven by logic levels 3.3V and 5V as well as directly by VS)
• Electrostatic discharge protection (ESD)
• Optimized Electromagnetic Compatibility (EMC)
• Logic ground independent from load ground
• Very low leakage current on OUT pin
• Compatible to cranking pulse requirement (test pulse 4 of ISO7637 and cold start pulse in LV124)
• Embedded diagnostic functions
• Embedded protection functions
• Green Product (RoHS compliant)
• AEC Qualified
Description
The BTS50015-1TAA is a 1.5mΩ single channel Smart High-Side Power Switch, embedded in a PG-TO-263-7-8
package, providing protective functions and diagnosis. It contains Infineon® Reversave. The power transistor is
built by a N-channel power MOSFET with charge pump. It is specially designed to drive high current loads up to
80A, for applications like switched battery couplings, power distribution switches, heaters, glow plugs, in the harsh
automotive environment.
PG-TO263-7-8
 @neon,
@neon,
 
 
 
 
 
 
 
 
 
 
 
 
 
Data Sheet 4 Rev. 1.3, 2014-06-03
BTS50015-1TAA
Overview
Embedded Diagnostic Functions
• Proportional load current sense
• Short circuit / Overtemperature detection
• Latched status signal after short circuit or overtemperature detection
Embedded Protection Functions
•Infineon
® Reversave: Reverse battery protection by self turn ON of power MOSFET
•Infineon
® Inversave: Inverse operation robustness capability
• Secure load turn-OFF while device loss of GND connection
• Overtemperature protection with latch
• Short circuit protection with latch
• Overvoltage protection with external components
• Enhanced short circuit operation
Table 1 Product Summary
Parameter Symbol Values
Operating voltage range VS(OP) 8 V … 18 V
Extended supply voltage contain dynamic 
undervoltage capability
VS (DYN) 3.2 V … 28 V
Maximum on-state resistance at Tj = 150 °CRDS(ON) 3 mΩ
Minimum nominal load current IL (nom) 33 A
Typical current sense differential ratio dkILIS 51500
Minimum short circuit current threshold IL (OVL) 135 A
Maximum stand-by current for the whole device 
with load at TA=TJ= 85°C
IS (OFF) 18 μA
Maximum reverse battery voltage at TA = 25°C for 
2 min
-VS(REV) 16 V
 @neon
@neon
 
 
 
 
 
 
 
 
 
 
 
 
 
 
 
 
 
 
 
 
 
 
 
 
 
 
 
 
 
 
 
 
 
 
BTS50015-1TAA
Block Diagram
Data Sheet 5 Rev. 1.3, 2014-06-03
2 Block Diagram
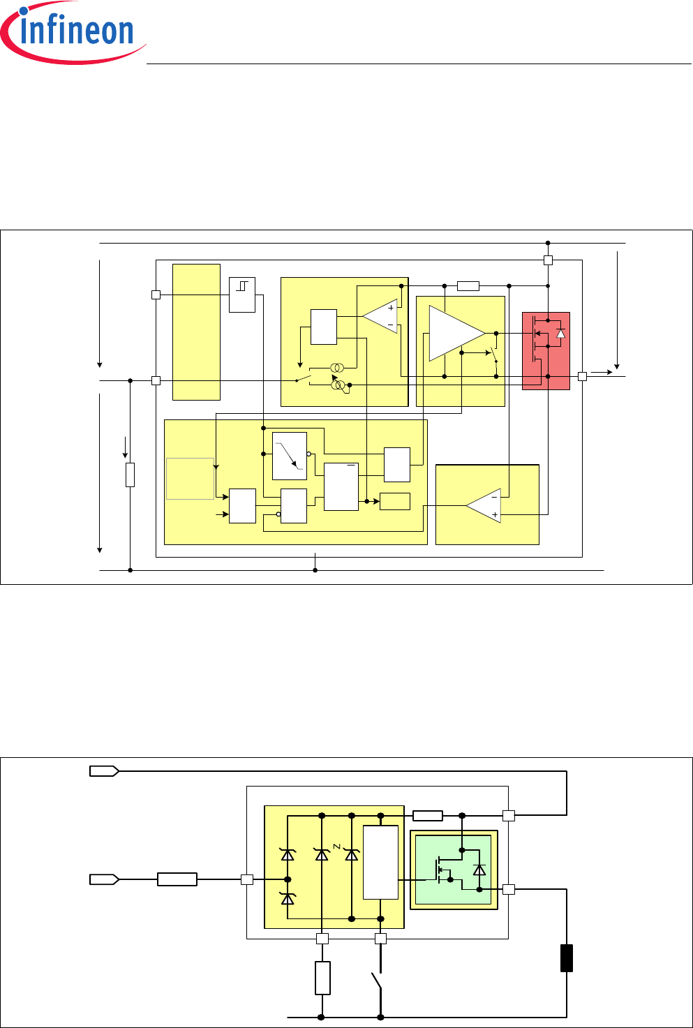
Figure 1 Block Diagram for the BTS50015-1TAA
Blockdiagram
V
S
OUT
IN driver 
logic
gate control 
& 
charge pump
load current sense
over
temperature
Overvoltage 
clamp
over current
switch OFF
voltage sensor
GND
ESD
protection
IS
internal 
power 
supply
R
VS
 @neon,
@neon,
 
 
 
 
 
 
 
 
 
 
 
Data Sheet 6 Rev. 1.3, 2014-06-03
BTS50015-1TAA
Pin Configuration
3 Pin Configuration
3.1 Pin Assignment
Figure 2 Pin Configuration
3.2 Pin Definitions and Functions
Pin Symbol Function
1GNDGrouND; Ground connection
2IN INput; Input signal for channel activation. HIGH active
3IS Sense; Provides signal for diagnosis
4, Cooling tab VS Supply Voltage; Battery voltage
5, 6, 7 OUT OUTput; Protected high side power output1)
1) All output pins are internally connected and they also have to be connected together on the PCB. Not shorting all outputs 
on PCB will considerably increase the ON-state resistance and decrease the current sense / overcurrent tripping accuracy. 
PCB traces have to be designed to withstand the maximum current.
123
4
576
 @neon,
@neon,
 
 
 
 
 
 
 
 
 
 
 
 
 
 
 
 
 
 
 
 
 
 
 
 
 
 
 
Data Sheet 8 Rev. 1.3, 2014-06-03
BTS50015-1TAA
General Product Characteristics
4 General Product Characteristics
4.1 Absolute Maximum Ratings
Table 2 Absolute Maximum Ratings 1)
Tj = -40°C to +150°C; (unless otherwise specified)
Parameter Symbol Values Unit Note / 
Test Condition
Number
Min. Typ. Max.
Supply Voltages
Supply Voltage VS-0.3 – 28 V – 4.1.1
Reverse polarity voltage -VS(REV) 0–16 V
2)t < 2 min
TA = 25°C
RL ≥ 0.5Ω
4.1.2
Supply voltage for load dump 
protection
VS(LD) ––45 V
3) RI = 2Ω
RL = 2.2Ω
RIS = 1kΩ
RIN = 4.7kΩ
4.1.5
Short circuit capability
Supply voltage for short circuit 
protection
VS(SC) 5–20 V
4)RECU = 20mΩ
LECU = 1μH
Rcable = 6mΩ/m
Lcable = 1μH/m
l = 0 to 5m
R, C as shown in 
Figure 51
See Chapter 5.3
4.1.3
Short circuit is permanent: IN pin 
toggles short circuit (SC type 1)
nRSC1 – – 100k
(Grade D)
–5) 4.1.4
GND pin
Current through ground pin IGND -15
–6)
–
–
107)
15
mA –
t ≤ 2 min
4.1.6
Input Pin
Voltage at IN pin VIN -0.3 – VSV – 4.1.7
Current through IN pin IIN -5
-5
–
–
5
506)
mA –
t ≤ 2 min
4.1.8
Maximum retry cycle rate in fault 
condition
ffault – – 1 Hz – 4.1.9
Sense Pin
Voltage at IS pin VIS -0.3 – VSV – 4.1.10
Current through IS pin IIS -15
–6)
–
–
107)
15
mA –
t ≤ 2 min
4.1.11
 @neon,
@neon,
 
 
 
 
 
 
 
 
 
 
 
 
 
 
 
 
 
 
 
 
 
BTS50015-1TAA
General Product Characteristics
Data Sheet 9 Rev. 1.3, 2014-06-03
Notes
1. Stresses above the ones listed here may cause permanent damage to the device. Exposure to absolute 
maximum rating conditions for extended periods may affect device reliability.
2. Integrated protection functions are designed to prevent IC destruction under fault conditions described in the 
data sheet. Fault conditions are considered as “outside” normal operating range. Protection functions are not 
designed for continuous repetitive operation.
Power Stage
Average power dissipation PTOT ––200WTC = -40°C to 
150°C
4.1.15
Voltage at OUT Pin VOUT -64 – – V – 4.1.21
Temperatures
Junction Temperature TJ-40 – 150 °C – 4.1.16
Dynamic temperature increase 
while switching
ΔTJ––60 KSee Chapter 5.3 4.1.17
Storage Temperature TSTG -55 – 150 °C – 4.1.18
ESD Susceptibility
ESD susceptibility (all pins) VESD -2 – 2 kV HBM8) 4.1.19
ESD susceptibility OUT Pin vs. 
GND / VS
VESD -4 – 4 kV HBM8) 4.1.20
1) Not subject to production test, specified by design.
2) The device is mounted on a FR4 2s2p board according to Jedec JESD51-2,-5,-7 at natural convection.
3) VS(LD) is setup without DUT connected to the generator per ISO 7637-1.
4) In accordance to AEC Q100-012
5) In accordance to AEC Q100-012. Test aborted after 100,000 cycles. Short circuit conditions deviating from AEC Q100-012 
may influence the specified short circuit cycle number in the datasheet.
6) The total reverse current (sum of IGND, IIS and -IIN) is limited by -VS(REV)_max and RVS. 
7) TC ≤ 125°C
8) ESD susceptibility, HBM according to ANSI/ESDA/JEDEC JS-001
Table 2 Absolute Maximum Ratings (cont’d)1)
Tj = -40°C to +150°C; (unless otherwise specified)
Parameter Symbol Values Unit Note / 
Test Condition
Number
Min. Typ. Max.
 @neon
@neon
 
 
 
 
 
 
 
 
 
 
 
 
 
 
 
 
 
 
Data Sheet 10 Rev. 1.3, 2014-06-03
BTS50015-1TAA
General Product Characteristics
Figure 4 Maximum Single Pulse Current vs. Pulse Time, TJ ≤ 150°C, Tamb = 85°C
Above diagram shows the maximum single pulse current that can be driven for a given pulse time tpulse. The
maximum reachable current may be smaller depending on the current limitation level. Pulse time may be limited
due to thermal protection of the device.
0
50
100
150
200
250
1.0E-03 1.0E-02 1.0E-01 1.0E+00 1.0E+01
I
L,max
[A]
t
pulse
[sec]
 @neon,
@neon,
 
 
 
 
 
 
 
 
 
 
 
 
 
 
 
 
 
 
 
BTS50015-1TAA
General Product Characteristics
Data Sheet 11 Rev. 1.3, 2014-06-03
4.2 Functional Range
Note: Within the functional or operating range, the IC operates as described in the circuit description. The electrical 
characteristics are specified within the conditions given in the Electrical Characteristics table.
Table 3 Functional Range 
Parameter Symbol Values Unit Note / 
Test Condition
Number
Min. Typ. Max.
Nominal operating voltage VS(OP) 8 – 18 V – 4.2.1
Extended operating voltage VS(OP_EXT) 5.3 – 28 V 1)VIN ≥ 2.2V
IL ≤ IL(NOM)
TJ ≤ 25°C
Parameter 
deviations possible
1) Not subject to production test. Specified by design
4.2.2
5.5 – 28 V 1)VIN ≥ 2.2V
IL ≤ IL(NOM)
TJ = 150°C
Parameter 
deviations possible
Extended operating voltage 
contain short dynamic 
undervoltage capability
VS(DYN) 3.22)
2) TA = 25°C; RL = 0.5Ω; pulse duration 6ms; cranking capability is depending on load and must be verified under application 
conditions
–28 V
1)acc. to ISO7637 4.2.3
Undervoltage turn OFF 
voltage
VS(UV_OFF) ––4.5V
1)VIN ≥ 2.2V
RL = 270Ω
VS decreasing
See Figure 19
4.2.4
Undervoltage shutdown 
hysteresis
VS(UV)_HYS –500
1) –mVRL = 270Ω
See Figure 19
4.2.6
Slewrate at OUT |dVDS/dt| ––10
1) V/μs|VDS| < 3V
See Chapter 5.1.4
4.2.7
Drain to source voltage in 
OFF condition
VDS_OFF ––28V
1)VIN ≤ 0.8V 4.2.8
 @neon
@neon
 
 
 
 
 
 
 
 
 
 
 
 
 
 
 
 
 
Data Sheet 12 Rev. 1.3, 2014-06-03
BTS50015-1TAA
General Product Characteristics
4.3 Thermal Resistance
Note: This thermal data was generated in accordance with JEDEC JESD51 standards. For more information, go 
to www.jedec.org.
Figure 5 is showing the typical thermal impedance of BTS50015-1TAA mounted according to JEDEC JESD51-
2,-5,-7 at natural convection on FR4 1s0p and 2s2p boards.
Figure 5 Typical Transient Thermal Impedance Zth(JA)=f(time) for Different PCB Conditions
Table 4 Thermal Resistance
Parameter Symbol Values Unit Note / 
Test Condition
Number
Min. Typ. Max.
Junction to Case RthJC ––0.5K/W
1)
1) Not subject to production test, specified by design.
4.3.1
Junction to Ambient RthJA(2s2p) –20–K/W
1)2)
2)Specified RthJA value is according to Jedec JESD51-2,-5,-7 at natural convection on FR4 2s2p board; The Product 
(Chip+Package) was simulated on a 76.2 × 114.3 ×1.5 mm board with 2 inner copper layers (2 x 70μm Cu, 2 x 35μm Cu). 
Where applicable a thermal via array under the exposed pad contacted the first inner copper layer. TA=25°C. Device is 
dissipating 2W power.
4.3.2
Junction to Ambient RthJA –70–K/W
1)3)
3)Specified RthJA value is according to Jedec JESD51-2,-5,-7 at natural convection on FR4 1s0p board; the Product 
/Chip+Package) was simulated on a 76.2 x 114.3 x 1.5 mm board with only one top copper layer 1x70μm. TA=25°C. Device is 
dissipating 2W power. 
4.3.3
0.01
0.1
1
10
100
0.0001 0.001 0.01 0.1 1 10 100 1000
Time [s]
ZthJA [K/W]
JEDEC 1s0p
JEDEC 2s2p
 @neon
@neon
 
 
 
 
BTS50015-1TAA
Functional Description
Data Sheet 13 Rev. 1.3, 2014-06-03
5 Functional Description
5.1 Power Stage
The power stage is built by a N-channel power MOSFET (DMOS) with charge pump.
5.1.1 Output ON-State Resistance
The ON-state resistance RDS(ON) depends on the supply voltage as well as the junction temperature TJ.   Figure 31
shows the dependencies in terms of temperature and supply voltage, for the typical ON-state resistance. The
behavior in reverse polarity is described in Chapter 5.3.5.
A HIGH signal (see Chapter 5.2) at the input pin causes the power DMOS to switch ON with a dedicated slope,
which is optimized in terms of EMC emission.
5.1.2 Switching a Resistive Load
  Figure 6 shows the typical timing when switching a resistive load. The power stage has a defined switching
behavior. Defined slew rates results in lowest EMC emission at minimum switching losses.
Figure 6 Switching a Resistive Load:Timing 
The connection to the load as well as the load itself (if not purely resistive) bring an inductive component. For that
reason the drain to source voltage of the BTS50015-1TAA during switch off can differ compared to the pure
resistive load condition (see   Figure 7). It must be assured that under these conditions the drain to source voltage
does not exceed the VDS(CL)min. 
If VDS(CL)min is exceeded, a free wheeling path should be implemented following the recommendation provided in
the next chapter.
V
OUT
50% V
S
25% V
S
10% V
S
90% V
S
V
OUT
I
OUT
I
OUT
V
IN
V
IN
t
OFF_delay
t
OFF
t
ON_delay
t
ON
∆V/∆t
ON
∆V/∆t
OFF
 
 
 
 
 
 
 
 
 
 
 
 
 
 
 
 
 
 
 
 
 
 
 
 
 
Data Sheet 14 Rev. 1.3, 2014-06-03
BTS50015-1TAA
Functional Description
Figure 7 Effect of the wire inductance
5.1.3 Switching an Inductive Load
When switching OFF inductive loads with high side switches, the voltage VOUT is driven below ground potential,
due to the fact that the inductance intends to continue driving the current. To prevent the destruction of the device
due to high voltages, the device implements an overvoltage protection, which clamps the voltage between VS and
VOUT at VDS(CL) (see  Figure 8). 
Nevertheless it is not recommended to operate the device repetitively under this condition. Therefore, when driving
inductive loads, a free wheeling diode must be always placed.
Figure 8 Overvoltage Clamp
V
DS
I
L
V
DS
I
L
V
DS( CL)
V
DS(CL)
t
tt
t
Pure resistive load Resistive load with wire 
inductance
V
BAT
V
OUT
I
L
L, R
L
V
S
OUT
V
DS
LOGIC
IN
V
IN
Overvoltage 
clamp
R
VS
GND
 @neon,
@neon,
 
 
 
 
 
 
 
 
 
 
 
 
 
 
 
 
   
 
 
 
 
 
 
 
 
 
 
 
 
 
 
 
 
 
 
 
 
 
BTS50015-1TAA
Functional Description
Data Sheet 15 Rev. 1.3, 2014-06-03
Figure 9 Switching an Inductance with or without free wheeling diode
It is important to verify the effectiveness of the freewheeling solution (see   Figure 9), which means the selection
of the proper diode and of an appropriate free wheeling path. With regard to the choice of the free wheeling diode,
low threshold and fast response are key parameter to achieve an effective result.
Moreover the diode should be placed in order to have the shortest wire connection with the load (see   Figure 10).
Figure 10 Optimization of the free wheeling path
V
IN
V
OUT
I
L
V
S
V
S
-V
DS(CL)
t
t
t
V
IN
V
OUT
I
L
V
S
V
S
-V
DS(CL)
t
t
t
Without free wheeling diode With free wheeling diode
Inductive 
Load
Free Wheeling Diode
Free Wheeling Diode
Not optimized free wheeling path
Recommended free wheeling path
Inductive 
Load
BTS50015 -1TAA
BTS50015 -1TAA
 @neon
 
 
 
 
 
 
 
 
 
 
III—U
@neon
 
 
 
 
 
 
 
 
 
 
III—U
 
 
 
 
 
 
 
 
 
 
 
 
 
 
 
 
 
 
 
 
 
 
 
Data Sheet 16 Rev. 1.3, 2014-06-03
BTS50015-1TAA
Functional Description
5.1.4 Inverse Current Capability
In case of inverse current, meaning a voltage VOUT(INV) at the output higher than the supply voltage VS, a current
IL(INV) will flow from output to VS pin via the body diode of the power transistor (please refer to   Figure 11). In case
the IN pin is HIGH, the power DMOS is already activated and keeps ON. In case, the input goes from “L” to “H”,
the DMOS will be activated. Under inverse condition, the device is not overtemperature / overload protected. The
IS pin is high impedance. Due to the limited speed of INV comparator, the output voltage slope needs to be limited.
Figure 11 Inverse Current Circuitry
Figure 12 Inverse Behavior - Timing Diagram
5.1.5 PWM Switching
For PWM switching application, a tIN(RESETDELAY) parameter should be respected by defining the maximum PWM
frequency (see   Figure 22). The average power over time must be below the specified value (see paramater
4.1.15) and is defined as (see   Figure 13):
PTOT = (switching_ON_energy + switching_OFF_energy + IL2 * RDS(ON) * tDC) / period
For system with PWM switching, the maximum retry cycle (ffault) under fault condition should not be exceeded.
OUT
V
S
VBAT
I
L(INV)
OL 
comp.
VOUT (INV)
INV
Comp.
Gate
driver
GND
V
OUT
V
S
< t
p, IN V ,n o F AU L T
I
IS
I
IS(fault)
t
OFF (trip )
Internal Fault -flag set
t
t
V
OUT
V
S
> t
p, IN V ,n o F AU L T
I
IS
t
sIS(ON)_J
t
t
(a) Inverse spike during ON -mode 
for short times  (< t
p,INV,noFAULT
)
(b) Inverse spike during ON -mode 
for times  > t
p,INV ,noFAULT
V
OUT
V
S
I
IS
t
p, n o IN V, F AU L T
t
t
(c) Inverse spike during ON -mode with short 
circuit after leaving Inverse mode
I
IS(fault)
t
pIS(FAULT )
 @neon,
 
 
 
 
 
 
 
7777777 n nnnnnn
@neon,
 
 
 
 
 
 
 
7777777 n nnnnnn
 
 
 
 
 
 
 
 
 
 
 
 
BTS50015-1TAA
Functional Description
Data Sheet 17 Rev. 1.3, 2014-06-03
Figure 13 Switching in PWM
5.2 Input Pins
5.2.1 Input Circuitry
The input circuitry is compatible with 3.3V and 5V microcontrollers or can be directly driven by VS. The concept of
the input pin is to react to voltage threshold. With the Schmitt trigger, the output is either ON or OFF.   Figure 14
shows the electrical equivalent input circuitry.
Figure 14 Input Pin Circuitry
5.2.2 Input Pin Voltage
The IN uses a comparator with hysteresis. The switching ON / OFF takes place in a defined region, set by the
threshold VIN(L) Max and VIN(H) Min. The exact value where ON and OFF take place depends on the process, as
well as the temperature. To avoid cross talk and parasitic turn ON and OFF, an hysteresis is implemented. This
ensures immunity to noise.
V
IN
t
V
IN _ H
V
IN _ L
t
P
TOT
P
t
DC
IN
I
IN
R
VS
V
S
GND
 
 
 
 
 
 
 
 
 
 
 
 
 
 
 
 
 
 
 
 
 
 
 
 
 
 
 
 
Data Sheet 18 Rev. 1.3, 2014-06-03
BTS50015-1TAA
Functional Description
5.3 Protection Functions
The device provides embedded protective functions. Integrated protection functions are designed to prevent the
destruction of the IC from fault conditions described in the datasheet. Fault conditions are considered as “outside”
normal operating range. Protection functions are designed neither for continuous nor for repetitive operation.
  Figure 15 describes the typical functionality of the diagnosis and protection block.
Figure 15 Diagram of Diagnosis & Protection Block
5.3.1 Loss of Ground Protection
In case of loss of module or device ground, where the load remains connected to ground, the device protects itself
by automatically turning OFF (when it was previously ON) or remains OFF, regardless of the voltage applied on
IN pin. It is recommended to use input resistors between the microcontroller and the BTS50015-1TAA to ensure
switching OFF of channel. In case of loss of module or device ground, a current (IOUT(GND)) can flow out of the
DMOS.   Figure 16 sketches the situation.
Figure 16 Loss of Ground Protection with External Components
driver logic
RQ
SQ
ESD 
protection
V
S
R
IS
current
sense
OUT
I
IS ( fa u lt )
IS
V
IS 
I
L
GND
V
b,IS 
inverse comparator
VS
I
IS 
≥1
If V
OUT
< V
S(int ) 
-3V:
I
L
>I
CL
ϑ
j
>
ϑ
jT
&
IN
FAULT
V
DS 
(I
L
/dk
ILIS
) ± I
IS 0
R
VS
&
Driver
t
IN(RESET
DELAY)
30mV
Over -
current
V
S( in t)
2V
0
1
&
0
1
V
bat
Z
(AZ )G ND
R
VS
V
S
Logic
R
IS
R
IN
V
IN
Z
(AZ )I S
Z
(E SD -H)
IN
IS
OUT
GND
Z
(ESD-L)
 Ineon
Ineon
 
 
 
 
 
 
 
 
 
 
 
 
 
 
 
 
 
 
 
 
 
 
 
 
 
 
 
 
 
 
 
 
 
 
 
 
 
 
 
BTS50015-1TAA
Functional Description
Data Sheet 19 Rev. 1.3, 2014-06-03
5.3.2 Protection during Loss of Load or Loss of VS Condition
In case of loss of load with charged primary inductances the maximum supply voltage has to be limited. It is
recommended to use a Z-diode, a varistor or VS clamping power switches with connected loads in parallel. The
voltage must be limited according to the minimum value of the parameter 6.1.33 indicated in Table 6.
In case of loss of VS connection, the inductance of the wire and/or of the load should be taken into account and
should be demagnetized by providing a proper current path. It is recommended to protect the device using a zener
diode together with a(VZ1 + VD1 < 16V), as shown in   Figure 17.
For a proper restart of the device after loss of VS, the input voltage must be applied delayed to the supply voltage.
This can be realized by an capacitor between IN and GND (see   Figure 51).
For higher clamp voltages, currents through all pins have to be limited according to the maximum ratings. Please
see   Figure 17 and   Figure 18 for details.
Figure 17 Loss of VS
Figure 18 Loss of Load
R
VS
Logic
R
IN
R
IS
V
BAT
V
IN
R/L cable
V
S
OUT
IN IS GND
(A)
(B)
ext. components acc. 
to either (A) or (B) 
required, not both
Load
Z
1
D
1
Z
1
D
1
R
VS
Logic
R
IN
R
IS
V
BAT
V
IN
V
S
OUT
IN IS GND
L/R cable
R/L cable
Load
Z
2
 @neon
@neon
 
 
 
 
Data Sheet 20 Rev. 1.3, 2014-06-03
BTS50015-1TAA
Functional Description
5.3.3 Undervoltage Behavior
If the supply voltage is in the area below VS(UV_OFF), the device is OFF (turns OFF). As soon as the supply voltage
is above VS(OP_EXT)_min, the device will switch ON again.   Figure 19 sketches the undervoltage behavior.
Figure 19 Undervoltage Behavior
5.3.4 Overvoltage Protection
In case VS(SC)_max < VS < VDS(CL) , the device will switch ON/OFF as in nominal voltage range. Parameters may
deviate from the specified limits and the lifetime is reduced. 
The BTS50015-1TAA provides an overvoltage clamp functionality, which suppresses non nominal overvoltage
transients by actively clamping the voltage across the power stage (see Table 6, parameters 6.1.11). The
clamping voltage VDS(CL)is depending on the junction temperature Tj and load current IL (see   Figure 20 for
details).
A repetitive operation under clamping condition must be avoided.
V
OUT
V
S
V
S(UV_OFF)
V
IN
≥ 2.2V
V
S(OP_EXT)_min
 @neon
 
 
I
@neon
 
 
I
 
 
 
 
 
 
 
 
 
 
 
 
 
 
 
 
 
 
 
 
 
 
 
 
 
 
BTS50015-1TAA
Functional Description
Data Sheet 21 Rev. 1.3, 2014-06-03
Figure 20 Overvoltage Protection with External Components
5.3.5 Reverse Polarity Protection
In case of reverse polarity, the intrinsic body diode of the power DMOS causes power dissipation. To limit the risk
of overtemperature, the device provides Infineon® Reversave function. The power in this intrinsic body diode is
limited by turning the DMOS ON. The DMOS resistance is then equal to RDS(ON)_REV.
Additonally, the current into the logic has to be limited. The device includes a RVS resistor which limits the current
in the diodes. To avoid overcurrent in the RVS resistor, it is nevertheless recommended to use a RIN resistor. Please
refer to maximum current described in Chapter 4.1.   Figure 21 shows a typical application. RIS is used to limit the
current in the sense transistor which behaves as a diode.
The recommended typical values for RIN is 4.7kΩ and for RSENSE 1kΩ.
Figure 21 Reverse Polarity Protection with External Components
R
VS
Logic
R
IN
R
IS
V
BAT
V
IN
V
S
OUT
IN
IS GND
Z
(E SD- H)
Z
(AZ)IS
Z(
AZ)GND
Z
(ESD -L )
R
VS
R
IN
R
IS
-V
BAT
V
S
OUT
IN IS GND
Z
(ESD -H )
Z
(AZ)IS
Z(
AZ)GND
-I
L
-I
GND
-I
IS
I
IN
I
RVS
Re v.   ON
Micro-
controller
DOUT
GND
Z
(ESD-L)
 @neon,
@neon,
 
 
 
 
 
 
 
 
 
 
 
 
 
 
 
 
 
 
 
 
 
 
 
 
 
 
 
 
 
 
 
Data Sheet 22 Rev. 1.3, 2014-06-03
BTS50015-1TAA
Functional Description
5.3.6 Overload Protection
In case of overload, high inrush current or short circuit to ground, the BTS50015-1TAA offers several protection
mechanisms. Any protective switch OFF latches the output. To restart the device, it is necessary to set IN=LOW
for t > tIN(RESETDELAY). This behavior is known as latch behavior.   Figure 22 gives a sketch of the situation.
5.3.6.1 Activation of the Switch into Short Circuit (Short circuit Type 1)
When the switch is activated into short circuit, the current will raise until reaching the IL(TRIP) value. After tOFF(TRIP),
the device will turn OFF and latches until the IN pin is set to low for t > tIN(RESETDELAY). An undervoltage shutdown
will not reset the latched fault overcurrent. For overload (short circuit or overtemperature), the maximum retry cycle
(ffault) under fault condition must be considered.
5.3.6.2 Short Circuit Appearance when the Device is already ON (Short circuit Type 2)
When the device is in ON state and a short circuit to ground appears at the output (SC2) with a overcurrent higher
than IL(TRIP) for a time longer than tOFF(TRIP), the device automatically turns OFF and latches until the IN pin is set
to low for t > tIN(RESETDELAY). An undervoltage shutdown will not reset the latched fault overcurrent.
5.3.7 Temperature Limitation in the Power DMOS
The BTS50015-1TAA incorporates an absolute (TJ(TRIP)) temperature sensor. Activation of the sensor will cause
an overheated channel to switch OFF to prevent destruction. The device restarts when the IN pin is toggled and
the temperature has decreased below TJ(TRIP) - ΔTJ(TRIP). An undervoltage shutdown may not reset the fault over
temperature.
Figure 22 Overload Protection
IN
t
I
L
t
I
IS
t
0
I
IS(FAULT)
T
J
t
T
A
T
J(TRIP)
t
OFF (TRIP )
start
Input disable
Input disable
t
OFF ( TRIP)
t
IN(RESETDELAY)
Input dis able
I
IS(FAULT)
disable
I
IS(FAULT)
disable
I
IS ( F AU L T )
disable
Short Circuit 1
Short Circuit 2
Overtemperature
I
CL(0)
I
CL(1)
 @neon
@neon
 
BTS50015-1TAA
Functional Description
Data Sheet 23 Rev. 1.3, 2014-06-03
The current sense exact signal timing can be found in the Chapter 5.4. It is represented here only for device’s
behavior understanding.
In order to allow the device to detect overtemperature conditions and react effectively, it is recommended to limit
the power dissipation below PTOT (parameter 4.1.15).
 @neon,
@neon,
 
 
 
 
 
 
 
 
Data Sheet 24 Rev. 1.3, 2014-06-03
BTS50015-1TAA
Functional Description
5.4 Diagnostic Functions
For diagnosis purposes, the BTS50015-1TAA provides a combination of digital and analog signal at pin IS.
5.4.1 IS Pin
The BTS50015-1TAA provides an enhanced current sense signal called IIS at pin IS. As long as no “hard” failure
mode occurs (short circuit to GND / overcurrent / overtemperature) and the condition VIS ≤ VOUT - 5V is fulfilled, a
proportional signal to the load current (ratio kILIS = IL / IS) is provided. The complete IS pin and diagnostic
mechanism is described in   Figure 23. The accuracy of the sense current depends on temperature and load
current. In case of failure, a fixed IIS(FAULT) is provided. In order to enable the fault current reporting, the condition
VS - VOUT > 2V must be fulfilled. In order to get the fault current in the specified range, the condition VS - VIS ≥ 5V
must be fulfilled.
Figure 23 Diagnostic Block Diagram
5.4.2 SENSE Signal in Different Operation Mode
Table 5 Sense Signal, Function of Operation Mode1)
1) Z = High Impedance
Operation mode Input Level Output Level VOUT Diagnostic Output (IS)2)
2) See Chapter 5.4.3 for Current Sense Range and Improved Current Sense Accuracy
Normal operation LOW (OFF) ~ GND IIS(OFF)
Short circuit to GND GND Z
Overtemperature Z Z
Short circuit to VS VSZ
Open Load Z Z
Inverse current > VSZ
Normal operation HIGH (ON) ~ VSIIS = (IL / dkILIS) ± IIS0
Overcurrent condition < VSIIS = (IL / dkILIS) ± IIS0...IIS(FAULT)
Short circuit to GND ~ GND IIS(FAULT)
Overtemperature TJ(TRIP) event Z IIS(FAULT)
Short circuit to VS VSIIS = 0 ... IL / dkILIS ± IIS0
Open Load ~ VSIIS0
Inverse current > VSZ
V
s
I
IS(FAULT)
IS
0
1
FAULT
Z
IS(AZ)
R
VS
V
S
-V
OUT
>2 V
&
(I
L 
/ dk
ILIS
)± I
IS0
 infineon
 
 
 
/d kms (mln)
 
I i kins (WP)
 
 
r ' n15 (max)
’ /-:
infineon
 
 
 
/d kms (mln)
 
I i kins (WP)
 
 
r ' n15 (max)
’ /-:
 
 
 
 
 
 
 
 
 
 
 
 
 
 
 
BTS50015-1TAA
Functional Description
Data Sheet 25 Rev. 1.3, 2014-06-03
5.4.3 SENSE Signal in the Nominal Current Range
  Figure 24 and   Figure 25 show the current sense as function of the load current in the power DMOS. Usually,
a pull-down resistor RIS is connected to the current sense pin IS. A typical value is 1kΩ. The dotted curve
represents the typical sense current, assuming a typical dkILIS factor value. The range between the two solid
curves shows the sense accuracy the device is able to provide, at a defined current.
(1)
Where the definition of dkILIS is:
(2)
Figure 24 Current Sense for Nominal and Overload Condition
5.4.3.1 SENSE Signal Variation and calibration
In some application, an enhanced accuracy is required around the device nominal current range IL(NOM). To
achieve this accuracy requirement, a calibration on the application is possible. After two points calibration, the
BTS50015-1TAA will have a limited IIS value spread at different load currents and temperature conditions. The IIS
IIS
IL
dkILIS
--------------- IIS0
±=with IIS 0≥()
dkILIS
IL4IL1
–
IIS4IIS1
–
-----------------------=
I
L3
I
L4
I
L2
I
L1
I
IS0(max)
dk
ILIS (min)
dk
ILIS (typ)
dk
ILIS (max)
0
0.5
1
1.5
2
2.5
3
3.5
0 20 40 60 80 100 120 140 160
I
IS
(mA)
I
L
(A)
 @fineon
@fineon
 
 
 
 
 
 
 
Data Sheet 26 Rev. 1.3, 2014-06-03
BTS50015-1TAA
Functional Description
variation can be described with the parameters Δ(dkILIS(cal)) and the αIS0. The blue solid line in   Figure 25 is the
current sense ratio after the two point calibration. The slope of this line is defined as follow:
(3)
The bluish in area in   Figure 25 is the range where the current sense ratio can vary after performing the
calibration. The accuracy of the load current sensing is improved and, given a sense current value IIS(measured
in the application), the load current can be calculated as follow:
(4)
where dkILIS(cal) is the current sense ratio measured after two-points calibration (defined in Equation (3)), IIS0(cal) is
the current sense offset (calculated after two points calibration, see Equation (5)), Tx is the operating temperature,
and Tcal is temperature at which the calibration is performed (25°C). The Equation (4) actually provides two values
for load current, considering that Δ(dkILIS(cal)) can be both positive and negative (see parameter 6.1.47 in Table 6 ).
(5)
Figure 25 Improved Current Sense Accuracy after 2-Point Calibration 
1
dkKILIS cal()
-----------------------------IScal()2IScal()1
–
ILcal()2ILcal()1
–
-----------------------------------------=
ILdkILIS cal()1ΔdkILIS cal()
()
100
----------------------------------+
⎝⎠
⎛⎞
IIS
IIS0cal()
1αIS0TxTcal
–()+
-----------------------------------------------–
⎝⎠
⎛⎞
⋅⋅=
IIS0(cal) IScal()1
ILcal()1
dkILIS cal()
-------------------------–IScal()2
ILcal()2
dkILIS cal()
-------------------------–==
I
IS
I
L
Calibration points
I
IS(cal)1
I
L(cal)2
I
L(cal)1
8%
I
IS(cal)2
I
IS0(cal)
8%
ILIS(cal)
dk
1
I
IS
I
L
 @neon
@neon
 
 
 
 
 
 
 
 
 
BTS50015-1TAA
Functional Description
Data Sheet 27 Rev. 1.3, 2014-06-03
5.4.3.2 SENSE Signal Timing
  Figure 26 shows the timing during settling and disabling of the sense.
Figure 26 Fault Acknowledgement
5.4.3.3 SENSE Signal in Case of Short Circuit to VS
In case of a short circuit between OUT and VS pin, a major part of the load current will flow through the short circuit.
As a result, a lower current compared to the nominal operation will flow through the DMOS of the BTS50015-1TAA,
which can be recognized at the current sense signal.
5.4.3.4 SENSE Signal in Case of Over Load
An over load condition is defined by a current flowing out of the DMOS reaching the current over load ICL or the
junction temperature reaches the thermal shutdown temperature TJ(TRIP). Please refer to Chapter 5.3.6 for details.
In that case, the SENSE signal will be in the range of IIS(FAULT) when the IN pin stays HIGH.
This is a device with latch function. The state of the device will remain and the sense signal will remain on IIS(FAULT)
until a reset signal comes from the IN pin. For example, when a thermal shutdown happened, even the over
temperature condition was disappeared, the DMOS can only be reactivated when a reset signal is send to the IN
pin.
t
t
t
t
V
IN
Short /
Overtemp.
V
OUT
I
IS
I
IS 1.. 4
I
IS(fault)
latch no
reset 
reset 
t
OF F
<t
IN (RESETDELAY)
t
OF F
>t
IN (RESETDELAY)
3V
I
IS ( fa ult )
I
IS 1 .. 4
t
t
t
t
V
IN
Short 
circuit
V
OUT
I
IS
V
OUT
I
L
I
IS
t
ON
90% of 
I
L
 static
t
sIS(ON)
90% of 
I
S
 static
t
pIS (O N)_90
V
IN
t
t
t
t
t
pIS(FAU LT)
t
sIS(ON)_J
 @neon,
 
 
 
 
\v
 
1/
@neon,
 
 
 
 
\v
 
1/
 
 
 
 
 
 
 
 
 
 
 
 
 
 
 
Data Sheet 28 Rev. 1.3, 2014-06-03
BTS50015-1TAA
Electrical characteristics BTS50015-1TAA
6 Electrical characteristics BTS50015-1TAA
6.1 Electrical Characteristics Table
Table 6 Electrical Characteristics: BTS50015-1TAA
VS = 8 V to 18 V, Tj = -40°C to +150°C (unless otherwise specified)
For a given temperature or voltage range, typical values are specified at VS = 13.5V, TJ = 25°C
Parameter Symbol Values Unit Note / 
Test Condition
Number
Min. Typ. Max.
Operating and Standby Currents
Operating current (channel 
active)
IGND –1.23mAVIN ≥ 2.2V 6.1.1
Standby current for whole 
device with load at ambient
IS(OFF) –718μA1)VS = 18V
VOUT = 0V
VIN ≤ 0.8V
TJ ≤ 85°C
See Figure 27
See Figure 28
6.1.2
Maximum standby current for 
whole device with load at max 
junction
IS(OFF) – 30 1000 μAVS = 18V
VOUT = 0V
VIN ≤ 0.8V
TJ ≤ 150°C
See Figure 27
See Figure 28
6.1.3
Power Stage
ON state resistance in 
forward condition
RDS(ON) –2.13mΩIL = 135A
VIN ≥ 2.2V
TJ = 150°C
See Figure 31
6.1.4
ON state resistance in 
forward condition, Low 
battery voltage
RDS(ON) –510mΩIL = 20A
VIN ≥ 2.2V
VS = 5.5V
TJ = 150°C
See Figure 33
6.1.5
ON state resistance in 
forward condition
RDS(ON) –1.5–mΩ1)IL = 135A
VIN ≥ 2.2V
TJ = 25°C
See Figure 31
6.1.6
ON state resistance in 
inverse condition
RDS(ON)_INV –2.13.1mΩIL = -135A
VIN ≥ 2.2V
TJ = 150°C
See Figure 11
6.1.7
ON state resistance in 
inverse condition
RDS(ON)_INV –1.5–mΩ1)IL = -135A
VIN ≥ 2.2V
TJ = 25°C
See Figure 11
6.1.8
 @neon,
@neon,
 
 
 
 
 
 
 
 
 
 
 
 
 
 
 
 
 
 
 
 
 
 
 
BTS50015-1TAA
Electrical characteristics BTS50015-1TAA
Data Sheet 29 Rev. 1.3, 2014-06-03
Nominal load current IL(NOM) 33 39 – A TA = 85°C2)
TJ ≤ 150°C
6.1.9
Drain to source clamp voltage 
VDS(CL) = VS - VOUT
VDS(CL) 28 – 60 V IDS = 50mA
See Figure 39
6.1.11
Output leakage current at 
ambient
IL(OFF) –315μA1)VIN ≤ 0.8V
VOUT = 0V
TJ ≤ 85°C
6.1.13
Output leakage current at 
max junction temperature
IL(OFF) – 30 1000 μAVIN ≤ 0.8V
VOUT = 0V
TJ = 150°C
6.1.14
Turn ON Slew rate
VOUT = 25% to 50% VS
dV/dtON 0.05 0.23 0.5 V/μsRL = 0.5Ω
VS = 13.5V
See Figure 6
See Figure 33
See Figure 34
See Figure 35
See Figure 36
6.1.15
Turn OFF Slew rate
VOUT = 50% to 25% VS
-dV/dtOFF 0.05 0.25 0.55 V/μs6.1.16
Turn ON time to
VOUT = 90% VS
tON – 220 700 μs6.1.17
Turn OFF time to
VOUT = 10% VS
tOFF – 300 700 μs6.1.18
Turn ON time to
VOUT = 10% VS
tON_delay –80150μs6.1.19
Turn OFF time to
VOUT = 90% VS
tOFF_delay – 230 500 μs6.1.20
Switch ON energy EON –7–mJ
1)RL = 0.5Ω
VS = 13.5V
See Figure 37
6.1.21
Switch OFF energy EOFF –5–mJ
1)RL = 0.5Ω
VS = 13.5V
See Figure 38
6.1.22
Table 6 Electrical Characteristics: BTS50015-1TAA (cont’d)
VS = 8 V to 18 V, Tj = -40°C to +150°C (unless otherwise specified)
For a given temperature or voltage range, typical values are specified at VS = 13.5V, TJ = 25°C
Parameter Symbol Values Unit Note / 
Test Condition
Number
Min. Typ. Max.
 @neon,
@neon,
 
 
 
 
 
 
 
 
 
 
 
 
 
 
 
 
 
 
 
 
 
 
 
Data Sheet 30 Rev. 1.3, 2014-06-03
BTS50015-1TAA
Electrical characteristics BTS50015-1TAA
Input Pin
LOW level input voltage VIN(L) – – 0.8 V See Figure 41 6.1.23
HIGH level input voltage VIN(H) 2.2 – – V See Figure 42 6.1.24
Input voltage hysteresis VIN(HYS) – 200 – mV 1) 6.1.25
LOW level input current IIN(L) 8––μAVIN = 0.8V 6.1.26
HIGH level input current IIN(H) ––80μAVIN ≥ 2.2V 6.1.27
Protection: Loss of ground
Output leakage current while 
module GND disconnected
IOUT(GND_M) 0 30 1000 μA1)3)VS = 18V
VOUT = 0V
IS & IN pins open
GND pin open
TJ = 150°C
See Figure 16
6.1.28
Output leakage current while 
device GND disconnected
IOUT(GND) 0 30 1000 μAVS = 18V
GND pin open
VIN ≥ 2.2V
1kΩ pull down 
from IS to GND
4.7kΩ to IN pin
TJ = 150°C
See Figure 16
See Figure 43
6.1.29
Protection: Reverse polarity
ON state resistance in 
Infineon® Reversave
RDS(ON)_REV ––3.2mΩVS = 0V
VGND =VIN =16V
IL = -20A
TJ = 150°C
See Figure 21
6.1.30
ON state resistance in 
Infineon® Reversave
RDS(ON)_REV –1.5–mΩ1)VS = 0V
VGND =VIN =16V
IL = -20A
TJ = 25°C
See Figure 46
6.1.31
Integrated resistor RVS –6090ΩTJ = 25°C 6.1.32
Table 6 Electrical Characteristics: BTS50015-1TAA (cont’d)
VS = 8 V to 18 V, Tj = -40°C to +150°C (unless otherwise specified)
For a given temperature or voltage range, typical values are specified at VS = 13.5V, TJ = 25°C
Parameter Symbol Values Unit Note / 
Test Condition
Number
Min. Typ. Max.
 @neon,
 
 
 
 
 
 
 
 
 
 
 
 
 
 
 
 
 
\v
 
\v
 
 
 
 
 
 
 
 
\v
@neon,
 
 
 
 
 
 
 
 
 
 
 
 
 
 
 
 
 
\v
 
\v
 
 
 
 
 
 
 
 
\v
 
 
BTS50015-1TAA
Electrical characteristics BTS50015-1TAA
Data Sheet 31 Rev. 1.3, 2014-06-03
Protection: Overvoltage
Overvoltage protection
GND pin to VS
VS(AZ)_GND 64 70 80 V See Figure 20
See Figure 40
6.1.33
Overvoltage protection
IS pin to VS
VS(AZ)_IS 64 70 80 V GND and IN pin 
open
See Figure 20
See Figure 40
6.1.34
Protection: Overload
Current trip detection level ICL(0) 135 175 – A VS = 13.5V, static
TJ = 150°C
See Figure 22
6.1.35
ICL(0) 145 185 – A VS = 13.5V, static
TJ = -40...25°C
See Figure 22
Current trip maximum level ICL(1) – 190 250 A 1)VS = 13.5V
dIL/dt = 1A/μs
See Figure 44
Overload shutdown delay 
time
tOFF(TRIP) –12–μs1) 6.1.36
Thermal shutdown 
temperature
TJ(TRIP) 150 1701) 2001) °C See Figure 22 6.1.37
Thermal shutdown hysteresis
Δ
TJ(TRIP) –10–K
1) 6.1.38
Diagnostic Function: Sense pin
Sense signal current in fault 
condition
IIS(FAULT) 468mAVIN = 4.5V
VS - VIS ≥ 5V
6.1.40
Diagnostic Function: Current sense ratio signal in the nominal area, stable current load condition
Current sense differential 
ratio
dkILIS 43700 51500 58200 – IL4 = 135A
IL1 = 20A
See Equation (2)
6.1.41
Current sense
IL = IL0 = 50mA
IIS0 –1200μAVIN ≥ 2.2V
VS - VIS ≥ 5V 
TJ = -40°C
See Figure 24
6.1.42
–1150μAVIN ≥ 2.2V
VS - VIS ≥ 5V 
TJ ≥25°C
See Figure 24
Current sense
IL = IL1 = 20A
IIS1 190 390 650 μAVIN ≥ 2.2V
VS - VIS ≥ 5V 
See Figure 24
6.1.43
Current sense
IL = IL2 = 40A
IIS2 530 780 1110 μA6.1.44
Table 6 Electrical Characteristics: BTS50015-1TAA (cont’d)
VS = 8 V to 18 V, Tj = -40°C to +150°C (unless otherwise specified)
For a given temperature or voltage range, typical values are specified at VS = 13.5V, TJ = 25°C
Parameter Symbol Values Unit Note / 
Test Condition
Number
Min. Typ. Max.
 @neon,
@neon,
 
 
 
 
 
 
 
 
 
 
 
 
 
 
 
 
 
 
 
 
 
 
 
 
 
 
Data Sheet 32 Rev. 1.3, 2014-06-03
BTS50015-1TAA
Electrical characteristics BTS50015-1TAA
Current sense
IL = IL3 = 80A
IIS3 1.22 1.55 2.02 mA VIN ≥ 2.2V
VS - VIS ≥ 5V 
See Figure 24
6.1.45
Current sense
IL = IL4 = 135A
IIS4 2.16 2.60 3.28 mA 6.1.46
Current sense ratio spread 
over temperature and 
repetitive pulse operation 
lafter 2-points calibration
Δ(
dkILIS(cal)
)
–±8–%
1)See Figure 25 6.1.47
Temperature coefficient for 
IIS0(cal)
αIS0 –3.8–‰/K
1)see 
Equation (4) and 
Equation (5)
6.1.54
Diagnostic Function: Diagnostic timing in normal condition
Current sense propagation 
time until 90% of IIS stable 
after positive input slope on 
IN pin
tpIS(ON)_90 0–700μsVIN ≥ 2.2V
VS = 13.5V
RL = 0.5Ω
See Figure 26
6.1.48
Current sense settling time to 
IIS stable after positive input 
slope on IN pin
tsIS(ON) – – 3000 μsVIN ≥ 2.2V
VS = 13.5V
RL = 0.5Ω
See Figure 26
6.1.49
IIS leakage current when IN 
disabled
IIS(OFF) 00.051μAVIN ≤ 0.8V
RIS =1kΩ
6.1.50
Current sense propagation 
time after load jump during 
ON condition
tsIS(ON)_J – 350 – μs1)VIN ≥ 2.2V
dIL/dt = 0.4A/μs
6.1.51
Diagnostic Function: Diagnostic timing in overload condition
Current sense propagation 
time for short circuit detection
tpIS(FAULT) 0–100μs1)VIN ≥ 2.2V
from VOUT= VS-3V 
to IIS(FAULT)_min
See Figure 26
6.1.52
Delay time to reset fault 
signal at IS pin after turning 
OFF VIN
tIN(RESETDELAY) 250 1000 1500 μs1) 6.1.53
Timing: Inverse Behavior
Propagation time from 
VOUT > VS to fault disable
tp,INV,noFAULT –4–μs1)See Figure 12 6.1.55
Propagation time from 
VOUT < VS to fault enable
tp,noINV,FAULT –10–μs1)See Figure 12 6.1.56
1) Not subject to production test, specified by design
2) Value is calculated from the parameters typ. RthJA(2s2p), with 65K temperature increase, typ. and max. RDS(ON)
3) All pins are disconnected except VS and OUT
Table 6 Electrical Characteristics: BTS50015-1TAA (cont’d)
VS = 8 V to 18 V, Tj = -40°C to +150°C (unless otherwise specified)
For a given temperature or voltage range, typical values are specified at VS = 13.5V, TJ = 25°C
Parameter Symbol Values Unit Note / 
Test Condition
Number
Min. Typ. Max.
 @neon
 
 
 
 
 
 
 
 
 
 
 
 
,E /
,5 /
K
I
I
/ /
g:
@neon
 
 
 
 
 
 
 
 
 
 
 
 
,E /
,5 /
K
I
I
/ /
g:
 
 
 
 
 
 
 
 
 
 
 
 
 
 
 
 
 
 
 
 
 
 
 
 
 
 
 
 
 
 
 
 
 
 
 
 
 
 
 
 
 
 
 
 
 
 
 
 
 
BTS50015-1TAA
Electrical characteristics BTS50015-1TAA
Data Sheet 33 Rev. 1.3, 2014-06-03
6.2 General Product Characteristics
Typical Performance Characteristics
Figure 27 Standby Current for Whole Device with 
Load, IS(OFF) = f(VS, TJ)
Figure 28 Standby Current for Whole Device with 
Load, IS(OFF) = f(TJ) at VS = 13.5V
Figure 29 GND Leakage Current
IGND(OFF) = f(VS, TJ)
Figure 30 GND Leakage Current
IGND(OFF) = f(TJ) at VS = 13.5V
0
5
10
15
20
25
30
35
40
0 102030
V
S
[V]
I
S(OFF)
[µA]
-40°C
0°C
25°C
85°C
100°C
125°C
150°C
0
5
10
15
20
25
30
-40 -20 0 20 40 60 80 100 120 140 160
I
S(OFF)
[µA]
T
J
[
o
C]
0
0.5
1
1.5
2
2.5
3
3.5
4
0 5 10 15 20 25 30
V
S
[V]
IGND(OFF)
-40°C
0°C
25°C
85°C
100°C
125°C
150°C
[µA]
0
0.5
1
1.5
2
2.5
3
3.5
4
-40-20 0 20406080100120140160
I
GND(OFF)
[µA]
T
J
[
o
C]
 @neon
@neon
 
 
 
 
 
 
 
 
 
 
 
 
 
 
 
 
 
 
 
 
 
 
 
 
 
 
 
 
 
Data Sheet 34 Rev. 1.3, 2014-06-03
BTS50015-1TAA
Electrical characteristics BTS50015-1TAA
Figure 31 ON State Resistance
RDS(ON) = f(VS, TJ), IL = 20A ... 135A
Figure 32 ON State Resistance
RDS(ON) = f(TJ),VS = 13.5V,IL = 20A...135A
Figure 33 Turn ON Time
tON = f(VS, TJ), RL = 0.5Ω
Figure 34 Turn OFF Time
tOFF = f(VS, TJ), RL = 0.5Ω
0
0.5
1
1.5
2
2.5
3
3.5
4
4.5
5
5 7 9 11 13 15
V
S
[V]
R
DS(ON )
[mΩ]
-40°C
25°C
150°C
0
0.5
1
1.5
2
2.5
-40-20 0 20406080100120140160
T
J
 [°C]
R
DS(ON)
 [mΩ]
0
200
400
600
800
1000
1200
0 5 10 15 20 25 30
VS[V]
tON [µs]
-40°C
25°C
150°C
0
50
100
150
200
250
300
350
400
450
0 5 10 15 20 25 30
VS[V]
tOFF [µs]
-40°C
25°C
150°C
 @neon
 
 
 
 
 
 
 
 
 
 
 
 
 
 
 
 
 
 
 
 
 
 
 
 
 
 
 
 
 
 
 
 
 
 
 
 
 
 
 
 
 
 
 
 
 
 
 
 
 
 
 
 
 
 
 
 
 
 
 
 
 
 
 
 
 
 
 
 
 
 
 
 
 
 
 
\\
\\
@neon
 
 
 
 
 
 
 
 
 
 
 
 
 
 
 
 
 
 
 
 
 
 
 
 
 
 
 
 
 
 
 
 
 
 
 
 
 
 
 
 
 
 
 
 
 
 
 
 
 
 
 
 
 
 
 
 
 
 
 
 
 
 
 
 
 
 
 
 
 
 
 
 
 
 
 
\\
\\
 
 
 
 
 
 
 
 
 
BTS50015-1TAA
Electrical characteristics BTS50015-1TAA
Data Sheet 35 Rev. 1.3, 2014-06-03
Figure 35 Slew Rate at Turn ON
dV / tON = f(VS, TJ), RL = 0.5Ω
Figure 36 Slew Rate at Turn OFF
dV / tOFF = f(VS, TJ), RL = 0.5Ω
Figure 37 Switch ON Energy
EON = f(VS, TJ), RL = 0.5Ω
Figure 38 Switch OFF Energy
EOFF = f(VS, TJ), RL = 0.5Ω
0
0.1
0.2
0.3
0.4
0.5
0.6
0.7
0.8
0.9
0 5 10 15 20 25 30
V
S
[V]
dV/dt
ON
[V/µs]
-40°C
25°C
150°C
0
0.1
0.2
0.3
0.4
0.5
0.6
0.7
0.8
0.9
0 5 10 15 20 25 30
V
S
[V]
dV/dt
OFF
[V/µs]
-40°C
25°C
150°C
0
5
10
15
20
25
30
35
40
0 5 10 15 20 25 30
V
S
[V]
E
ON
[mJ]
-40°C
25°C
150°C
0
5
10
15
20
25
30
35
40
0 5 10 15 20 25 30
V
S
[V]
E
OFF
[mJ]
-40°C
25°C
150°C
 @neon
@neon
 
 
 
 
 
 
 
 
 
 
 
 
 
 
 
 
 
 
 
 
 
 
 
 
 
 
 
 
 
 
 
 
 
 
 
 
 
 
 
 
 
 
 
Data Sheet 36 Rev. 1.3, 2014-06-03
BTS50015-1TAA
Electrical characteristics BTS50015-1TAA
Figure 39 Drain to Source Clamp Voltage
VDS(CL) = f(TJ), IL = 50mA
Figure 40 Overvoltage Protection
VS(AZ)_GND = f(TJ), VS(AZ)_IS = f(TJ)
Figure 41 LOW Level Input Voltage
VIN(L) = f(VS, TJ)
Figure 42 HIGH Level Input Voltage
VIN(H) = f(VS, TJ)
30
32
34
36
38
40
42
44
-40 -20 0 20 40 60 80 100 120 140 160
T
J
 [°C]
V
DS(CL)
 [V]
60
62
64
66
68
70
72
74
76
78
80
-40 -20 0 20 40 60 80 100 120 140 160
T
J
 [°C]
V
S(AZ)_GND
, V
S(AZ)_IS
 [V]
0
0.2
0.4
0.6
0.8
1
1.2
1.4
1.6
1.8
0 5 10 15 20 25 30
V
S
[V]
V
IN(L)
[V]
-40°C
25°C
150°C
0
0.2
0.4
0.6
0.8
1
1.2
1.4
1.6
1.8
0 5 10 15 20 25 30
V
S
[V]
V
IN(H)
[V]
-40°C
25°C
150°C
 @neon
@neon
 
 
 
 
 
 
 
 
 
 
 
 
 
 
 
 
 
 
 
 
 
 
 
 
 
 
 
 
 
 
 
 
 
 
 
 
 
 
 
 
 
 
 
 
 
 
 
 
 
 
 
 
 
 
 
 
BTS50015-1TAA
Electrical characteristics BTS50015-1TAA
Data Sheet 37 Rev. 1.3, 2014-06-03
Figure 43 Output Leakage Current while Device 
GND Disconnected, IOUT(GND) = f(VS, TJ)
Figure 44 Overload Detection Current
ICL(1) = f(dIL/dt, TJ), VS = 13.5V
Figure 45 Resistance in Reversave
RDS(ON)_REV = f(VS, TJ), IL = -120A
Figure 46 Resistance in Reversave
RDS(ON)_REV = f(VS, TJ), IL = -20A
0
5
10
15
20
25
0 5 10 15 20 25 30
V
S
[V]
I
OUT(GND)
[µA]
-40°C
25°C
150°C
0
50
100
150
200
250
300
350
400
0246810
dI
L
/dt [A/µs]
I
CL(1)
[A]
-40°C
25°C
150°C
0
2
4
6
8
10
12
14
16
4 6 8 10 12 14 16 18
V
S
[V]
R
DS(ON)_REV
[mΩ]
-40°C
25°C
150°C
0
2
4
6
8
10
12
14
16
4 6 8 1012141618
V
S
 [V]
R
DS(ON)_REV
 [mΩ]
-40°C
25°C
150°C
 @neon
@neon
 
 
 
 
 
 
 
 
 
 
 
 
 
 
 
 
Data Sheet 38 Rev. 1.3, 2014-06-03
BTS50015-1TAA
Electrical characteristics BTS50015-1TAA
Figure 47 Input Current IIN = f(TJ)
VS = 13.5V; VIN(L) = 0.8V; VIN(H) = 5.0V
Figure 48 Input Current IIN = f(VIN, TJ)
VS =13.5V
Figure 49 GND current IGND = f(VS, TJ)
VIN = 2.2V
0
10
20
30
40
50
60
-40 -20 0 20 40 60 80 100 120 140 160
T
J
 [°C]
I
IN
 [µA]
IIN( L)
IIN( H)
0
10
20
30
40
50
60
02468101214
V
IN
 [V]
I
IN
 [µA]
-40°C
25°C
150°C
0.0
0.2
0.4
0.6
0.8
1.0
1.2
1.4
1.6
4 8 12 16 20 24 28
V
S
 [V]
I
GND
 [mA]
-40°C
25°C
150°C
 @neon
@neon
 
 
 
 
 
 
 
 
 
 
 
 
 
 
 
 
 
 
 
 
 
 
 
 
 
 
 
 
 
 
 
 
 
 
 
 
BTS50015-1TAA
Package Outlines
Data Sheet 39 Rev. 1.3, 2014-06-03
7 Package Outlines
Figure 50 PG-TO-263-7-8 (RoHS-Compliant)
Green Product (RoHS compliant)
To meet the world-wide customer requirements for environmentally friendly products and to be compliant with
government regulations the device is available as a green product. Green products are RoHS-Compliant (i.e
Pb-free finish on leads and suitable for Pb-free soldering according to IPC/JEDEC J-STD-020).
Dimensions in mm
±0.2
GPT09063
10
8.5 1)
(15)
±0.2
9.25 ±0.3
1
0...0.15
6 x 0.6 ±0.1
±0.1
1.27
4.4
B
0.5
±0.1
±0.3
2.7
4.7±0.5
±0.3
1.3
2.4
Typical
Metal surface min. X = 7.25, Y = 6.9
All metal surfaces tin plated, except area of cut.
1)
0.1 B
0...0.3 A
7.551)
6 x 1.27 M
0.25 AB
0.1
0.05
8˚ MAX.
For further information on alternative packages, please visit our website: 
http://www.infineon.com/packages.
 @neon,
@neon,
 
 
 
 
 
 
 
 
 
 
 
 
 
 
 
 
 
 
 
 
 
 
 
 
 
 
 
 
Data Sheet 40 Rev. 1.3, 2014-06-03
BTS50015-1TAA
Application Information
8 Application Information
Note: The following information is given as a hint for the implementation of the device only and shall not be 
regarded as a description or warranty of a certain functionality, condition or quality of the device.
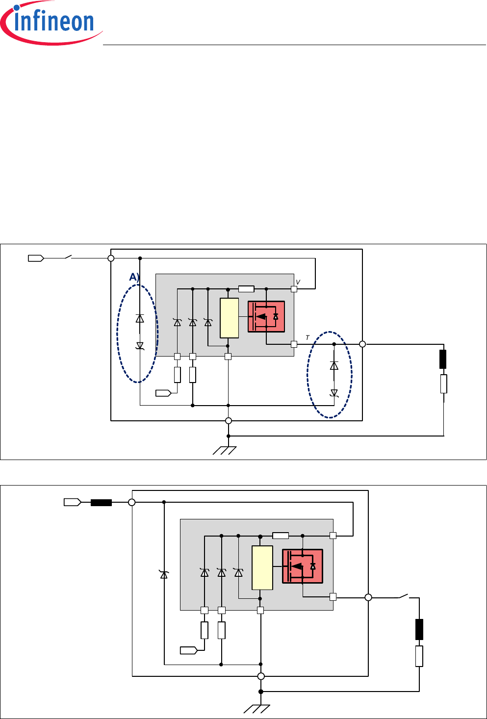
Figure 51 Application Diagram with BTS50015-1TAA
Note: This is a very simplified example of an application circuit. The function must be verified in the real application.
Note: This application circuit is valid only if the device does not enter the clamping mode, otherwise the 
recommendation in  Figure 52 are valid.
Table 7 Bill of material
Reference Value Purpose
RIN 4.7kΩProtection of the microcontroller during overvoltage, reverse polarity
allows BTS50015-1TAA channels OFF during loss of ground
RIS 1kΩSense resistor
RSENSE 4.7kΩProtection of the microcontroller during overvoltage
Protection of the BTS50015-1TAA during reverse polarity
ZaZener diode Protection of the BTS50015-1TAA during loss of load with primary charged 
inductance, see Chapter 5.3.2
ZbZener diode Protection of the BTS50015-1TAA during loss of battery or against huge 
negative pulse at OUT (like ISO pulse 1), see Chapter 5.3.2
CSENSE 10nF Sense signal filtering
CVS1 100nF Improved EMC behavior (in layout, pls. place close to the pins) 
OUT
P5.x 
(A/D)
Vss
Vdd_p
XC2x
(P11_MR)
R
IN
IN
IS GND
OUT
V
s
V
BAT
V
DD
C
SENSE
R
SENSE
R
IS
C
OUT
C
VS1
C
IN
Module 
ground
Module ground
Zb
Za
C
VS2
Rcable
Load
Lcable
R
ECU
L
ECU
R/L supply
 @neon,
@neon,
 
 
 
 
 
 
 
 
 
 
 
 
 
 
 
 
 
 
 
 
 
 
 
 
 
 
 
 
 
 
 
 
 
 
 
 
 
BTS50015-1TAA
Application Information
Data Sheet 41 Rev. 1.3, 2014-06-03
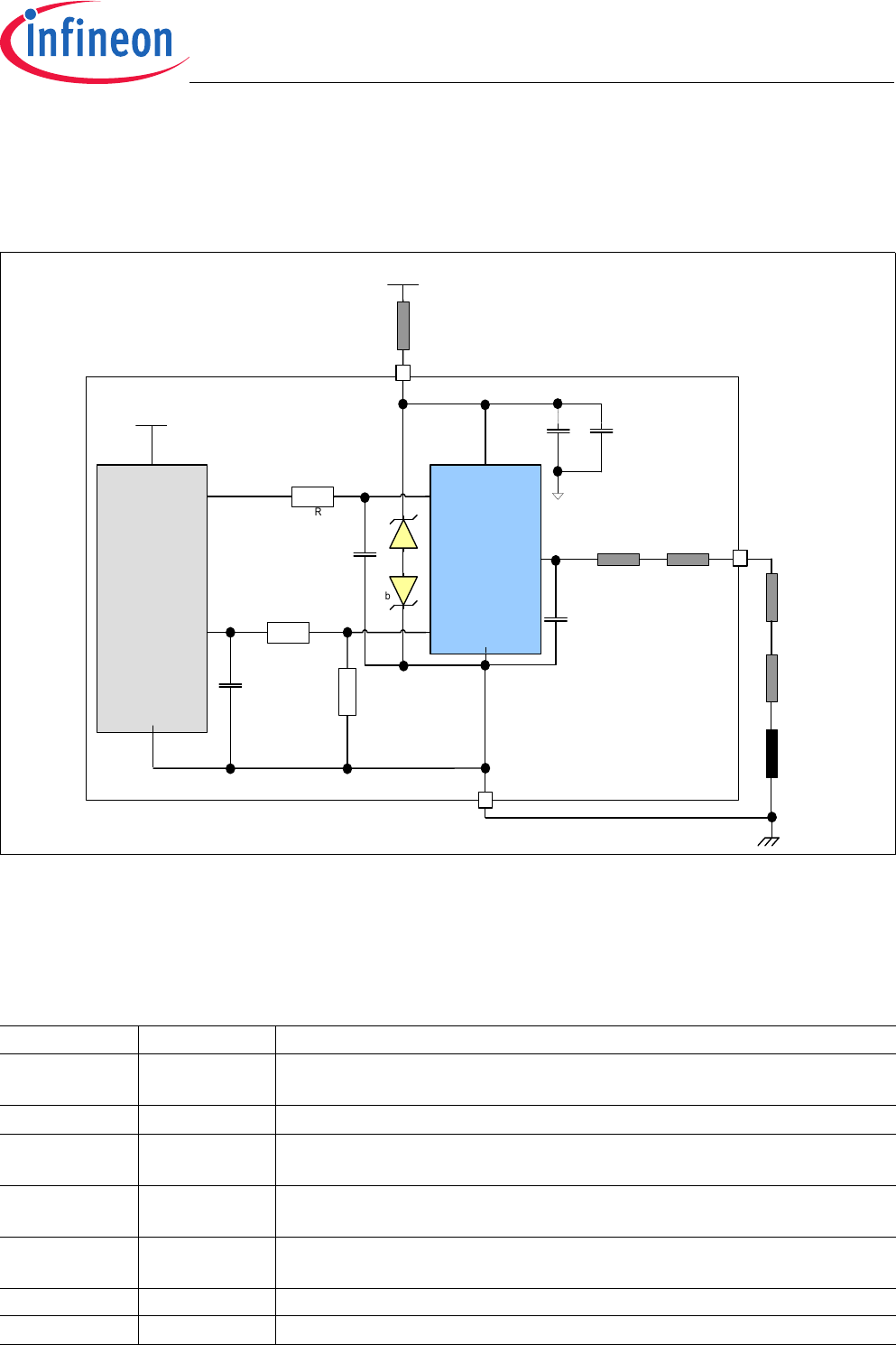
Figure 52 Application Diagram with BTS50015-1TAA
Note: This is a very simplified example of an application circuit. The function must be verified in the real application.
Note: This application circuit is valid also every time the device enters the clamping mode, although it is not driving 
a pure inductive load.
CVS2 10μF to 22μF Suppression of transient over voltages exceeding 4.2.8
COUT 10nF Improved EMC behavior (in layout, pls. place close to the pins)
CIN 150nF BTS50015-1TAA tends to latched switch-off due to short negative transients 
on supply pin; CIN automatically resets the device
Table 8 Bill of material
Reference Value Purpose
RIN 4.7kΩProtection of the microcontroller during overvoltage, reverse polarity
allows BTS50015-1TAA channels OFF during loss of ground
RIS 1kΩSense resistor
RSENSE 4.7kΩProtection of the microcontroller during overvoltage
Protection of the BTS50015-1TAA during reverse polarity
ZaZener diode Protection of the BTS50015-1TAA during loss of load with primary 
charged inductance, see Chapter 5.3.2
Table 7 Bill of material
Reference Value Purpose
OUT
P5.x (A/D)
Vss
Vdd_p
XC2x
(P11_MR)
RIN
IN
IS GND
OUT
Vs
VBAT
VDD
C
SENSE
RSENSE
RIS
R/L supply
R/L cable
inductive load
C
OUT
C
VS1
C
IN
Z1
Z2
Z1
D
G
S
Options for free wheeling 
path of inductive load
Option
A
Option
B
Optional:
MOSFET to block 
reverse current  
Module 
ground
Module ground
T1
Zb
Za
C
VS2
 @neon,
@neon,
 
 
 
 
 
 
 
 
 
 
 
 
 
Data Sheet 42 Rev. 1.3, 2014-06-03
BTS50015-1TAA
Application Information
ZbZener diode Protection of the BTS50015-1TAA during loss of battery or against 
negative huge pulses at OUT (like ISO pulse 1), see Chapter 5.3.2
Z1
Z2
Schottky diode
Zener Transient Suppressor
Protection of the BTS50015-1TAA when driving an inductive load. Z2 
is added in option A to demagnetize more quickly the inductance 
associated with the cable. Only one of the two possible options A and 
B should be implemented
T1 n-channel MOSFET Optional. It can be added to block reverse current in protection diodes.
CSENSE 10nF Sense signal filtering
CVS1 100nF Improved EMC behavior (in layout, pls. place close to the pins)
CVS2 10μF to 22μF Suppression of transient over voltages exceeding 4.2.8
COUT 10nF Improved EMC behavior (in layout, pls. place close to the pins)
CIN 150nF BTS50015-1TAA tends to latched switch-off due to short negative 
transients on supply pin; CIN automatically resets the device
Table 8 Bill of material
Reference Value Purpose
 @neon
@neon
 
 
 
 
 
 
Data Sheet 44 Rev. 1.3, 2014-06-03
BTS50015-1TAA
Revision History
9 Revision History
Revision Date Changes
1.3 2014-06-03 Chapter 1, section “Application” slightly modified
Table 1, symbol ΔkILIS changed into dkILIS
Page 4, Embedded Protection Functions slightly changed
Figure 1 slightly changed
Table 2  on Page 8, min value of the parameter 4.1.8 under condition t≤ 2min added
Table 2 on page 10, parameter 4.1.12 removed
Figure 5 (Maximum Energy dissipation for inductive switch OFF, EA vs Load Current) 
removed
Table 3  on Page 11, absolute value added at parameter 4.2.7
Table 3  on Page 11, parameter 4.2.8 added
Table 4  on Page 12, footnote 2 and 3 slightly modified
Chapter 5.1.2 modified and Note removed
Chapters 5.1.3.1 and 5.1.3.2 removed
Chapter 5.1.3 modified
Figure 8 slightly modified
Figure 8, caption modified
Figure 9 added
Figure 10 (old) removed
Figure 10 added
Figure 15 slightly modified
Figure 16 slightly modified
Chapter 5.3.2 slightly changed
Chapter 5.3.4 modified
Figure 20 slightly modified
Figure 21 slightly modified
Chapter 5.3.7 a sentence added
Figure 23 slightly modified
Table 5  on Page 24, diagnostic output of “Normal Operation”, “Overcurrent Condition” 
and “Short Circuit to VS” modified
Equation 3 replaced by Equation (1)
Equation 4 replaced by Equation (2)
Figure 24 changed
Chapter 5.4.3.1 modified
Former Equation (5) removed
Equation (3) added
Equation (5) added
Former Equation (6) replaced with Equation (4)
Figure 25 changed
Table 6  on Page 28, parameter 6.1.2, footnote added
Table 6 parameter 6.1.41, description changed from “Current Sense Ratio” to “Current 
Sense Differential Ratio”
Table 6, parameter 6.1.41, symbol modified
Table 6, parameter 6.1.42, one row added, differentiating the parameter according to 
the temperature range
Table 6, parameter 6.1.43, min value added
Table 6, parameter 6.1.43, max value modified
Table 6, parameter 6.1.44, min value modified
 @neon
@neon
 
 
 
 
 
 
 
BTS50015-1TAA
Revision History
Data Sheet 45 Rev. 1.3, 2014-06-03
Table 6, parameter 6.1.44, max value modified 
Table 6, parameter 6.1.45, min value modified
Table 6, parameter 6.1.45, typ value modified
Table 6, parameter 6.1.45, max value modified
Table 6, parameter 6.1.46, min value modified
Table 6, parameter 6.1.46, max value modified
Table 6, parameter 6.1.47, parameter description modified
Table 6, parameter 6.1.47, parameter symbol changed
Table 6, parameter 6.1.47, ± symbol added before the typ value 
Table 6, parameter 6.1.54, parameter description modified
Table 6, parameter 6.1.54, parameter symbol modified
Table 6, parameter 6.1.54, typ value changed
Table 6, parameter 6.1.54, parameter unit changed
1.2 2012-11-12 Note added below Figure 8 in 5.1.2
Note added below Figure 51in Chapter 8
Note added below Figure 52in Chapter 8
Revision Date Changes
 @neon
@neon
 
 
 
 
 
 
 
Data Sheet 46 Rev. 1.3, 2014-06-03
BTS50015-1TAA
Revision History
1.1 2012-06-14 Page 4, in the first bullet point, “inductive” deleted
Table 1 on Page 5, eighth row, “TA = 85°C” changed into “TA =TJ= 85°C”
Table1, Page 5, ninth row, “TA = 85°C” changed into “TA = 25°C”
Table 2 on page 10: parameter 4.1.13 removed
Table 2 on page 10: parameter 4.1.14 removed
Table 2 on page 10: parameter name 4.1.15 corrected (typing error present in previous 
release)
Page 10, footnote 8) removed (refer to Rev. 1.0) 
Figure 4modified
Figure 5, EAR curve removed
Page 12, figure 6 removed (refer to Rev. 1.0)
Chapter 5.1.3.2,page 16, last sentence added (“If the application requires the inductive 
load to be switched on/off repetitively, the recommendation in Chapter 8must be 
followed”)
Figure 15modified
Chapter 5.3.2, page 20, third and fourth sentences modified, from “In case of loss of VS” 
to “...as shown in Figure 17”.
Figure 17modified
Figure 18modified
Chapter 5.3.4, page 21, third row, parameter EAR deleted
Table 6 on page 30, parameter 6.1.23, value indicated as minimum is actually 
maximum
Table 6 on page 30, parameter 6.1.24, value indicated as maximum is actually 
minimum
Table 6 on page 31, word “maximum” deleted from description of the parameter 6.1.40,
Figure 29 on page 33, unit of measurement (“mA”) added on y-axis
Figure 51, modified
Figure 51, “driving R/C loads” added in the caption 
Table 7 on page 40, fifth row deleted (refer to Rev. 1.0)
Table 7 on page 40, two rows added (describing Za and Zb)
Figure 52, added
Page 41note “This represents only a recommendation for driving inductive loads. The 
function must be verified in the real application.” added
Table 8 on page 41, added
1.0 2011-10-25 Datasheet release
Revision Date Changes
Edition 2014-06-03
Published by
Infineon Technologies AG
81726 Munich, Germany
© 2014 Infineon Technologies AG
All Rights Reserved.
Legal Disclaimer
The information given in this document shall in no event be regarded as a guarantee of conditions or 
characteristics. With respect to any examples or hints given herein, any typical values stated herein and/or any 
information regarding the application of the device, Infineon Technologies hereby disclaims any and all warranties 
and liabilities of any kind, including without limitation, warranties of non-infringement of intellectual property rights 
of any third party.
Information
For further information on technology, delivery terms and conditions and prices, please contact the nearest 
Infineon Technologies Office (www.infineon.com).
Warnings
Due to technical requirements, components may contain dangerous substances. For information on the types in 
question, please contact the nearest Infineon Technologies Office.
Infineon Technologies components may be used in life-support devices or systems only with the express written 
approval of Infineon Technologies, if a failure of such components can reasonably be expected to cause the failure 
of that life-support device or system or to affect the safety or effectiveness of that device or system. Life support 
devices or systems are intended to be implanted in the human body or to support and/or maintain and sustain 
and/or protect human life. If they fail, it is reasonable to assume that the health of the user or other persons may 
be endangered.
Products related to this Datasheet
IC PWR SWITCH N-CHAN 1:1 TO263-7
        
    
