BQ2060AEVM-001,-002 Datasheet by Texas Instruments
View All Related Products | Download PDF Datasheet
J9 TEXAS
INSTRUMENTS
bq2060AEVM-001 and
bq2060AEVM-002
SBS 1.1 Battery Management Solution
Evaluation Module
December 2003 High Performance Analog
User’s Guide
SLUU179
IMPORTANT NOTICE
Texas Instruments Incorporated and its subsidiaries (TI) reserve the right to make corrections, modifications,
enhancements, improvements, and other changes to its products and services at any time and to discontinue
any product or service without notice. Customers should obtain the latest relevant information before placing
orders and should verify that such information is current and complete. All products are sold subject to TI’s terms
and conditions of sale supplied at the time of order acknowledgment.
TI warrants performance of its hardware products to the specifications applicable at the time of sale in
accordance with TI’s standard warranty. Testing and other quality control techniques are used to the extent TI
deems necessary to support this warranty. Except where mandated by government requirements, testing of all
parameters of each product is not necessarily performed.
TI assumes no liability for applications assistance or customer product design. Customers are responsible for
their products and applications using TI components. To minimize the risks associated with customer products
and applications, customers should provide adequate design and operating safeguards.
TI does not warrant or represent that any license, either express or implied, is granted under any TI patent right,
copyright, mask work right, or other TI intellectual property right relating to any combination, machine, or process
in which TI products or services are used. Information published by TI regarding third−party products or services
does not constitute a license from TI to use such products or services or a warranty or endorsement thereof.
Use of such information may require a license from a third party under the patents or other intellectual property
of the third party, or a license from TI under the patents or other intellectual property of TI.
Reproduction of information in TI data books or data sheets is permissible only if reproduction is without
alteration and is accompanied by all associated warranties, conditions, limitations, and notices. Reproduction
of this information with alteration is an unfair and deceptive business practice. TI is not responsible or liable for
such altered documentation.
Resale of TI products or services with statements different from or beyond the parameters stated by TI for that
product or service voids all express and any implied warranties for the associated TI product or service and
is an unfair and deceptive business practice. TI is not responsible or liable for any such statements.
Following are URLs where you can obtain information on other Texas Instruments products & application
solutions:
Products Applications
Amplifiers amplifier.ti.com Audio www.ti.com/audio
Data Converters dataconverter.ti.com Automotive www.ti.com/automotive
DSP dsp.ti.com Broadband www.ti.com/broadband
Interface interface.ti.com Digital Control www.ti.com/digitalcontrol
Logic logic.ti.com Military www.ti.com/military
Power Mgmt power.ti.com Optical Networking www.ti.com/opticalnetwork
Microcontrollers microcontroller.ti.com Secruity www.ti.com/security
Telephony www.ti.com/telephony
Video & Imaging www.ti.com/video
Wireless www.ti.com/wireless
Mailing Address:
Texas Instruments
Post Office Box 655303
Dallas, Texas 75265
Copyright 2003, Texas Instruments Incorporated
EVM IMPORTANT NOTICE
Texas Instruments (TI) provides the enclosed product(s) under the following conditions:
This evaluation kit being sold by TI is intended for use for ENGINEERING DEVELOPMENT OR EVALUATION
PURPOSES ONLY and is not considered by TI to be fit for commercial use. As such, the goods being provided
may not be complete in terms of required design-, marketing-, and/or manufacturing-related protective
considerations, including product safety measures typically found in the end product incorporating the goods.
As a prototype, this product does not fall within the scope of the European Union directive on electromagnetic
compatibility and therefore may not meet the technical requirements of the directive.
Should this evaluation kit not meet the specifications indicated in the EVM User’s Guide, the kit may be returned
within 30 days from the date of delivery for a full refund. THE FOREGOING WARRANTY IS THE EXCLUSIVE
WARRANTY MADE BY SELLER TO BUYER AND IS IN LIEU OF ALL OTHER WARRANTIES, EXPRESSED,
IMPLIED, OR STATUTORY, INCLUDING ANY WARRANTY OF MERCHANTABILITY OR FITNESS FOR ANY
PARTICULAR PURPOSE.
The user assumes all responsibility and liability for proper and safe handling of the goods. Further, the user
indemnifies TI from all claims arising from the handling or use of the goods. Please be aware that the products
received may not be regulatory compliant or agency certified (FCC, UL, CE, etc.). Due to the open construction
of the product, it is the user’s responsibility to take any and all appropriate precautions with regard to electrostatic
discharge.
EXCEPT TO THE EXTENT OF THE INDEMNITY SET FORTH ABOVE, NEITHER PARTY SHALL BE LIABLE
TO THE OTHER FOR ANY INDIRECT, SPECIAL, INCIDENTAL, OR CONSEQUENTIAL DAMAGES.
TI currently deals with a variety of customers for products, and therefore our arrangement with the user is not
exclusive.
TI assumes no liability for applications assistance, customer product design, software performance, or
infringement of patents or services described herein.
Please read the EVM User’s Guide and, specifically, the EVM Warnings and Restrictions notice in the EVM
User’s Guide prior to handling the product. This notice contains important safety information about temperatures
and voltages. For further safety concerns, please contact the TI application engineer.
Persons handling the product must have electronics training and observe good laboratory practice standards.
No license is granted under any patent right or other intellectual property right of TI covering or relating to any
machine, process, or combination in which such TI products or services might be or are used.
Mailing Address:
Texas Instruments
Post Office Box 655303
Dallas, Texas 75265
Copyright 2003, Texas Instruments Incorporated
EVM WARNINGS AND RESTRICTIONS
It is important to operate this EVM within the input voltage range of 3 V and 25 V, with a
maximum voltage drop across the sense resistor of 250 mV (1−W power dissipation).
Exceeding the specified input range may cause unexpected operation and/or irreversible
damage to the EVM. If there are questions concerning the input range, please contact a TI
field representative prior to connecting the input power.
Applying loads outside of the specified output range may result in unintended operation and/or
possible permanent damage to the EVM. Please consult the EVM User’s Guide prior to
connecting any load to the EVM output. If there is uncertainty as to the load specification,
please contact a TI field representative.
During normal operation, some circuit components may have case temperatures greater than
60°C. The EVM is designed to operate properly with certain components above 60°C as long
as the input and output ranges are maintained. These components include but are not limited
to linear regulators, switching transistors, pass transistors, and current sense resistors. These
types of devices can be identified using the EVM schematic located in the EVM User’s Guide.
When placing measurement probes near these devices during operation, please be aware
that these devices may be very warm to the touch.
Mailing Address:
Texas Instruments
Post Office Box 655303
Dallas, Texas 75265
Copyright 2003, Texas Instruments Incorporated

How to Use This Manual
v
Preface
Read This First
About This Manual
This user’s guide describes the characteristics and operation of the
bq2060AEVM-001 and bq2060AEVM-002 evaluation module. The EVM is
used to evaluate the bq2060A battery management system. A complete circuit
description, operating procedures, and bill of materials are included. The EVM
schematic is appended to the user’s guide PDF.
How to Use This Manual
This document contains the following chapters:
-Chapter 1—Introduction
-Chapter 2—bq2060A-Based Circuit Module
-Chapter 3—Circuit Module Physical Layout
-Chapter 4—EVM Hardware and Software Setup
-Chapter 5—Operation
FCC Warning
This equipment is intended for use in a laboratory test environment only. It gen-
erates, uses, and can radiate radio frequency energy and has not been tested
for compliance with the limits of computing devices pursuant to subpart J of
part 15 of FCC rules, which are designed to provide reasonable protection
against radio frequency interference. Operation of this equipment in other en-
vironments may cause interference with radio communications, in which case
the user at his own expense will be required to take whatever measures may
be required to correct this interference.

vi

Contents
vii
Contents
1 Introduction 1-1 . . . . . . . . . . . . . . . . . . . . . . . . . . . . . . . . . . . . . . . . . . . . . . . . . . . . . . . . . . . . . . . . . . . . .
1.1 Overview 1-2 . . . . . . . . . . . . . . . . . . . . . . . . . . . . . . . . . . . . . . . . . . . . . . . . . . . . . . . . . . . . . . . . . .
1.2 Features 1-2 . . . . . . . . . . . . . . . . . . . . . . . . . . . . . . . . . . . . . . . . . . . . . . . . . . . . . . . . . . . . . . . . . .
1.3 Kit Contents 1-2 . . . . . . . . . . . . . . . . . . . . . . . . . . . . . . . . . . . . . . . . . . . . . . . . . . . . . . . . . . . . . . . .
1.4 Ordering Information 1-2 . . . . . . . . . . . . . . . . . . . . . . . . . . . . . . . . . . . . . . . . . . . . . . . . . . . . . . . .
2 bq2060A-Based Circuit Module 2-1 . . . . . . . . . . . . . . . . . . . . . . . . . . . . . . . . . . . . . . . . . . . . . . . . . . .
2.1 Pin Descriptions 2-2 . . . . . . . . . . . . . . . . . . . . . . . . . . . . . . . . . . . . . . . . . . . . . . . . . . . . . . . . . . . .
2.2 bq2060A Cirduit Module Bill of Materials 2-2 . . . . . . . . . . . . . . . . . . . . . . . . . . . . . . . . . . . . . . .
2.3 bq2060A Cirduit Module Performance Specification Summary 2-3 . . . . . . . . . . . . . . . . . . . .
3 Circuit Module Physical Layouts 3-1 . . . . . . . . . . . . . . . . . . . . . . . . . . . . . . . . . . . . . . . . . . . . . . . . . .
3.1 Board Layout 3-2 . . . . . . . . . . . . . . . . . . . . . . . . . . . . . . . . . . . . . . . . . . . . . . . . . . . . . . . . . . . . . .
4 EVM Hardware and Software Setup 4-1 . . . . . . . . . . . . . . . . . . . . . . . . . . . . . . . . . . . . . . . . . . . . . . .
4.1 Software Installation 4-2 . . . . . . . . . . . . . . . . . . . . . . . . . . . . . . . . . . . . . . . . . . . . . . . . . . . . . . . .
4.2 Hardware Connection 4-2 . . . . . . . . . . . . . . . . . . . . . . . . . . . . . . . . . . . . . . . . . . . . . . . . . . . . . . .
4.2.1 Connecting the bq2060A Circuit Module to a Battery Pack 4-2 . . . . . . . . . . . . . . . .
4.2.2 PC Interface Connection 4-4 . . . . . . . . . . . . . . . . . . . . . . . . . . . . . . . . . . . . . . . . . . . . .
5 Operation 5-1 . . . . . . . . . . . . . . . . . . . . . . . . . . . . . . . . . . . . . . . . . . . . . . . . . . . . . . . . . . . . . . . . . . . . . . .
5.1 Starting the Program 5-2 . . . . . . . . . . . . . . . . . . . . . . . . . . . . . . . . . . . . . . . . . . . . . . . . . . . . . . . .
5.2 Extended Data Screen 5-4 . . . . . . . . . . . . . . . . . . . . . . . . . . . . . . . . . . . . . . . . . . . . . . . . . . . . . .
5.3 Data Logging 5-5 . . . . . . . . . . . . . . . . . . . . . . . . . . . . . . . . . . . . . . . . . . . . . . . . . . . . . . . . . . . . . .
5.4 Setting Programmable bq2060A Options 5-5 . . . . . . . . . . . . . . . . . . . . . . . . . . . . . . . . . . . . . .
5.5 Calibration of a bq2060A Based Module Using the EV2200-60 Software 5-10 . . . . . . . . . .
5.6 Direct Access Communication 5-12 . . . . . . . . . . . . . . . . . . . . . . . . . . . . . . . . . . . . . . . . . . . . . . .
5.7 Schematic Appended to the PDF document . . . . . . . . . . . . . . . . . . . . . . . . . . . . . . . . . . . . . . .

Contents
viii
Figures
3−1 bq2060AEVM-00X Layout 3-2 . . . . . . . . . . . . . . . . . . . . . . . . . . . . . . . . . . . . . . . . . . . . . . . . . . . . . .
4−1 bq2060A Circuit Module Connection to LION Cells and System Load/Charger 4-3 . . . . . . . .
4−2 bq2060A Circuit Module Connection to NiMH Cells and System Load/Charger 4-4 . . . . . . . .
5−1 SBS Data Screen 5-2 . . . . . . . . . . . . . . . . . . . . . . . . . . . . . . . . . . . . . . . . . . . . . . . . . . . . . . . . . . . . .
5−2 SBS Data Screen—Static Data Window 5-3 . . . . . . . . . . . . . . . . . . . . . . . . . . . . . . . . . . . . . . . . . .
5−3 SBS Extended Data Screen 5-4 . . . . . . . . . . . . . . . . . . . . . . . . . . . . . . . . . . . . . . . . . . . . . . . . . . . .
5−4 LION EEPROM Data Screen 5-6 . . . . . . . . . . . . . . . . . . . . . . . . . . . . . . . . . . . . . . . . . . . . . . . . . . .
5−5 NiMH EEPROM Data Screen 5-7 . . . . . . . . . . . . . . . . . . . . . . . . . . . . . . . . . . . . . . . . . . . . . . . . . . .
5−6 Read EEPROM Values Screen 5-8 . . . . . . . . . . . . . . . . . . . . . . . . . . . . . . . . . . . . . . . . . . . . . . . . .
5−7 EEPROM Values to be Written Screen 5-8 . . . . . . . . . . . . . . . . . . . . . . . . . . . . . . . . . . . . . . . . . . .
5−8 EEPROM Data Screen—bq2060A Module Calibration Locations 5-9 . . . . . . . . . . . . . . . . . . . .
5−9 VFC Offset Screen 5-10 . . . . . . . . . . . . . . . . . . . . . . . . . . . . . . . . . . . . . . . . . . . . . . . . . . . . . . . . . . .
5−10 3 Cell LION Calibration Screen 5-11 . . . . . . . . . . . . . . . . . . . . . . . . . . . . . . . . . . . . . . . . . . . . . . . .
5−11 Pro Screen 5-12 . . . . . . . . . . . . . . . . . . . . . . . . . . . . . . . . . . . . . . . . . . . . . . . . . . . . . . . . . . . . . . . . . .
Tables
1−1 Ordering Information 1-2 . . . . . . . . . . . . . . . . . . . . . . . . . . . . . . . . . . . . . . . . . . . . . . . . . . . . . . . . . .
2−1 SLUP023-00X Bill of Materials 2-2 . . . . . . . . . . . . . . . . . . . . . . . . . . . . . . . . . . . . . . . . . . . . . . . . . .
2−2 Performance Specification Summary 2-3 . . . . . . . . . . . . . . . . . . . . . . . . . . . . . . . . . . . . . . . . . . . .
4−1 Circuit Module to EV2200 Connections 4-4 . . . . . . . . . . . . . . . . . . . . . . . . . . . . . . . . . . . . . . . . . .
4−2 Circuit Module EEPROM Connector to EV2200 Connections 4-4 . . . . . . . . . . . . . . . . . . . . . . .
5−1 Example Log File 5-5 . . . . . . . . . . . . . . . . . . . . . . . . . . . . . . . . . . . . . . . . . . . . . . . . . . . . . . . . . . . . .
SLUPGZZS REV. B
BOZGSGEVM
TEXAS INSTRUMENTS
1-1
Introduction
Introduction
This EVM is a complete evaluation system for the bq2060A battery
management system. The bq2060A is backwards compatible with the
bq2060. New features in the bq2060A can be accessed from the EEPROM
screen in the EV2200-60 software.
For this document bq2060AEVM-00X is used for both the bq2060AEVM-001
and the bq2060AEVM-002.
Topic Page
1.1 Overview 1-2. . . . . . . . . . . . . . . . . . . . . . . . . . . . . . . . . . . . . . . . . . . . . . . . . . . . .
1.2 Features 1-2. . . . . . . . . . . . . . . . . . . . . . . . . . . . . . . . . . . . . . . . . . . . . . . . . . . . .
1.3 Kit Contents 1-2. . . . . . . . . . . . . . . . . . . . . . . . . . . . . . . . . . . . . . . . . . . . . . . . . .
1.4 Ordering Information 1-2. . . . . . . . . . . . . . . . . . . . . . . . . . . . . . . . . . . . . . . . . .
Chapter 1
G010 www.li.com
Overview
1-2
1.1 Overview
The EVM includes one bq2060A circuit module, a current sense resistor, a
thermistor, an EV2200 PC interface board for gas gauge interface, a PC serial
cable, and an EEPROM connector. The latest windows based EV2200-60 PC
software can be downloaded from the TI web site. The circuit module includes
one bq2060A IC and all other onboard components necessary to monitor and
predict capacity of Li-Ion or Li-Polymer (bq2060AEVM-001) or NiMH
(bq2060AEVM-002) cells. Protection for Li-Ion or Li-Polymer cells is not in-
cluded on this module. The circuit module connects directly across the cells
in a battery. With the EV2200 interface board and software, the user can read
the bq2060A data registers, program the chipset for different pack configura-
tions, log cycling data for further evaluation and evaluate the overall functional-
ity of the bq2060A solution under different charge and discharge conditions.
1.2 Features
-Complete evaluation system for the bq2060A SBS 1.1 compliant
advanced gas gauge
-Populated circuit module for quick setup
-PC software and interface board for easy evaluation
-Software that allows data-logging for system analysis
1.3 Kit Contents
-bq2060A circuit module
-EEPROM Interface connector with wires
-Sense resistor
-EV2200 PC interface board
-PC serial cable
-Set of support documentation
-Set of evaluation software disks entitled EV2200-60
To download the latest EVM software:
1) Go to www.ti.com
2) Search for bq2060A, and open the product folder.
3) Click on | Development Tools |
4) Click the appropriate EVM (LION−001 or NiMH–002) and download the
EV2200-60 software under the Contents section.
5) You will find software and hardware setup guidelines in Chapter 5 of this
document.
1.4 Ordering Information
Table 1−1.Ordering Information
EVM Part Number Chemistry Configuration Capacity
bq2060AEVM−001 Li-Ion 3 or 4 cell 800 mAH to
32000 mAH
bq2060AEVM−002 NIMH 10 cell 800 mAH to
32000 mAH

2-1
bq2060A-Based Circuit Module
bq2060A-Based Circuit Module
The bq2060A-based circuit module includes all components required for a
complete battery management solution. It includes the bq2060A gas gauge
IC, 24LC01 EEPROM and other components to accurately predict and monitor
capacity of NiMH, Li-Ion, and Li-Polymer cells.
Contacts on the circuit module provide direct connection to the cells (BAT−, 1P,
2P, 3P, BAT+) and the serial communications port (SMBC, SMBC). The
system load and charger connect across PACK+ and PACK−.
The SAFE output reflects the state of the safety output from the bq2060A and
has extra ESD protection just for evaluation purposes.
Topic Page
2.1 Pin Descriptions 2-2. . . . . . . . . . . . . . . . . . . . . . . . . . . . . . . . . . . . . . . . . . . . . .
2.2 bq2060A Circuit Module Bill of Materials 2-2. . . . . . . . . . . . . . . . . . . . . . . .
2.3 bq2060A Circuit Module Performance Specification Summary 2-3. . . .
Chapter 2
s2
Pin Descriptions
2-2
2.1 Pin Descriptions
BAT−Negative connection of first (bottom) cell
1P Positive connection of first (bottom) cell
2P Positive connection of second cell
3P Positive connection of third cell
4P Positive connection of fourth (top) cell
SMBC Serial communication port clock
SMBD Serial communication data port
SAFE bq2060A safety output
PACK−Pack negative terminal
VSS Pack negative terminal
PACK+ Pack positive terminal. Used by bq2060A to derive VCC.
2.2 bq2060A Circuit Module Bill of Materials
Table 2−1 lists materials required for the bq2060A circuit module.
Table 2−1.SLUP023-00X Bill of Materials
Count
−001 −002 RefDes Description Size Part Number MFG
10 10 C1, C11, C3,
C4, C5, C6,
C7, C8, C9,
C10
Capacitor, ceramic, 0.1 µF, X7R, 25
V603 VJ0603Y104KXXX Vishay
1 1 C2 Capacitor, ceramic, 0.001 µF, X7R,
25 V 603 VJ0603Y102KXXX Vishay
4 4 D1, D2, D3,
D4 Diode, LED, green, Gullwing SMT
Gullwing LN1371G Panasonic
1 1 D5 Diode, dual SOT23 BAV99 Zetex
3 3 D6, D7, D8 Diode, Zener, 5.6 V SOT23 BZX84C5V6 On Semi
1 1 Q1 Transistor, JFET, N-channel SOT23 SST113 Vishay
Siliconix
1 1 Q2 Transistor, NPN SOT23 MMBT3904 On Semi
1 1 Q3 Transistor, N−Channel, 2N7002,
SOT23 SOT23 2N7002 Zetex
9 9 R1, R15, R18,
R19, R20,
R21, R22,
R23, R34
Resistor, chip, 100 kW, 5% 603 CRCW0603104J Vishay
1 1 R13 Resistor, chip, 10 MW, 5% 603 CRCW0603106J Vishay
3 3 R14, R24,
R25 Resistor, Chip, 1.5 MW, 5% 603 CRCW0603155J Vishay
3 3 R17, R2, R3 Resistor, chip, 10 kW, 5% 603 CRCW0603103J Vishay
2 2 R26, R27 Resistor, chip, 698 kW, 1%603 CRCW06036983F Vishay
1 1 R29 Resistor, chip, 0.03 W, 2%, 1W 2512 WSL−2512.03 1% Vishay
1 0 R30 Resistor, chip, 178 kW 1% 603 CRCW06031783F Vishay

bq2060A Circuit Module Performance Specification Summary
2-3
bq2060A-Based Circuit Module
Table 3−1. SLUP023-00X Bill of Materials (Continued)
Count
−001 −002 RefDes Description Size Part Number MFG
1 1 R31 Resistor, chip, 267 kW 1% 805 CRCW08052673F Vishay
1 1 R32 Resistor, chip, 806 kW 1% 603 CRCW06038063F Vishay
1 1 R36 Resistor, chip, 1 kW, 5% 603 CRCW0603102J Vishay
6 6 R6, R7, R33,
R35, R4, R5 Resistor, chip, 100 W, 5% 603 CRCW0603101J Vishay
4 4 R8, R9, R10,
R12 Resistor, chip, 330 W, 5% 603 CRCW0603331J Vishay
1 1 S1 Switch, momentary, push button,
EVQPLHA SMT EVQ−PLHA15 Panasonic
1 1 TH1 Thermistor Radial 103AT−2 Semitec
1 1 U1 IC, gas gauge 28P−SSOP bq2060A−E619DBQ Texas
Instruments
1 1 U2 IC, EEPROM, 128 byte SOT23−5 24LC01BI/OT Micro Chip,
Atmel
1 1 J1 Connector, header, right angle,
male, 4 pin, 0.100 inch centers 22−12−2044 Molex
1 1 J1 mate Connector, female,
0.100 inch centers 22−01−3047 Molex
4 4 N/A Terminals, crimp, tin 08−50−0114 Molex
1 1 N/A Wire, insulated 22 Awg, red,
8 inches (VCC) Any Any
1 1 N/A Wire, insulated 22 Awg, white, 8
inches (SMBC) Any Any
1 1 N/A Wire, insulated 22 Awg, black, 8
Inches (GND) Any Any
1 1 N/A Wire, insulated 22 Awg, brown,
8 inches (SMBD) Any Any
1 1 TB1 Terminal block, 0.200−mil centers,
4 position, 90 degree ED120/4DS On Shore
Technology
1 1 TB2 Terminal block, 0.200−mil centers,
6 position, 90 degree ED120/6DS On Shore
Technology
2.3 bq2060A Circuit Module Performance Specification Summary
Table 2−2 gives the performance specifications of the circuit.
Table 2−2.Performance Specification Summary
Specification Min Typ Max Units
Input voltage Pack+ to Pack−3.0 25 V
Charge and Discharge Current See Note A
Note: Maximum currents are determined by the value of the sense resistor used. Do not exceed
250 mV across sense resistor. For the supplied sense resistor do not exceed 1 Watt.

2-4

3-1
Circuit Module Physical Layouts
Circuit Module Physical Layouts
This chapter contains the board layout and assembly drawings for the
bq2060A circuit module.
Topic Page
3.1 Board Layout 3-2. . . . . . . . . . . . . . . . . . . . . . . . . . . . . . . . . . . . . . . . . . . . . . . . .
Chapter 3
TB1
CELL! F
CELLZP
CELLSP
CELLAP
Tm
m
m
>
vcc
a
Em
n
n
TF1
Lfi7J76EJ4DEJ
CE C‘Z
WUU
3% 0‘5
It [x
TF4 O —
nkazq T95 TM a
SLUP023 REV. E
BOZOGBEVM
TEXAS INSTRUMENTS
PACK-+-
SMBD
SMEC
HDQ
PACKr
CELU N
C5
R29
U1
b
C5
c4
%F§%§E
:7 R21 R3
R20 C9
R24 R26 R2
Board Layout
3-2
3.1 Board Layout
Figure 3−1 shows the dimensions, PCB layers, and assembly drawing for the
bq2060A module.
Figure 3−1. bq2060AEVM-00X Layout

4-1
EVM Hardware and Software Setup
EVM Hardware and Software Setup
This section describes how to install the bq2060AEVM-00X PC software and
how to connect the different components of the EVM.
Topic Page
4.1 Software Installation 4-2. . . . . . . . . . . . . . . . . . . . . . . . . . . . . . . . . . . . . . . . . .
4.2 Hardware Connection 4-2. . . . . . . . . . . . . . . . . . . . . . . . . . . . . . . . . . . . . . . . .
Chapter 4

Software Installation
4-2
4.1 Software Installation
Follow these steps to install the EV2200-60 software from the included disks:
1) Insert disk 1 into a 3 1/2 inch floppy drive.
2) Select the 3 1/2 inch drive using My Computer or File Manager.
3) Double-click on the Setup.exe icon.
4) The setup program prompts for the remaining disks and installs a
Windows application group.
Follow these steps to install the latest EV2200-60 software downloaded from
the TI website: www.ti.com
1) Unzip the self-extracting EXE file to a temporary directory.
2) Double-click on the Setup.exe icon.
3) Follow the onscreen instructions and the setup program will install a
Windows application group.
4.2 Hardware Connection
The four hardware components of the bq2060AEVM-00X are: the bq2060A
circuit module, the EEPROM interface connector, the EV2200 PC interface
board, and the PC.
4.2.1 Connecting the bq2060A Circuit Module to a Battery Pack
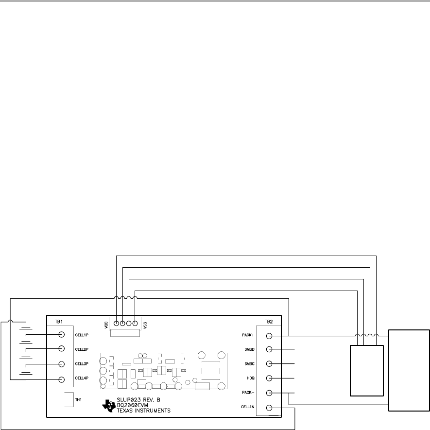
Figure 4−1 and Figure 4−2 show how to connect the bq2060A circuit module
to the cells and system load/charger. Connect the cells in the following order.
NOTE: The cell terminal connections not listed below should remain open.
-4-Cell LION Pack:
JConnect the PACK+ terminal to the Cell4P terminal on the
bq2060AEVM-00X module.
JConnect the BAT− terminal to the negative side of the bottom (first)
cell.
JConnect the Cell4P terminal to the positive side of the top (fourth) cell.
JConnect the Cell1 terminal to the positive side of the first cell.
JConnect the Cell2 terminal to the positive side of the second cell.
JConnect the Cell3 terminal to the positive side of the third cell.
-3-Cell LION Pack:
JConnect the PACK+ terminal to the Cell3P terminal on the
bq2060AEVM-00X module.
JConnect the BAT− terminal to the negative side of the bottom (first)
cell.
JConnect the Cell3P terminal to the positive side of the top (third) cell.
JConnect the Cell1 terminal to the positive side of the first cell.
JConnect the Cell2 terminal to the positive side of the second cell.
WW”
my
Hé
3'” 4?
5mm: REV. a
50szva
was msmwzms
MHOE
Hardware Connection
4-3
EVM Hardware and Software Setup
-2-Cell LION Pack:
JConnect the PACK+ terminal to the Cell2P terminal on the
bq2060AEVM-00X module.
JConnect the BAT− terminal to the negative side of the bottom (first)
cell.
JConnect the Cell2P terminal to the positive side of the top (second)
cell.
JConnect the Cell1 terminal to the positive side of the first cell.
-No Individual Cell Voltage Monitoring/NiMH:
JConnect the PACK+ terminal to the Cell4P terminal on the
bq2060AEVM-00X module.
JConnect the BAT− terminal to the negative side of the bottom (first)
cell.
JConnect the Cell4P terminal to the positive side of the top cell.
Figure 4−1. bq2060A Circuit Module Connection to LION Cells and System Load/Charger
Optional
to SMBD/HDQ1
to SMBC/HDQ2
to VSS
EV2200
Bottom Cell
E2 VCC
VSS
SDA
SCL
Load/
Charger
Top Cell
«(Ha—M
0 mm
O cm»
0 m
0
Tm 35232331“
Yams mswwmrs
a
33????
Hardware Connection
4-4
Figure 4−2. bq2060A Circuit Module Connection to NiMH Cells and System Load/Charger
Optional
to SMBD/HDQ1
to SMBC/HDQ2
to VSS
EV2200
Bottom Cell
E2 VCC
VSS
SDA
SCL
Load/
Charger
Top Cell
4.2.2 PC Interface Connection
The following steps configure the hardware for interface to the PC:
1) Connect the bq2060A-based smart battery (bq2060AEVM-00X) to the
EV2200 using wire leads as listed in Table 4−1.
Table 4−1.Circuit Module to EV2200 Connections
bq2060AEVM−00X EV2200
SMBD SMBD/HDQ1
SMBC SMBC/HDQ2
PACK−VSS
2) Connect the EEPROM connector to the bq2060AEVM-00X and the wire
leads of the EEPROM connector to the EV2200 as listed in Table 4−2.
Table 4−2.Circuit Module EEPROM Connector to EV2200 Connections
bq2060AEVM−00X EV2200
VCC E2 VCC
EEPROM data SDA
EEPROM clock SCL
VSS VSS
3) Connect the PC serial cable to the EV2200 and the PC COM port.
The bq2060AEVM-00X is now set up for operation.

5-1
Operation
Operation
This chapter details the operation of the EV2200-60 software.
Topic Page
5.1 Starting the Program 5-2. . . . . . . . . . . . . . . . . . . . . . . . . . . . . . . . . . . . . . . . . .
5.2 Extended Data Screen 5-4. . . . . . . . . . . . . . . . . . . . . . . . . . . . . . . . . . . . . . . . .
5.3 Data Logging 5-5. . . . . . . . . . . . . . . . . . . . . . . . . . . . . . . . . . . . . . . . . . . . . . . . .
5.4 Setting Programmable bq2060A Options 5-5. . . . . . . . . . . . . . . . . . . . . . . .
5.5 Calibration of a bq2060A Based Module Using the EV2200-60
Software 5-10. . . . . . . . . . . . . . . . . . . . . . . . . . . . . . . . . . . . . . . . . . . . . . . . . . . .
5.6 Direct Access Communication 5-12. . . . . . . . . . . . . . . . . . . . . . . . . . . . . . . .
5.7 Schematic 5-13. . . . . . . . . . . . . . . . . . . . . . . . . . . . . . . . . . . . . . . . . . . . . . . . . . .
Chapter 5
EVZZIJU El] Informa
n L
File Communrca Ions Optons Help
Manufacturer Access
Remaining Capacrty Alarm
Remaining Time Alarm
Battery Mode
At Fl ate
At Rate Time To Full
At Flate Time To Empty
At Fl ate 0 K
T emperature
Voltage
Current
Average Current
Max Error
Relative State Of Charge
Abxolute State Of Charge
Remaining Capacity
Full Charge Capacity
Run Time To Empty
Average Time To Empty
Average Time To Full
,_
o
in
TITITITITI‘I‘ITITITITITI‘IUTI‘IH‘I‘I‘I
TEXAS iNS'lRUMthS
0000
450
1 0
0030
0
55535
55535
1
285 0
1 0000
0
0
1 00
50
50
-
4500
55535
55535
E5535
"1 Ion
nrA
rrrrn
:-
min
min
a-~aaax
mAh
min
min
HE WHILE [[Aflil II "SP AID Alllfl
I Extended] EEpromI Calibration] ProI
Log
ChargrngCurrent r— 3000 M
CharglngVoltage r— 12800 mV
Battery Stdu: [7 0030
Cycle Count [7
ManuiacturerDala |7 [HZ
Design Capacity
Design Voltage
5 pecilication Inlo
M anulacture D ate
5 erial N umber
Manulacturer Name
D evice Name
Device Chemistry
IW
DISPLAY MDDE i
r‘ Dec [black]
t‘ Hex [blue]
G Preferred[both]
mAh
mV
Fl ead
RS-232 lnleriaca Uk
1 0:42: 24 AM
Starting the Program
5-2
5.1 Starting the Program
Run EV2200−60 from the Start | Programs | Texas Instruments | EV2200−60
menu sequence. The SBS Data screen appears. Data begins to populate the
fields on the screen as the indicator scans (e.g., Remaining Capacity is
highlighted in Figure 5−1). To disable the scan feature, select | Options | Poll
BQ Registers | Stop |.
Figure 5−1. SBS Data Screen
MMMN
m—mm—mm
Starting the Program
5-3
Operation
This screen shows the SBS data set along with additional Static data which is
shown in a box in the bottom right quadrant. By clicking on the Read button,
the box changes to show the static data from the bq2060A (see Figure 5−2).
Figure 5−2. SBS Data Screen—Static Data Window
EVZZIJU El] Informa n N kelMElalHyd d:
Communlca Ions Options Help
TEX/\SlNS'lRLMthS HE WHILE [[ADEI II "SP AID Alllfl
qunan Dat EEpmml Calibratianl Prnl
*Regislevs
SPECIAL SCAN—
L09
PackSlatus I? an :I'
PackEonlig [— AB v
VCelI4 p 0 mV
VCelI3 I: 3435 "IV :I'
VCeIIZ p 3534 "IV '—_I.
VCeII1 p 3523 mV
Slat Qulck
Scan
Pulling
Frequency.
lTél
5 ads
RS-232 lnleviaca IJk 10:2
6: 25 AM
Extended Data Screen
5-4
5.2 Extended Data Screen
The SBS Extended Data Screen has two frames. The first frame contains the
SBS Extended data that continues scanning from the bq2060A Data Screen.
The second frame is for high speed scanning up to 7 SBS data values. When
the | Start Quick Scan | button is clicked, these scans take precedence over
all other scanning to get the highest update rate possible.
Figure 5−3. SBS Extended Data Screen

Data Logging
5-5
Operation
5.3 Data Logging
SBS Data can be logged for further evaluation by using the File | Start Data
Log menu options. Then enter the desired file name and click on | SAVE |. A
window appears asking for the desired log interval. Select a desired interval
and click | CLOSE |. An example of a data log file is shown in Table 5−1. To
stop the data log, follow the same sequence. The log file can be customized
by clicking on the check box (in the Log column) next to the data fields on the
bq2060A Data and Extended screens. All the data fields that are checked are
recorded in the log file. It is important to select the desired data fields prior to
starting a log because check-box updates made after logging starts are
ignored.
Table 5−1.Example Log File
Elapsed
Time(s) Temperature Voltage Current Max Error Remaining
Capacity Full Charge
Capacity
2 296.3 10797 0 100 2025 4050
5 296.3 10791 0 100 2025 4050
8 296.3 10800 0 100 2025 4050
10 296.3 10799 0 100 2025 4050
13 296.3 10800 0 100 2025 4050
15 296.3 10802 0 100 2025 4050
18 296.3 10793 0 100 2025 4050
21 296.3 10792 0 100 2025 4050
23 296.3 10794 0 100 2025 4050
26 296.4 10798 0 100 2025 4050
29 296.4 10797 0 100 2025 4050
32 296.4 10791 0 100 2025 4050
34 296.3 10797 0 100 2025 4050
37 296.3 10794 0 100 2025 4050
39 296.3 10797 0 100 2025 4050
42 296.3 10793 0 100 2025 4050
44 296.3 10795 0 100 2025 4050
47 296.3 10791 0 100 2025 4050
5.4 Setting Programmable bq2060A Options
The EEPROM on the EVM is configured as an example LION battery for the
bq2060AEVM-001 and for an example Nickel battery for the
bq2060AEVM-002 on delivery. The bq2060A includes 3 new EEPROM
locations that are not in the bq2060. They are: EDV TC factor, Misc Options,
and Safety Over Temperature. The bq2060A is backwards compatible with the
bq2060. Special attention should be paid to make sure the settings are
correctly changed for the pack, and application with which the bq2060A
solution is being evaluated. Do this prior to calibrating the module, described
in the following section. The bq2060A must be reset after changing EEPROM
[VZZU
file Cumulunicatiuns Optinns
0 Inform
Help
EMS Ins RL m
um [on
1]
TH Wflllfl llADEll II USP AID Alllns P
bqZUBDDalaI Extended EEpmm|0ellbletiun| Pie]
Remaining lime Alarm 10 Min Pack Configuration
Remaining Capacity Alarm 050 mAh Devtee Chemnlly
50v AU hate. 0 00 2/1 kc: MaxT Deltel
EDV 1: hate. 0 0mm :unent
Mlsn uptim 00 Hex Elvelvullage Meg‘n
Saletv 0veitempelatllle 94 5 Deg I: oleicunent Maig‘n
El'talainl: Volaue 121300 .101 Cal Undel/Elvel Voltage
cycle Court! 0 Fasl Charge Tetmlnatielt x
Deslgn Velege 10000 mv Fuly Ehalged meal 2
Speeneatim lnleimaten 0 0 2 1 theme Ellieieney
Manuleetuie Date 3/4/2003 :unent Tape! Thlexhold
Seiial Numbei 1 Cullen! Tape! 00a Volt
Fast Chalnm talent 3000 ml: My Data Sn Lennlh
Malnl Charging Caren! 0 111A Central Mode
Plecttarge unent 100 mAh Dlgl|a| Fl|el
Manuleetuei Name 30 Sell Deenelge Hale
Lignt Load Estimate 0 00 mA Emmy Law 2
Maximum 0velchaiee 300 mAh Neal Full
Devee Name 0120607: VFC Ullsel
Last Meaallled Dag 4500 mAh Temceiattlie Dflsel
Pack 5393va 0500 mAh A01: Dfisel
:yele :eunt Tl'tlzshnld 31300 lllAh cell 2 telihiatian Fachzl
A6 Hell Cell 3 Caiblalim Faclol 0
MW Cell 6 Caihlahon Factor 0
77 Hell ADE Voflag: lien 15 0000
4000 111A ADE Sens: Hasislnl 30 000 mElhm
192 mV VFE Sense Hesixlul 30 001 mElhm
902m vuczsz 11170 mV
5:; Hell vocaoz 11370 "N
1007. vncm 11730 mV
545 z zovn 3000 mV
100 0 z EDV1 10300 mV
412 111A :0v2 10700 mV
120 mV
7
0: Hell
50 00 IN
0 21 Z/day
7 0 z
200 "Ah
A03800 1 Read j Efffimm
0 0 De; I: ' " " " " " "
0 . Head EEPHUM
u W'“ Center“:
“5-232 Inletlaoo 0k
S‘SUUAM
Setting Programmable bq2060A Options
5-6
data or calibration for the changes to take effect. To reset the bq2060A click
| Options | Initialize Device |.
EEPROM data cannot be accessed on a sealed bq2060A (Pack Configuration
bit 6 is set). To unseal the pack, connect the EEPROM connector, and click |
Options | Unlock Device |. Be sure to remove power from the device and
re−apply to finish the unsealing procedure. To reseal the part, click | Options
| Seal | bq2060A |. Then reset the bq2060A by clicking | Options | Initialize
Device |.
IMPORTANT:
The correct setting of these options is essential to get the best performance.
The settings can be configured using the EEPROM Data Screen.
Figure 5−4. LION EEPROM Data Screen
EVZZIJIJ’SIJ Informa n N kelMelalHyd dE
Communica o 5 Options Help
T s lNS'lRLMthS
THE WI]
bqZDED Data] Extended EEprom I Calibration I Pro]
l'l lllllll I DSP All] Allll‘lli PM
Remaining Time Alarm 10 Min Pack Configuration A0 Hex Elticiency Reduction Rate 0 000 7.
Remaining Capacity Alarm 400 inAh Device Chemistry NiMH ADE Voltage Gain 15 0000
EDV A0 Factor I] 00 2/1 kCE MaxT DeltaT 77 Hex ADI: Sense Resistor 30 000 mflhm
EDV TC Factoi 0 0veiload Curient 2600 mA VFC Sense Hesistoi 30 001 m0hm
Misc option: 00 Hex Uvervoltage Margin 886 mV VUC 257. iisnn mV
Salety Dveiterriperatuie 30 0 Deg C Uvercuirent Margin 496 MA VUC 507. TZUUU mV
Charging Voltage 16000 "N Fast Charge Termination 7. 95 7. Vol: 757. l2500 mV
Cycle Count 0 Fully Charged Clear 7. 55 7. EDVU 10000 mV
Design Voltage 12000 "N Charge Eilrcrency 100 0 7. EDV‘l l0500 mV
Specification Information 0 0 2 1 DeltaT Time 200 sec EDVZ 10700 mV
Manufacture Date 2/19/2003 Holdoll Time 320 sec
Serial Number 1 Mtg Data Str Lengh 7
Fast Chaiging Cuiient 2000 MA Control Mode 00 Hex
Maint Chaiging Current 50 mA Digital Filtei 50 00 W
Pie-Charge Current 100 inAh Sell Discharge Plate 0 99 °/./day
Manulaclurei Name Bq Battery Lem 7. 7.0 °/.
Light Load Estimate 0 00 MA Near Full 200 mAh
Maximum Dveicharge 300 inAh VFE Dllset A03000
Device Name quaea Temperature Dllset o 0 Deg I: EffeHflfltL/fllm
Last Meaxured Dsg 4000 inAh ADI: Dllset 0
Pack Capacity 4000 inAh Efliciency Temp Comp 0 000 ZJ’D eg C Write Read EEPHUM
Cycle Count Threshold 32m] inAh Efliciency Drop on 7. Eu 7. Contents
“5-232 Inlerlace Elk 7.52‘28 AM
Setting Programmable bq2060A Options
5-7
Operation
Figure 5−5. NiMH EEPROM Data Screen
To read all the data from the bq2060A EEPROM click on | Read |. To write to
a selected location, click on the desired location, type in the desired data, and
press the ENTER key. After a moment, the next location is highlighted. The
entire EEPROM can be written this way.
The EEPROM configuration data can be saved to a file by selecting | File |
Store EEPROM | and entering a file name. An EEPROM file can also be
retrieved in this way and written to the bq2060A using the | Write | button.
To read the raw Hex data in the EEPROM, click on | Read EEPROM
Contents |. This reads the entire EEPROM contents and displays it in a new
window.
Afllzl
0000 7F 3|: 0A 00 C2 01 [I] [I] III III SB 31 80 00 00 00
0010 00 00 94 2A 21 III 84 2E 01 III BB 03 00 00 E4 00
0020 02 42 71 FF FF FF F F F F FF 00 00 00 D 4 FE
0030 0E 82 71 32 30 38 30 FF 94 11 94 11 F0 F1 00 A6
0040 04 4C 49 4F 4E 77 A0 N U: I 55 90 A1 FF 1E 40
0050 07 0E 20 05 12 54 El) 00 III DJ 00 00 00 00 00 38
0080 A0 00 00 00 00 [I] 20 4E 61 51 55 35 5E D 4 95 D3
0070 2E DZ 28 23 3C 28 73 11 CC 29 E5 14 FA 00 5A A5
Afllzl
0000 7F 3C 0A III C2 01 00 00 00 00 38 31 so [D 00 00
0010 00 00 94 2A 21 00 S4 2E 01 00 B B I]? III [I3 84 00
0020 02 42 71 FF FF FF FF FF FF FF FF III III III) D 4 FE
0030 0E 82 71 32 30 3E 30 FF 94 11 94 11 F0 F1 00 AS
0040 04 4C 49 4F 4E 77 A0 0F 00 3E 58 I A1 F 15 40
0050 07 0|: 2|) £6 12 B4 00 00 00 00 00 El) on DJ 00 38
0050 A0 00 II] II] 00 00 20 4E 51 51 55 35 5E D4 95 D 3
0070 2E DZ 28 23 3E 28 7B 11 EC 29 E E 14 FA [I] 5A A5
Setting Programmable bq2060A Options
5-8
Figure 5−6. Read EEPROM Values Screen
To view the raw Hex data prior to writing it to the EEPROM, click on | EEPROM
Values to be Written |. This reading is not from the EERPOM, but rather from
the locations as they are displayed. It translates all locations to a raw Hex
EEPROM map that is displayed in a new window exactly as it would go into
the EEPROM once written.
Figure 5−7. EEPROM Values to be Written Screen
Ev2200e601nlorma n L mIon S g]
(melons Opmns Help
TEXAS IN lRLMLle
TN! WfllLl] [[ADII
bquJEl] Data] Extended EEpmm I Calibration I P'DI
Remaining liine Alalm 10 Min Pack Conligiiiatm AS Hex Eel 3 talibiation Faclol 0
Remaining Capacity Alalm 450 "All Dme Clemstiy Ll0N Eel 4 talibiation Faclol 0
EDV A0 Faclol 0 00 z/1kcc MaxT DeltaT 77 Hex ADI: Voltage Gan 15 0000
EDV TC Factoi 0 Dvevluad Cuiient 4000 "A ADI: Sense Hesislul 90 000 mflhm
Misc Upliuns 00 Hex Dyeivoltage Maign 192 mV VFl: Sense Hesislul 90 001 mflhm
9alety Dyeiteinoeiatuie 00 0 Deg l: Dvelculm Maign 992 "A 111 0 "iv
Chaging Voltage 12000 inv Cell Undev/flvev Voltage 55 Hex 11370 inv
l:ycle Cuunl 0 Fast Chage leinmation 2 11730 inv
Design Voltage 10000 inv Filly Chalged Clea z 9000 "iv
soecilication Inlovmalm 0 0 2 1 Chage Elliciency 100 0 2 10300 inv
Manulactuie Date 37412003 Calm laoei Theshold 20s "A 10700 inv
Seiial Numoei 1 Dale" laoei Dual Volt 200 mV
Fast Chaging Cullenl 3000 inA Mlg Data St. Length 7
Maint Chaglng Cullenl 0 inA cmiol Mode 00 Hex
Ple-Ehage Cullenl 100 mm. Digtal rate. 50 00 W
Manulactuiei Name Bq Sel Dischaige Rate 0 21 z/oay
Light Load Estimate 0 00 nA Batteiy Low 7. 7 0 7.
Maximum Uvetchalge 300 mm. Neai m 200 nA
Device Name oo2050 VFC allset Read 353351;?“
Last Measuled Dsg 4500 mAh Tefllpevalue onset u 0 Deg I:
Pack Capacity 4500 mAh ADI: onset w,” Read EEPREIM
Cycle Count Theshokl 3500 "All CW9?“
RS-232 Inledace 0k
8.0113 AM
Setting Programmable bq2060A Options
5-9
Operation
All data required for calibration is also held in the EEPROM for the bq2060A
as highlighted in Figure 5−8.
Figure 5−8. EEPROM Data Screen—bq2060A Module Calibration Locations
Calibration
Data
LL
Calibration of a bq2060A Based Module Using the EV2200-60 Software
5-10
5.5 Calibration of a bq2060A Based Module Using the EV2200-60 Software
The VFC Offset tab is used in the calibration routine. The VFC Offset screen
offers a simple-to-use interface for calibrating the Offset of the VFC. Two
different types of offset can be selected.
Figure 5−9. VFC Offset Screen
Default VFC Offset: To select this offset method, click on | Start Calibration |.
This method appies an internal short (inside the bq2060A) across the sense
resistor. With the sense resistor shorted inside the bq2060A, there is less
chance that an external current can cause a poor offset calculation. If the
circuit board induces a slight offset, then it is not compensated for with this
method.
Alternate VFC Offset: To select this offset method, click on | Start Alternate
Calibration |. This method does not apply an internal short across the sense
resistor. Care must be taken that no current is flowing through the sense
resistor. If there is current, the bq2060A applies this current to its calculations,
resulting in an inaccurate VFC offset. With no short across the sense resistor,
this method compensates for board offset as long as no current is flowing.
Once calibration is started, the Calibration Started Field displays the time
when the calibration was initiated. The Elapsed Time continually updates the
amount of time in minutes since the calibration began.
To abort the offset attempt, click on | Abort |. This halts the offset calculation
process and stores a value of 0x003800 in to the EEPROM.
If this module is installed on a pack where VCC will be present to the bq2060A
after disconnecting from the EV2200, then you can click | Continue Calibration
Offline | and the bq2060A automatically finishes the calibration and stores the
Vantage/Temperature Current/WC Ga’l l VFEI Dflsell
-VDLTAGE/TEMPEF;ATURE
Temperature
Refinance Standard
295 2 EntevValue
I:e||1 3574 Entev Value mv
Chemistry | Linn
CellSnucmel 35*
DD [Ms :ahbvalmn lwsl,
asADC nurse: W 5_|
silent :uuent lat
cal" " 2 7203 Enter Value mv cahmauun accuracy
\NSURE that no mutant
‘3 nowmg through me
sense lemslol
3am Vallaue 10653 Enlev Value mV
*UJHHENTNFI: GAIN
Anach load to ballevy,
_ than enlev actual 5‘3"
Cunenl Heading 0 Emer Value mA culrenl a| lel!
Calibration of a bq2060A Based Module Using the EV2200-60 Software
5-11
Operation
final result in the EEPROM when it is complete. When this option is selected,
a popup window appears asking if you wish to seal the pack after the
calibration is complete. Click | Yes | to seal the pack after calibration or | No |
to finish calibration without sealing the pack. This also is done automatically
by the bq2060A after it completes calibration.
Figure 5−10. 3 Cell LION Calibration Screen
The LiON Calibration screen differs from the NiMH calibration screen by the
individual cell voltages and cell structure. If the Chemistry or Cell Structure
fields do not show the proper configuration in their respective fields, then
select the bq2060A Data Screen Tab, select | Options | Initialize Device |, wait
5 seconds and then return to the Calibration Tab.
The Voltage/Temperature and Current/VFC Gain screen has two frames. The
top frame is for calibrating voltage and temperature. Perform this calibration
procedure prior to the Current/VFC Gain calibration.
To perform the Voltage/Temperature calibration, enter values in the Reference
Standard column that were recorded using a traceable calibrated standard. Be
sure to measure the voltage at the connections to the bq2060AEVM-00X
module to get the most accurate results. Also be sure to add the cells together
at each individual cell field for all the cells below it. The Battery Voltage Field
should be derived from all the cells added together. If this application does not
have individual cell voltage monitoring, then only the Battery Voltage field is
displayed. Enter the temperature in the appropriate field in the Reference
Standard column. Click on the | Start | button to finish the Voltage/Temperature
calibration.
To perform the Current/VFC Gain calibration, connect a traceable calibrated
load to the bq2060AEVM-00X module as shown in Figure 5−1 or 5−2. Then
enter the Load current in the Reference Standard column, and click | Start | to
finish the Current/VFC Gain calibration.
EVZZIJIJ’SIJ Information L m Ion
F Communications Options Help
T
INSTRUMENTS T u E
qunan Data] Extended] EEpromI Calibration
[SM Bus]
REGISTER FUNCTIEIN EDITEIH
[—21
ADDRESS CONTENTS
DB4— l—
l— l—
LEADER
DWELL FREQUENCY
Wise:
DWELLADDHESS
DWELL
Clear
Dwell
Slop
(‘ Hex
(~‘ Decimal
:1
MP nu Mun: P°"i"9
Direct Access Communication
5-12
5.6 Direct Access Communication
The Pro Screen allows direct access to all the memory in the bq2060A
including the memory above the SMBus locations providing that the bq2060A
is unsealed. The scan tool called Dwell is useful for scanning a specific
location.
Figure 5−11. Pro Screen

Schematic
5-13
Operation
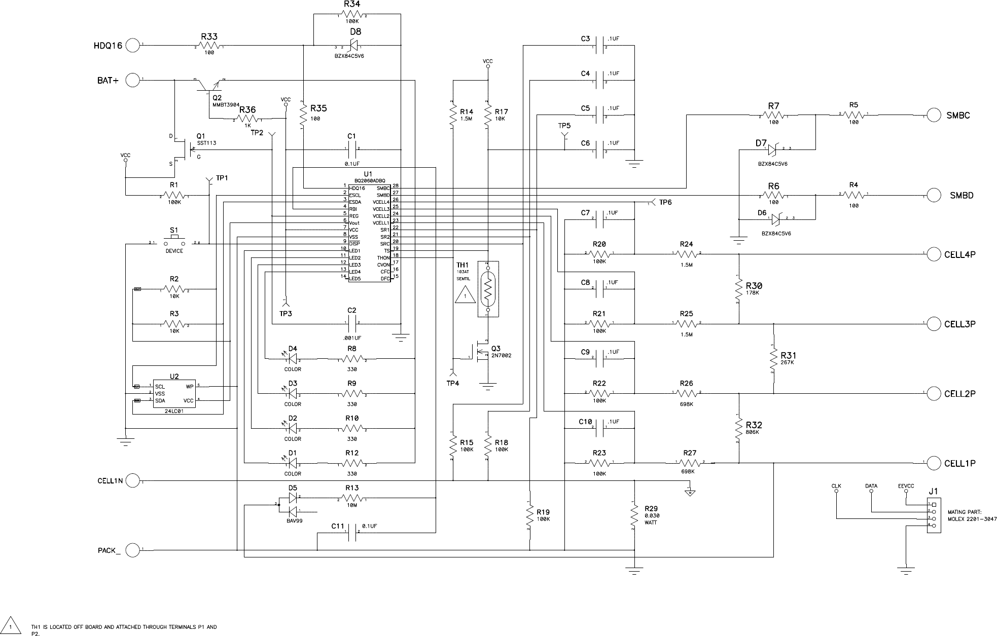
5.7 Schematic
(The schematic diagram is appended to the PDF document).
A
R34
‘ M ,
wax
D8
HDows/\ BA}? V C} ‘ ‘ M
v “m; ;;N w
mm
m
f\ (:4 ‘ ‘ mr
EAT+ \J ‘ \ \’
53mm V“ " R5
R35 R35 R14 R17 C5 ‘ ‘ M RA ‘ A
fiflvA/Vv/ ma new mx ‘ ‘ W 'W
m > TF5
n m T” cu ,
Lssms c5 ‘ ‘ wr 97M
van F‘c \ v w
s azxaocms
R‘ TPI R
* R6 4
VV‘ ’ 7 N\ O SMEID
WW TPS ‘55 me
(371‘ ‘VVUF D6 N1 ‘
5‘ \ \ W
h mmvs
' (J 0 R28 R1‘ 7
pm: , \M ’ J CELL4F
TH‘ ‘WK YSM
:2 mam C8 J ‘ VHF R30
E—KW A x x \
/ ‘
R3 RZI R25
« /' w ' ' ’ OCELLEP
w W
m
03 V
Imam 09, ‘ 'U‘ R31
\—{ 2m
u2 “
‘ w W , *0} R9 TPA R12 R16
v55 ,m , W. \M vw J CELLZP
5m VEC CULDR am maK BEAK
D2 R10 7 ’
x cu m;
‘,m, , /\/V , , } } $23
45 com m2 m5 E m5 ‘
\KD‘ m2 ‘W ‘53“ R23 R27
m \n/v \_'/\/\ , A v 4w \J CELL1 F
A com me WW 59“
CELLIN kl ‘
as m5 K; cm um nycc J1
/ I—‘
y » » R Lm
“'9 J?“ m ummpm
W W W m mmmw
cn‘ ‘ aw; ~ ’ LO
/\ ‘ ‘
PACK, \7/‘
m ‘5 Lawn) arr Homo AND ATTACHED woucu mm“ M AND
F:
Products related to this Datasheet
EVALUATION MOD FOR BQ2060A-001
EVALUATION MOD FOR BQ2060A-002