MCP215X 40 Users Guide Datasheet by Microchip Technology
View All Related Products | Download PDF Datasheet
6‘
MICRDCHIP
© 2006 Microchip Technology Inc. DS51591A
MCP215X/40
Developer’s Daughter Board
User’s Guide
QUALITY MANAGEMENT SYSTEM
CERTIFIED BY DNV
= ISO/TS 16949:2002 =
DS51591A-page ii © 2006 Microchip Technology Inc.
Information contained in this publication regarding device
applications and the like is provided only for your convenience
and may be superseded by updates. It is your responsibility to
ensure that your application meets with your specifications.
MICROCHIP MAKES NO REPRESENTATIONS OR WAR-
RANTIES OF ANY KIND WHETHER EXPRESS OR IMPLIED,
WRITTEN OR ORAL, STATUTORY OR OTHERWISE,
RELATED TO THE INFORMATION, INCLUDING BUT NOT
LIMITED TO ITS CONDITION, QUALITY, PERFORMANCE,
MERCHANTABILITY OR FITNESS FOR PURPOSE.
Microchip disclaims all liability arising from this information and
its use. Use of Microchip devices in life support and/or safety
applications is entirely at the buyer’s risk, and the buyer agrees
to defend, indemnify and hold harmless Microchip from any and
all damages, claims, suits, or expenses resulting from such
use. No licenses are conveyed, implicitly or otherwise, under
any Microchip intellectual property rights.
Trademarks
The Microchip name and logo, the Microchip logo, Accuron,
dsPIC, KEELOQ, microID, MPLAB, PIC, PICmicro, PICSTART,
PRO MATE, PowerSmart, rfPIC and SmartShunt are
registered trademarks of Microchip Technology Incorporated
in the U.S.A. and other countries.
AmpLab, FilterLab, Migratable Memory, MXDEV, MXLAB,
PICMASTER, SEEVAL, SmartSensor and The Embedded
Control Solutions Company are registered trademarks of
Microchip Technology Incorporated in the U.S.A.
Analog-for-the-Digital Age, Application Maestro, dsPICDEM,
dsPICDEM.net, dsPICworks, ECAN, ECONOMONITOR,
FanSense, FlexROM, fuzzyLAB, In-Circuit Serial
Programming, ICSP, ICEPIC, Linear Active Thermistor,
MPASM, MPLIB, MPLINK, MPSIM, PICkit, PICDEM,
PICDEM.net, PICLAB, PICtail, PowerCal, PowerInfo,
PowerMate, PowerTool, Real ICE, rfLAB, rfPICDEM, Select
Mode, Smart Serial, SmartTel, Total Endurance, UNI/O,
WiperLock and Zena are trademarks of Microchip Technology
Incorporated in the U.S.A. and other countries.
SQTP is a service mark of Microchip Technology Incorporated
in the U.S.A.
All other trademarks mentioned herein are property of their
respective companies.
© 2006, Microchip Technology Incorporated, Printed in the
U.S.A., All Rights Reserved.
Printed on recycled paper.
Note the following details of the code protection feature on Microchip devices:
• Microchip products meet the specification contained in their particular Microchip Data Sheet.
• Microchip believes that its family of products is one of the most secure families of its kind on the market today, when used in the
intended manner and under normal conditions.
• There are dishonest and possibly illegal methods used to breach the code protection feature. All of these methods, to our
knowledge, require using the Microchip products in a manner outside the operating specifications contained in Microchip’s Data
Sheets. Most likely, the person doing so is engaged in theft of intellectual property.
• Microchip is willing to work with the customer who is concerned about the integrity of their code.
• Neither Microchip nor any other semiconductor manufacturer can guarantee the security of their code. Code protection does not
mean that we are guaranteeing the product as “unbreakable.”
Code protection is constantly evolving. We at Microchip are committed to continuously improving the code protection features of our
products. Attempts to break Microchip’s code protection feature may be a violation of the Digital Millennium Copyright Act. If such acts
allow unauthorized access to your software or other copyrighted work, you may have a right to sue for relief under that Act.
Microchip received ISO/TS-16949:2002 quality system certification for
its worldwide headquarters, design and wafer fabrication facilities in
Chandler and Tempe, Arizona and Mountain View, California in
October 2003. The Company’s quality system processes and
procedures are for its PICmicro® 8-bit MCUs, KEELOQ® code hopping
devices, Serial EEPROMs, microperipherals, nonvolatile memory and
analog products. In addition, Microchip’s quality system for the design
and manufacture of development systems is ISO 9001:2000 certified.
Q
MICRDCHIP
MCP215X/40 DEVELOPER’S
DAUGHTER BOARD USER’S GUIDE
© 2006 Microchip Technology Inc. DS51591A-page iii
Table of Contents
Preface ........................................................................................................................... 1
Chapter 1. Product Overview ....................................................................................... 7
1.1 Introduction ..................................................................................................... 7
1.2 What is the MCP215X/40 Developer’s Daughter Board? ............................... 7
1.3 What the MCP215X/40 Developer’s Daughter Board Kit Includes ................. 8
Chapter 2. Installation and Operation ......................................................................... 9
2.1 Introduction ..................................................................................................... 9
2.2 Features ....................................................................................................... 10
2.3 Getting Started ............................................................................................. 12
2.4 Making a Demo System ............................................................................... 21
2.5 MCP215X/40 Developer’s Daughter Board Description ............................... 23
Appendix A. Schematic and Layouts ........................................................................ 31
A.1 Introduction .................................................................................................. 31
A.2 Schematics and PCB Layout ....................................................................... 31
A.3 Schematic (Headers and Jumpers) – Page 1 ............................................ 32
A.4 Schematic (Circuitry) – Page 2 .................................................................. 33
A.5 Schematic (Circuitry) – Page 3 .................................................................. 34
A.6 Board Layout – Component Layer ............................................................. 35
A.7 Board Layout – Top Layer .......................................................................... 36
A.8 Board Layout – Bottom Layer .................................................................... 37
A.9 Board Layout – Power Layer ..................................................................... 38
A.10 Board Layout – Ground Layer .................................................................. 39
Appendix B. Bill of Materials (BOM) .......................................................................... 41
Appendix C. Board Testing ........................................................................................ 43
C.1 Introduction .................................................................................................. 43
C.2 What is Tested ............................................................................................. 43
C.3 What is NOT Tested .................................................................................... 44
Appendix D. Using the MCP215X/40 Developer’s Daughter Board with the
PICDEM™ HPC Explorer Demo Board ................................................ 45
D.1 Demonstration using the PICDEM™ HPC Explorer Demo Board ............... 45
Appendix E. Using the MCP215X/40 Developer’s Daughter Board with the
PICDEM™ FS USB Demo Board .......................................................... 65
E.1 Demonstration with the PICDEM FS USB Demo Board .............................. 65
E.2 MCP215X/40 Developer’s Daughter Board PCB Rev 2 Errata .................... 73
Appendix F. Configuring the HyperTerminal® Program ......................................... 75
F.1 Configuring the HyperTerminal® Program ................................................... 75

MCP215X/40 Developer’s Daughter Board User’s Guide
DS51591A-page iv © 2006 Microchip Technology Inc.
Appendix G. MCP215X/40 Connection Sequence Overview ...................................81
Appendix H. MCP215X/40 250-Byte Data Transmit Table ........................................83
Appendix I. Alternate Optical Transceiver Implementation .....................................85
I.1 Introduction .................................................................................................... 85
I.2 Highlights ....................................................................................................... 85
I.3 Vishay® TFDU 4100 Implementation ............................................................ 86
I.4 Agilent® HSDL 3000 Implementation ............................................................ 87
Appendix J. PCB Silk-Screen Clarification ...............................................................89
J.1 Introduction ................................................................................................... 89
Worldwide Sales and Service .....................................................................................90
Q
MICRDCHIP
MCP215X/40 DEVELOPER’S
DAUGHTER BOARD USER’S GUIDE
© 2006 Microchip Technology Inc. DS51591A-page 1
Preface
INTRODUCTION
This chapter contains general information that will be useful to know before using the
MCP215X/40 Developer’s Daughter Board. Items discussed in this chapter include:
• Document Layout
• Conventions Used in this Guide
• Recommended Reading
• The Microchip Web Site
• Customer Support
• Document Revision History
NOTICE TO CUSTOMERS
All documentation becomes dated, and this manual is no exception. Microchip tools and
documentation are constantly evolving to meet customer needs, so some actual dialogs
and/or tool descriptions may differ from those in this document. Please refer to our web site
(www.microchip.com) to obtain the latest documentation available.
Documents are identified with a “DS” number. This number is located on the bottom of each
page, in front of the page number. The numbering convention for the DS number is
“DSXXXXXA”, where “XXXXX” is the document number and “A” is the revision level of the
document.

MCP215X/40 Developer’s Daughter Board User’s Guide
DS51591A-page 2 © 2006 Microchip Technology Inc.
DOCUMENT LAYOUT
This document describes how to use the MCP215X/40 Developer’s Daughter Board as
a development tool to emulate and debug firmware on a target board. The manual lay-
out is as follows:
•Chapter 1. “Product Overview” – Important information about the MCP215X/40
Developer’s Daughter Board.
•Chapter 2. “Installation and Operation” – Includes a detailed description of
each function, as well as instructions on how to get started with this daughter
board.
•Appendix A. “Schematic and Layouts” – Shows the schematic and layout
diagrams for the MCP215X/40 Developer’s Daughter Board.
•Appendix B. “Bill of Materials (BOM)” – Lists the parts used to build the
MCP215X/40 Developer’s Daughter Board.
•Appendix C. “Board Testing” – Discusses the testing of the MCP215X/40
Developer’s Daughter Board.
•Appendix D. “Using the MCP215X/40 Developer’s Daughter Board with the
PICDEM™ HPC Explorer Demo Board” – Shows how the MCP215X/40 Devel-
oper’s Daughter Board can be demonstrated using the PICDEM™ HPC Explorer
Demo Board.
•Appendix E. “Using the MCP215X/40 Developer’s Daughter Board with the
PICDEM™ FS USB Demo Board” – Shows how the MCP215X/40 Developer’s
Daughter Board can be demonstrated using the PICDEM™ FS USB Demo
Board.
•Appendix F. “Configuring the HyperTerminal® Program” – Shows the
configuration of the HyperTerminal program used to demonstrate the
MCP215X/40 Developer’s Daughter Board system.
•Appendix G. “MCP215X/40 Connection Sequence Overview” – Shows a high
level overview of the connection sequence between a Primary Device and either
the MCP215X or MCP2140 device.
•Appendix H. “MCP215X/40 250-Byte Data Transmit Table” – Shows the data
table that is transmitted to the Primary Device (from the embedded system) if the
“Data Logger” demo is selected.
•Appendix I. “Alternate Optical Transceiver Implementation” – Discusses what
needs to be done if an alternate optical transceiver circuit is to be used. This
includes changes to the circuit when using the MCP2140 device.
•Appendix J. “PCB Silk-Screen Clarification” – Clarifies what the silk screen
marking should say for the JMP4 jumper.
AB®
File>Save
Preface
© 2006 Microchip Technology Inc. DS51591A-page 3
CONVENTIONS USED IN THIS GUIDE
This manual uses the following documentation conventions:
DOCUMENTATION CONVENTIONS
Description Represents Examples
Arial font:
Italic characters Referenced books MPLAB® IDE User’s Guide
Emphasized text ...is the only compiler...
Initial caps A window the Output window
A dialog the Settings dialog
A menu selection select Enable Programmer
Quotes A field name in a window or
dialog
“Save project before build”
Underlined, italic text with
right angle bracket
A menu path File>Save
Bold characters A dialog button Click OK
A tab Click the Power tab
N‘Rnnnn A number in verilog format,
where N is the total number of
digits, R is the radix and n is a
digit.
4‘b0010, 2‘hF1
Text in angle brackets < > A key on the keyboard Press <Enter>, <F1>
Courier New font:
Plain Courier New Sample source code #define START
Filenames autoexec.bat
File paths c:\mcc18\h
Keywords _asm, _endasm, static
Command-line options -Opa+, -Opa-
Bit values 0, 1
Constants 0xFF, ‘A’
Italic Courier New A variable argument file.o, where file can be
any valid filename
Square brackets [ ] Optional arguments mcc18 [options] file
[options]
Curly brackets and pipe
character: { | }
Choice of mutually exclusive
arguments; an OR selection
errorlevel {0|1}
Ellipses... Replaces repeated text var_name [,
var_name...]
Represents code supplied by
user
void main (void)
{ ...
}

MCP215X/40 Developer’s Daughter Board User’s Guide
DS51591A-page 4 © 2006 Microchip Technology Inc.
RECOMMENDED READING
This user's guide describes how to use the MCP215X/40 Developer’s Daughter Board.
The following Microchip documents are available and recommended as supplemental
reference resources.
MCP2150 Data Sheet (DS21655)
This data sheet provides detailed information regarding the MCP2150 device.
MCP2155 Data Sheet (DS21690)
This data sheet provides detailed information regarding the MCP2150 device.
MCP2140 Data Sheet (DS21790)
This data sheet provides detailed information regarding the MCP2140 device.
AN858, “Interfacing the MCP215x to the Host Controller” (DS00858)
This application note discusses the interface between a Host Controller and the
MCP215X device.
TB073, “Selecting a MCP21XX Device for IrDA® Applications” (DS91073)
This technical brief discusses the selection of the MCP21XX devices for IrDA®
standard applications.
AN888, “Programming the Palm OS® for Embedded IR Applications” (DS00888)
This application note discusses the application programming of Palm OS devices for
embedded IrDA® standard applications.
AN926, “Programming the Pocket PC OS for Embedded IR Applications”
(DS00926)
This application note discusses the application programming of Pocket PC OS devices
for embedded IrDA® standard applications.
AN941, “Programming Windows® XP for Embedded IR Applications” (DS00941)
This application note discusses the application programming of Windows XP for
embedded IrDA® standard applications.
AN923, “Using the MCP2120 Developer’s Board for “IR Sniffing”” (DS00923)
This application note discusses how one can use the MCP2120 Developer’s Board for
“IR Sniffing”. This technique can assist in the debugging of an IrDA® standard system.
AN927, “Data Throughput and the MCP215X” (DS00927)
This application note discusses the operation of the MCP215X and how data through-
put can be effected by the Host Controller’s operation.
MCP215X Data Logger Demo Board User’s Guide (DS51516)
This User’s Guide provides information regarding the use of the MCP215X devices in
an embedded system. This document also includes discussion of a Primary Device
application program and it’s operation.
MCP2140 IrDA® Standard Wireless Temperature Sensor Demo Board User’s
Guide (DS51487)
This User’s Guide provides information regarding the use of the MCP2140 devices in
an embedded system and a discussion of a Primary Device application program and
it’s operation.
MCP2120/MCP2150 Developer’s Kit User’s Guide (DS51246)
This User’s Guide provides information on the MCP2150 Developer’s Board.

Preface
© 2006 Microchip Technology Inc. DS51591A-page 5
The following documents may be useful, depending on which PICDEM™ demo
board you are using with the MCP215X/40 Developer’s Daughter Board.
PIC18F8722 Family Data Sheet (DS39646)
This data sheet provides detailed information regarding the PIC18F8722 device. This
device is used on the PICDEM™ HPC Explorer Demo Board (DM183022).
PICDEM™ 2 Plus Demo Board User’s Guide (DS51275)
This user’s guide provides detailed information regarding the PICDEM™ 2 Plus Board
(DM163022).
PIC16F87XA Family Data Sheet (DS39582)
This data sheet provides detailed information regarding the PIC16F87XA device. This
device is used on the PICDEM™ 2 Plus Demo Board (DM163022).
PICDEM™ FS USB Demonstration Board User’s Guide (DS51526)
This user’s guide provides detailed information regarding the PICDEM™ Full-Speed
USB Demo Board (DM163025).
PIC18F2455/2550/4455/4550 Data Sheet (DS39632)
This data sheet provides detailed information regarding the PIC18F4550 device. This
device is used on the PICDEM™ Full-Speed USB Demo Board (DM163025).
PICDEM™ LCD Demo Board User’s Guide (DS51536)
This user’s guide provides detailed information regarding the PICDEM™ LCD
Demo Board (DM163028).
PIC18F6390/6490/8390/8490 Data Sheet (DS39629)
This data sheet provides detailed information regarding the PIC18F8490 device. This
device is used on the PICDEM™ LCD Demo Board (DM163028).

MCP215X/40 Developer’s Daughter Board User’s Guide
DS51591A-page 6 © 2006 Microchip Technology Inc.
THE MICROCHIP WEB SITE
Microchip provides online support via our web site at www.microchip.com. This web
site is used as a means to make files and information easily available to customers.
Accessible by using your favorite Internet browser, the web site contains the following
information:
•Product Support – Data sheets and errata, application notes and sample
programs, design resources, user’s guides and hardware support documents,
latest software releases and archived software
•General Technical Support – Frequently Asked Questions (FAQs), technical
support requests, online discussion groups, Microchip consultant program
member listing
•Business of Microchip – Product selector and ordering guides, latest Microchip
press releases, listing of seminars and events, listings of Microchip sales offices,
distributors and factory representatives.
CUSTOMER SUPPORT
Users of Microchip products can receive assistance through several channels:
• Distributor or Representative
• Local Sales Office
• Field Application Engineer (FAE)
• Technical Support
• Development Systems Information Line
Customers should contact their distributor, representative or field application engineer
(FAE) for support. Local sales offices are also available to help customers. A listing of
sales offices and locations is included in the back of this document.
Technical support is available through the web site at: http://support.microchip.com
DOCUMENT REVISION HISTORY
Revision A (February 2006)
• Initial Release of this Document.
Q
MICRDCHIP
MCP215X/40 DEVELOPER’S
DAUGHTER BOARD USER’S GUIDE
© 2006 Microchip Technology Inc. Draft DS51591A-page 7
Chapter 1. Product Overview
1.1 INTRODUCTION
This chapter provides an overview of the MCP215X/40 Developer’s Daughter Board
and covers the following topics:
• What is the MCP215X/40 Developer’s Daughter Board?
• What the MCP215X/40 Developer’s Daughter Board Kit includes
1.2 WHAT IS THE MCP215X/40 DEVELOPER’S DAUGHTER BOARD?
The MCP215X/40 Developer’s Daughter Board is used to evaluate and demonstrate
the MCP2150, MCP2155 or MCP2140 IrDA® Standard Protocol Handler with
Encoder/Decoder devices. This allows the system designer to implement a low-cost,
wireless IR port in any application providing support for IrDA standard bit encoding/
decoding.
The MCP215X/40 Developer’s Daughter Board is designed to interface to several of
the “new” low-cost PICmicro® microcontroller-based demonstration (demo) boards, or
to be interfaced into your application. Multiple header interfaces are available that allow
support for the many different PICDEM™ Demo Boards, as well as being easily
jumpered into systems for development purposes. Table 1-1 shows some of the
PICDEM™ demo boards that are supported.
Depending on the features of the PICmicro Microcontroller Unit (MCU) and the
selected demo board, the MCP215X/MCP2140 TX and RX signals can either be
connected (jumpered) directly to the RS-232 line driver or to the PICmicro MCU’s RX
and TX signals. The PICmicro MCU could process that data and then send it out of the
UART.
TABLE 1-1: PICDEM™ DEMO BOARD SUPPORT (1)
Name Order
Number
User’s
Guide
Literature #
Host Controller
(PICmicro® MCU)
Supported
Header(s)
Used
TX/RX Signals to (3)
Host
Controller RS-232
PICDEM™ HPC Explorer Board (2) DM183022 — PIC18F8722 H1, H2 Y Y
PICDEM™ LCD DM163028 DS51536 PIC18F8490 H1, H2 Y Y
PICDEM™ Full-Speed USB DM163025 DS51526 PIC18F4550 H3 Y N/A
PICDEM™ 2 Plus DM163022 DS51275 PIC16F877,
PIC18F452
H3 Y N
User Embedded System N/A — — HD1 and HD2 Y —
Note 1: Other boards may also be supported. Please refer to the MCP215X/40 Developer’s Daughter Board and
desired PICDEM™ Demo Board documentation to determine if the boards you are using are supported.
2: For proper orientation of the daughter board to the PICDEM™ demo board, Revision 5 of the
PICDEM™ HPC Explorer Board is recommended. Revision 4 will function, but the direction of the optical
transceiver will be facing the same side as the serial port connector.
3: The MCP215X/40 Developer’s Daughter Board allows the MCP215X TX and RX signals to be routed to
different header connections. This may allow the system to support multiple configurations, such as being
connected to either the PICmicro® MCU USART or to the RS-232 driver (allows the MCP215X to directly
communicate via the DB-9 connector).

MCP215X/40 Developer’s Daughter Board User’s Guide
DS51591A-page 8 Draft © 2006 Microchip Technology Inc.
1.3 WHAT THE MCP215X/40 DEVELOPER’S DAUGHTER BOARD KIT INCLUDES
This MCP215X/40 Developer’s Daughter Board Kit includes:
• The MCP215X/40 Developer’s Daughter Board (with MCP2150 installed)
• MCP215X/40 Developer’s Daughter Board User’s Guide (DS51591)
(on CD-ROM)
• PICDEM™ HPC Explorer Board firmware (on CD-ROM)
• PICDEM™ USB Board firmware (on CD-ROM)
Q
MICRDCHIP
MCP215X/40 DEVELOPER’S
DAUGHTER BOARD USER’S GUIDE
© 2006 Microchip Technology Inc. DS51591A-page 9
Chapter 2. Installation and Operation
2.1 INTRODUCTION
This chapter discusses the operation of the MCP215X/40 Developer’s Daughter Board
and how it can be used in conjunction with some of Microchip’s low-cost PICDEM™
Demo Boards or easily connected to your system.
When the MCP215X/40 Developer’s Daughter Board is used in conjunction with one of
the low-cost PICDEM™ Demo Boards, it demonstrates the implementation of an
embedded system with an IrDA® standard protocol handler with encoder/decoder. A
Primary Device (PC with IR port, PDA, etc.) is required to demonstrate the operation of
this embedded system.
The Host UART interface includes the data signals (TX and RX) and the flow control
signals (CTS, RTS, CD, DSR, DTR and RI). A discussion of the Host UART interface
is given in the following application note:
• AN858, “Interfacing the MCP215X to a Host Controller” (DS00858)
• AN927, “Data Throughput and the MCP215X” (DS00927)

MCP215X/40 Developer’s Daughter Board User’s Guide
DS51591A-page 10 © 2006 Microchip Technology Inc.
2.2 FEATURES
The MCP215X/40 Developer’s Daughter Board has the following features:
• 18-pin DIP socket for the installation of the MCP2150, MCP2155 or MCP2140
• Installed optical transceiver circuit using:
-Vishay
® TFDU 4300
• Footprint for optional optical transceiver circuits using:
- Vishay TFDU 4100
- Agilent® HSDL 3000
• Waveform shaping circuit for MCP2140
• Jumpers to select circuit connection between MCP215X and MCP2140:
- BAUD0 and RXPD
- BAUD1 and RXPDREF
- EN and PHACT
- CD and DSR (Drives the “IR Link” LED)
• Crystal socket to allow ease of crystal selection:
- 11.0592 MHz for the MCP215X or
- 7.3728 MHz for the MCP2140
• Dual Header (H1 and H2) to connect to:
- PICDEM™ HPC Explorer Demo Board
- PICDEM™ LCD Demo Board
• Header (H3) to connect to:
- PICDEM™ Full-Speed USB Demo Board
- PICDEM™ 2 Plus Demo Board
• Two Headers (HD1 and HD2) to easily connect to the user’s embedded system
• Jumpers to select connection point (header) for the following signals:
-TX
-RX
• Jumpers to “swap” TX and RX so that the MCP215X and MCP2140 can directly
communicate over the PICDEM™ HPC Explorer Board’s DB-9 connector
• Jumpers which can be used by the PICDEM™ Demo Board firmware program to
determine the mode of operation
• Jumpers to connect RX and TX signals to the PICDEM™ 2 Plus Demo Board
connection pins

Installation and Operation
© 2006 Microchip Technology Inc. DS51591A-page 11
TABLE 2-1: PICDEM™ DEMO BOARD SUPPORT
PICmicro®
MCU Demo
Board Name
Part # PICmicro®
MCU
MCU
Interface
to PC
MCP215X/40
RX/TX direct
access to DB9
User’s
Guide Lit. # Comment
PICDEM™ HPC
Explorer
DM183022 PIC18F8722 UART Yes — MCU firmware could support:
• MCP215X/40 →MCU
• MCP215X/40 →PC
(UART)
• MCP215X/40 →MCU
→ PC (UART)
PICDEM™ LCD DM163028 PIC18F8490 UART Yes DS51536 MCU firmware could support:
• MCP215X/40 →MCU
• MCP215X/40 →PC
(UART)
• MCP215X/40 →MCU
→ PC (UART)
DB-9 does not have
CTS signal
PICDEM™
Full-Speed USB
DM163025 PIC18F4550 USB — DS51526 MCU firmware could support:
• MCP215X/40 →MCU
• MCP215X/40 →MCU
→ PC (USB)
PICDEM™ 2
Plus
DM163022 PIC16F877/
PIC18F452
UART — DS51275 MCU firmware could support:
• MCP215X/40 →MCU

MCP215X/40 Developer’s Daughter Board User’s Guide
DS51591A-page 12 © 2006 Microchip Technology Inc.
2.3 GETTING STARTED
This section presents an overview of the following system blocks:
• The MCP215X/40 Developer’s Daughter Board Hardware
• The MCP215X/40 Developer’s Daughter Board Firmware
2.3.1 The MCP215X/40 Developer’s Daughter Board Hardware
Overview
The major components for the MCP215X/40 Developer’s Daughter Board are listed
below and shown in Figure 2-1. They are:
1. MCP215X and MCP2140 device socket (U1).
2. Optical transceiver (U5 – Vishay TFDU 4300).
3. Headers H1 and H2.
4. Header H3.
5. Header HD1 and HD2.
6. Jumpers to route the TX and RX signals.
7. Jumpers to select the baud rate and the program operational mode, and to
enable/disable the MCP215X.
8. Jumpers to configure the board for MCP2150, MCP2155 or MCP2140 device.
9. Footprint for two different optional optical transceiver circuits
(Vishay TFDU 4100 and Agilent HSDL 3000).
10. MCP215X and MCP2140 crystal socket (Y1).
The MCP215X/40 Developer’s Daughter Board is assembled and tested to allow for
the evaluation and demonstration of the MCP2150, MCP2155 or MCP2140 features.
A schematic of the circuit, as well as the corresponding PCB layout, is shown in
Appendix A. “Schematic and Layouts”. Appendix B. “Bill of Materials (BOM)”
shows two tables; the first is the components that are installed, while the second lists
the optional components that are not installed.
The component layout floor plan is shown in Figure 2-1.
EOOOOOOOOO§ I—OOOOOO 'm)
M on“ "'0“ A .4
.x z , .~ . .
§1 MCPzISX/w new.“ F” O
3-Daugmrad. mz—aew
m. 33:3,)?”
MC mu
5 _ a B/RXPD
00000000000000
6‘0000000000000
Installation and Operation
© 2006 Microchip Technology Inc. DS51591A-page 13
FIGURE 2-1: MCP215X/40 DEVELOPER’S DAUGHTER BOARD COMPONENT FLOOR PLAN
1
2
3
4
5
6
7
9
10 8

MCP215X/40 Developer’s Daughter Board User’s Guide
DS51591A-page 14 © 2006 Microchip Technology Inc.
2.3.2 Jumper Settings
Figure 2-2 shows the component layout for the MCP215X/40 Developer’s Daughter
Board and the operation of the JMP5/JP6 and JMP6/JP7 jumpers. These jumpers
route the RX and TX signals to different Headers (H1, H2, H3) and pins on those
headers. This allows the RX and TX signals to be routed to:
• UART1 (on H1 and H3)
•UART2 (on H2)
• PICDEM™ HPC Explorer Demo Board MAX3232 device, which requires the TX
and RX signals to be crossed
The JP8 and JP9 jumpers route the TX and RX signals to additional pins on the H3
header. This allows the board to be interfaced to the PICDEM-2 Plus Demo Board.
A description of all the MCP215X/40 Developer’s Daughter Board jumpers is given in
Tab le 2-4.
8
E0 oooooooglflooooooooog «fig
0 l- M 1/] m of — D U) m
‘59 EESEBEEWWI «mg?
g > ”L McP215X/4o Dev. ”‘ m PHQST I M “3
\ g DaughterBd. 192-eee77 am
8 1 R25 '103 8
m W CHDT‘an‘G “Ii-103 l E R5 JP: so
I
fine-405 46 5x um @HQ
! ®mc um lC-I-I-J um R27: -®m
I @fcm _ Jmooooooooo mm “g
A
“5 H 5 § Immaé
0‘3 m cm W snoooooooo Rs M
T R9 5X 40 5X
MB vss o 0 R89 IBEX-1 E§§&| o o vss Rae
VDD o 0 RBI HEX-I.) M” JMP4 0 OVDD R81
33' R62 0 o RafiJMP1 0 0E5“
OORBSnn OORCOR33
4 R13 R1916XCLKVDD 0 0 RC1 R84
. RESOORE7 0016X RES
R RE4 OO RES 0 0 RM REG
v RFeOORF/ OOFWRE7
RF4 OO RFS O O RST R06
m 00 RF} 0 o TX RC7
Rm oo RF1 o o RX RAB
NRmooncs comma
o o RA4 RES
R60 0 a RG1 ol5RA5 REZ
R25 H2 R21 D2 H
5 9;
MICFIDCHIP ":3- “ §®
Link
/
5E3 m3 E3
E1! E
E1!
Eli!
333 E E
BEE
Installation and Operation
© 2006 Microchip Technology Inc. DS51591A-page 15
FIGURE 2-2: JMP5/JP6, JMP6/JP7, JP8 AND JP9 CONFIGURATIONS
JMP5/JP6 (RX)
RX to H1-RC7 (RXD)
TX to H1-RC6 (TXD)
RX to H1-RC6 (TXD)
TX to H1-RC7 (RXD)
RX to H2-RG2 (RX2), and
TX to H2-RG1 (TX2), and RX to H3-RC7 (RXD)
TX to H3-RC6 (TXD)
(DB-9 to PC)
(DB-9 to PC)
Selections
JMP6/JP7 (TX)
Selections
TX2 NOT connected to
JP8 Selections
H3-10 (TX)
TX2 connected to
H3-10 (TX)
TX2 NOT connected to
JP9 Selections
H3-10 (TX)
TX2 connected to
H3-10 (TX)

MCP215X/40 Developer’s Daughter Board User’s Guide
DS51591A-page 16 © 2006 Microchip Technology Inc.
Figure 2-3 shows the component layout for the MCP215X/40 Developer’s Daughter
Board and the operation of the JP1, JP2, JP3, JP4 and JP5 jumpers. When the jumper
is open, the signal is pulled high. When the jumper is shorted, the signal is pulled to
ground.
Jumpers JP1 and JP2 are used to specify the MCP215X’s baud rate. The MCP2140
has a fixed baud rate of 9600 baud. The BAUD0 signal is connected to Header H1/H3’s
RB4 pin. The BAUD1 signal is connected to Header H1/H3’s RB5 pin.
Jumpers JP1 and JP2 are used to specify the Host Controller program mode.
The MODE0 signal is connected to Header H1/H3’s RB0 and RA1 pins. The MODE1
signal is connected to Header H1/H3’s RC2 and RE3 pins.
Jumper JP5 are used to specify the MCP215X’s operational state (Enable/Disable).
The MCP2140 has an automatic lower power mode, so is not controlled by a hardware
pin. The EN signal is connected to Header H1/H3’s RB3 pin.
Note: When using header H3 with the PICDEM FS USB board, refer to Appendix
E. “Using the MCP215X/40 Developer’s Daughter Board with the
PICDEM™ FS USB Demo Board” if the MCP215X/40 Developer’s
Daughter Board PCB is Rev 2.
;OOOOOOOOO§ L10
men—ggx com 2
§E¥éfimfizgg gm
5%“ MCP215X/40 Dev.
\ m Daughter Bd. 102—0"
0
a-c14l1 R1.
m R“ nfizeflog
i @JPZC 5.14
O O
OoREn ... mp3 00
R02 0 . Razluu:l JMP‘ O O
Wig: fl 16XCLKVDD g 8
O O
o o RA1 R36
0 0 me R37
0 o RST Res
0 0 1x RC7
o o RX RAG
o o RAJ RA7
_ Rx o o RA4 REES
~ 05 RA5 REZ
H1 Q m 2 R21 D2 H33
05“ T a
w
' IR Link %®
III I‘-
3 R2 'L'-n MICRDCHIP '3
“4 R23
w
E IIEIEE
E3 Emu
E3 EEEE
E3 EEEEE
Installation and Operation
© 2006 Microchip Technology Inc. DS51591A-page 17
FIGURE 2-3: JP1, JP2, JP3, JP4 AND JP5 CONFIGURATIONS
Baud Rate Selection
9600 Baud
JP1 JP2
19200 Baud
57600 Baud
115200 Baud
Enable Selection
MCP215X Disabled
with DB-9 (PC) MCP215X Enabled
Note 1: This is the firmware operation for 00077 - HPC.asm
when used w/ the PICDEM™ HPC Explorer Demo Board.
Mode Selection (1)
MCP215X/40 communicates
JP3 JP4
MCP215X/40 communicates
Reserved
with PIC18F8722 (Data Logger Mode)
MCP215X/40 communicates
with PIC18F8722 (Echo Mode)
(MCP2140 configuration also)

MCP215X/40 Developer’s Daughter Board User’s Guide
DS51591A-page 18 © 2006 Microchip Technology Inc.
Figure 2-4 shows the component layout for the MCP215X/40 Developer’s Daughter
Board and the operation of the JMP1, JMP2, JMP3, JMP4, JP8 and JP9 jumpers.
The JMP1, JMP2, JMP3 and JMP4 jumpers route signals to the U1 socket (for the
MCP215X or MCP2140 device).
Table 2-2 shows the signals for the JMP1, JMP2 and JMP3 jumpers, while Table 2-3
shows the signals for the JMP4 jumper.
TABLE 2-2: JMP1, JMP2 AND JMP3 CONNECTIONS
TABLE 2-3: JMP4 CONNECTIONS (1)
Jumper
U1 pin
connection to
JMPX-2 pin
(Center pin)
MCP215X MCP2140 Comment
JMP1 1 BAUD0 RXPDREF
JMP2 18 BAUD1 RXPD
JMP3 3 RXIR PHACT
Jumper
JMPX-2 pin
(Center pin)
connection to
U1 pin
MCP2150
(DTE)
MCP2155
and
MCP2140
(DCE)
Comment
JMP4 10 or 17 U1-17 (CD) U1-10
(DSR)
The center tap of the JMP4 jumper
drives the “IR Link” LED. This
indicates that an IR Link is
established.
Note 1: See Appendix J. “PCB Silk-Screen Clarification” for a clarification to the PCB
silk-screen.
8
El OOOOOOOOQEI— JP1,S
meszzéégsw mam T8333
‘Z x 4 E fi > g V) o A: .0;
E c: I g @3312
E E ”L MCP215X/40 Dev. M «E
B 8 Daughter Bd. 102-00077 s
0 {214-111 me u
i R11 ”MEI-fog 43 JP} §§
@m m HESS-J @n;
i Q) JP1C R15 - @Eé
_ r _ H : i
“5 I h a «mag
513 (:12 C13 ‘3“ 5 [10 R3 JPS
x 40 5x
_TPR vss o o R - o o vss R80
: (7 H v30 9,!) . P1 OOVDD R31
E , O O 40 5 O 0 RC2 R32
: ' " Rm 0 Raul-11“CLK ooRc0 R33
JPIB Rco 0 R34 R” “9 VDD OO v55 0 ORC1 RB4
.. h RAZO R35 JMRe-TX n oo16x R35
Rm 0 Resilimfi o 0 RM Rae
R“, c9 ca RM 0 0 R37 I o 0 RM R37
‘ R5 R1I RC3 0 R06 RXD W o o RST RC6
qr: RC4 0 RC7 Tape 0 o TX RC7
'EEJP“ RC5 o RAG :[9 o o RX RAB
» ED JP1A RA} 0 o o RA3 RA7
‘ — RA4 o RE3_ #35 o o RA4 R33
02 C7: :95 RA5 [6 {332 Q o|6RA5 REZ
CTS -'3' VP
I III—I
03 R2 qu Mlcnocmp -'_F
R23
H2
“5 05:;- H3§®
§®
IR Link
EEV
DEZI
EZID
Installation and Operation
© 2006 Microchip Technology Inc. DS51591A-page 19
FIGURE 2-4: JMP1, JMP2, JMP3 AND JMP4 CONFIGURATIONS
JMP1/JMP2 Selections JMP3 Selections
MCP2140 Signal
is selected
MCP215X Signal
is selected MCP2140 Signal
is selected
MCP215X Signal
is selected
JMP4 Selections
DCE (DSR) Signal
is selected
DTE (CD) Signal
is selected (MCP2150)
(MCP2155 and MCP2140)

MCP215X/40 Developer’s Daughter Board User’s Guide
DS51591A-page 20 © 2006 Microchip Technology Inc.
TABLE 2-4: JUMPER DESCRIPTIONS AND SETTINGS
Jumper # Description Comment
JP1A:JP2A Connects TXIR/RXIR signals to TXD/RXD of U2 (HSDL 3000)
S = TXIR/RXIR connected to U2 TXD/RXD
O = TXIR/RXIR Not connected to U2 TXD/RXD
By default not installed.
JP1B:JP2B Connects TXIR/RXIR signals to TXD/RXD of U3 (TFDU 4100)
S = TXIR/RXIR connected to U3 TXD/RXD
O = TXIR/RXIR Not connected to U3 TXD/RXD
By default not installed.
JP1C:JP2C Connects TXIR/RXIR signals to TXD/RXD of U5 (TFDU 4300)
S = TXIR/RXIR connected to U5 TXD/RXD
O = TXIR/RXIR Not connected to U5 TXD/RXD
By default not installed. PCB traces
short these jumpers (bottom of PCB).
JP2:JP1 BAUD1:BAUD0 Hardware control of the MCP215X baud rate.
BAUD0 is connected to Header RA0 signal and BAUD1 is
connected to Header RA0 signal
S S = 9600 Baud
S O = 19200 Baud
O S = 57600 Baud
O O = 115200 Baud
S = Signal Connected to VSS
O = Signal Connected to VDD
The MCP2140 has a fixed baud rate
of 9600 baud.
JP4:JP3 MODE1:MODE0 Hardware program mode selection. Operation
is dependant on the Host Controller program.
00077 - HPC.asm Operation
SS = Direct-to-PC
SO = Reserved
OS = Data Echo
O O = Data Logger (250 Byte data transfer)
S = Signal Connected to VSS
O = Signal Connected to VDD
These operational modes are for the
00077 - HPC.asm program with the
PICDEM™ HPC Explorer Board.
JP5 EN Hardware control of the MCP215X EN signal.
EN is connected to Header RA0 signal.
S = Signal Connected to VSS
O = Signal Connected to VDD
The MCP2140 does not use this
signal.
JMP1 Connects the U1 pin 1 to either the BAUD0 signal (MCP215X)
or to the RXPDREF signal (MCP2140).
JMP2 Connects the U1 pin 18 to either the BAUD1 signal (MCP215X)
or to the RXPD signal (MCP2140).
JMP3 Connects the U1 pin 3 to either the RXIR signal (MCP215X) or
to the PHACT signal (MCP2140).
JMP4 Connects the “IR Link” signal to either the U1-17 signal (CD) for
the MCP2150 device or to the U1-10 signal (DSR) for the
MCP2155 or MCP2140 device.
JMP5 Connects MCP2140 RX signal to either Header 1’s RX signal or
Header 2/Header 3 RX signals
Note 1
JP6 Connects MCP2140 RX signal to Header 1’s TX signal Used when the MCP215X or
MCP2140 communicates directly from
the DB-9 connector. (Note 1)
JMP6 Connects MCP2140 TX signal to Header 1’s TX
signal or Header 2/Header 3 TX signals
Note 2
JP7 Connects MCP2140 TX signal to Header 1’s RX
signal
Used when the MCP215X or
MCP2140 communicates directly from
the DB-9 connector. (Note 2)
JP8 Connects the RX2 signal (H3-9) to the H3-8 pin (RX2B) For PICDEM™ 2 Plus Support.
JP9 Connects the TX2 signal (H3-11) to the H3-10 pin (TX2B) For PICDEM™ 2 Plus Support.
Legend: S = Jumper is shorted (Closed) O = Jumper is Open
Note 1: The MCP2140’s RX signal is either connected via JMP5 or JP6 (but not both at the same time).
2: The MCP2140’s TX signal is either connected via JMP6 or JP7 (but not both at the same time).

Installation and Operation
© 2006 Microchip Technology Inc. DS51591A-page 21
2.4 MAKING A DEMO SYSTEM
The MCP215X/40 Developer’s Daughter Board requires a Host Controller or a UART
circuit. To demonstrate the board, the easiest method is to use one of the compatible
PICDEM™ Demo Boards. A good choice is the PICDEM™ HPC Explorer Demo Board.
This allows the MCP215X or MCP2140 device to interface to either:
• PIC18F8722’s EUSART1
• PIC18F8722’s EUSART2
• PICDEM™ HPC Explorer Demo Board’s DB-9 connector (MAX3232C)
Additional instructions for performing a demo using the PICDEM™ HPC Explorer
Demo Board are shown in Appendix D. “Using the MCP215X/40 Developer’s
Daughter Board with the PICDEM™ HPC Explorer Demo Board”. Appendix
E. “Using the MCP215X/40 Developer’s Daughter Board with the PICDEM™ FS
USB Demo Board” supplies instructions for performing a demo using the PICDEM™
FS USB Demo Board. Appendix F. “Configuring the HyperTerminal® Program”
may be useful for configuring the HyperTerminal program on the PC.
System Requirements
Table 2-5 shows the requirements for a system that can be used to demonstrate the
MCP215X/40 Developer’s Daughter Board.
System Setup
The system setup requires a Primary Device and a Secondary Device. The Primary
Device can be a PC with an IR port (integrated IR port or IR Dongle) or a PDA. The
secondary device can be the embedded system (PICDEM™ HPC Explorer Demo
Board and a MCP215X/40 Developer’s Daughter Board) in a stand-alone mode or con-
nected to a PC with a serial communication port (UART) and application program, such
as HyperTerminal.
Figure 2-5 shows a system block diagram.
TABLE 2-5: SYSTEM HARDWARE REQUIREMENTS
Qty Hardware Purpose
1 PC with:
IR port (1) or PC with USB/Serial port
and USB/Serial port to IR Dongle (1)
and
One serial port to communicate to the
PICDEM HPC Explorer Demo Board.
As a Primary Device, this device will initiate communication to the
MCP215X/40 Developer’s Daughter Board.
Also
For Demo#3, the PC will also “talk” to the PICDEM™ HPC Explorer
Demo Board (Encoder/Decoder board) via the serial port and a
session of the HyperTerminal® program.
1 Serial Cable To connect the PC serial ports to the PICDEM™ HPC Explorer Demo
Board’s serial port.
1 MCP215X/40 Developer’s Daughter
Board
This board being demonstrated.
1 PICDEM™ HPC Explorer Board or
PICDEM™ FS USB Board
The MCP215X/40 Developer’s Daughter Board will be installed into
this board for demonstrated.
1 PICDEM™ HPC Explorer Demo Board
Power Supplies (9V DC)
Used to power the PICDEM™ HPC Explorer Demo Boards. Pro-
grammed with the 00077 - HPC.asm code.
1 MPLAB ICD2 Hardware Allows you to program the PICmicro MCUs on either the PICDEM™
HPC Explorer Board or PICDEM™ FS USB Board.
1 MPLAB IDE Software The Integrated Development Environment for developing PICmicro
MCU programs and the programming the devices.
Note 1: This could be done with one or two PCs, depending on the features of the selected PC.

MCP215X/40 Developer’s Daughter Board User’s Guide
DS51591A-page 22 © 2006 Microchip Technology Inc.
FIGURE 2-5: SYSTEM BLOCK DIAGRAM (1)
2.4.1 The PICDEM™ Demo Board Firmware Overview
Two firmware programs are supplied with this board. 00077 - HPC.asm is for the
PICDEM HPC Explorer Demo Board, while 00077 - FS USB.asm is for the PICDEM
FS USB Demo Board.
The PICDEM HPC Explorer Demo Board supports three modes of operation:
1. Direct-to-PC.
2. Data Logger (250 byte data transfer).
3. Data Echo.
In Direct-to-PC mode, the data byte communicates between the MCP215X/40
Developer’s Daughter Board and the PICDEM HPC Explorer Demo Board’s DB-9
connector (does not communicate with the PIC18F8722). The PICDEM HPC Explorer
Demo Board is only used for the USART circuitry and power.
In Data Logger mode, a string of 250 bytes is transferred to the Primary Device after a
byte has been received.
In Data Echo mode, the data byte that is received is “echoed” in the opposite case
(lowercase → uppercase and uppercase → lowercase).
The PICDEM FS USB Demo Board only supports Data Logger and Data Echo modes.
The source code for these programs is available for download from the Microchip web
site (www.microchip.com), as well as being available on the CD-ROM supplied with the
MCP215X/40 Developer’s Daughter Board.
To use these programs, it is required that MPLAB® IDE software be installed on a
computer and that one of Microchip’s development tools are available to program the
board (such as MPLAB® ICD 2).
HyperTerminal®
Program Window A
(to IrDA® Dongle)
(Com 1) (1) Com 1 (2)
System #1 (1) System #2
PICDEM™ HPC
Explorer Demo Board plus
MCP212X Developer’s
Serial (UART or USB)
to IrDA® Dongle
Note 1: The PC may be a notebook with an integrated IR port.
2: Only required if data is communicated with the PC.
Some PICDEM™ HPC Explorer Demo Board program modes “respond” to
received data (data not sent to PC).
Hyper Terminal
Program Window B
Daughter Board

Installation and Operation
© 2006 Microchip Technology Inc. DS51591A-page 23
2.5 MCP215X/40 DEVELOPER’S DAUGHTER BOARD DESCRIPTION
The following sections describe each element of this daughter board in further detail.
2.5.1 Power
The MCP215X/40 Developer’s Daughter Board is powered by a 5V supply. This
voltage supply may be sourced via the PCB headers.
When the device is used in conjunction with the appropriate PICDEM Demo Board, the
power is supplied via the connector interface. If the MCP215X/40 Developer’s
Daughter Board is jumpered into an application circuit via the HD1 and HD2
connectors, the device power supply must be brought over as well.
2.5.2 MCP215X/40 IrDA® Standard Protocol Handler with
Encoder/Decoder Device
This demo board highlights the MCP2150, MCP2155 or MCP2140 IrDA Protocol Stack
Controller device (U1) to demonstrate the implementation of an IR interface in an
embedded system application. The MCP2150, MCP2155 and MCP2140 devices
handle all IrDA standard protocol tasks (including the encoding/decoding of the
UART/IR bit stream), while allowing the system designer to easily interface the device
to a microcontroller via a standard UART port.
The IrDA standard protocol that the MCP215X and MCP2140 implement is the 9-wire
“cooked” service class in the IrCOMM application layer protocol of the IrDA standard
specification.
IrCOMM is the IrDA standard specification for the replacement of the communication
ports (serial and parallel) of a PC. This allows the replacement of the serial cable with
a wireless interface. The MCP215X and MCP2140 implements the entire protocol layer
and the encoding/decoding of the UART/IR bit stream, while the Host Controller talks
to the MCP215X or MCP2140 device as if it were a serial port with flow control.
The MCP215X operates as a Secondary device only, so it will not initiate IrDA standard
communication with other IrDA standard devices (neither a Secondary or Primary
device).
Appendix G. “MCP215X/40 Connection Sequence Overview” shows the connec-
tion sequence between a Primary device and the Secondary device. This connection
sequence is shown at an overview level and does not show exact operation.
Further information on the Host Controller interface may be obtained from the device
documentation:
• MCP2150 data sheet, “IrDA® Standard Protocol Stack Controller Supporting DTE
Applications”, (DS21655)
• MCP2155 data sheet, “IrDA® Standard Protocol Stack Controller Supporting DCE
Applications”, (DS21690)
• MCP2140 data sheet, “IrDA® Standard Protocol Stack Controller with Fixed 9600
Baud Communications Rate”, (DS21790)
• Application Note 858, “Interfacing the MCP215X to a Host Controller”, (DS00858)
• Application Note 927, “Data Throughput and the MCP215X” (DS00927)

MCP215X/40 Developer’s Daughter Board User’s Guide
DS51591A-page 24 © 2006 Microchip Technology Inc.
2.5.2.1 MCP215X IrDA® PROTOCOL STACK CONTROLLER DEVICE
The key signals for the MCP2150-to-microcontroller (Host UART) interface are shown
in Table 2-6, while Table 2-7 shows the same signals for the MCP2155. The operation
of the Host UART interface is slightly different for the MCP2150 and the MCP2155.
The key signals for the MCP215X-to-IR transceiver circuit are shown in Table 2-8.
TABLE 2-6: MCP2150 HOST UART INTERFACE PINS
Pin
Name
Pin
Number
(PDIP)
Pin
Type
Buffer
Type Description
TX 8 I TTL Asynchronous receive; from Host Controller UART.
RX 9 O — Asynchronous transmit; to Host Controller UART.
RI 10 I TTL Ring Indicator. The value on this pin is driven high.
DSR 11 O — Data Set Ready. Indicates that the MCP2150 has
completed reset:
1 = MCP2150 is initialized.
0 = MCP2150 is not initialized.
DTR 12 I TTL Data Terminal Ready. The value of this pin is
ignored once the MCP2150 is initialized. It is
recommended that this pin be connected so that
the voltage level is either VSS or VCC.
At device power-up, this signal is used with the
RTS signal to enter device ID programming.
1 = Enter device ID programming mode
(if RTS is cleared).
0 = Do not enter device ID programming mode.
CTS 13 O — Clear-to-Send. Indicates that the MCP2150 is
ready to receive data from the Host Controller. This
signal is locally emulated and not related to the
CTS/RTS bit of the IrDA® standard Primary device.
1 = Host Controller should not send data.
0 = Host Controller may send data.
RTS 14 I TTL Request-to-Send. Indicates that a Host Controller
is ready to receive data from the MCP2150. This
signal is locally emulated and not related to the
CTS/RTS bit of the IrDA® standard Primary device.
1 = Host Controller not ready to receive data.
0 = Host Controller ready to receive data.
At device power-up, this signal is used with the
DTR signal to enter device ID programming.
1 = Do not enter device ID programming mode.
0 = Enter device ID programming mode
(if DTR is set).
CD 19 I ST Carrier Detect. Indicates that the MCP2150 has
established a valid link with a Primary Device.
1 = An IR link has not been established
(No IR Link).
0 = An IR link has been established (IR link).
Legend: TTL = TTL compatible input ST = Schmitt Trigger input with CMOS levels
I = Input O = Output

Installation and Operation
© 2006 Microchip Technology Inc. DS51591A-page 25
TABLE 2-7: MCP2155 HOST UART INTERFACE PINS
Pin
Name
Pin
Number
(PDIP)
Pin
Type
Buffer
Type Description
TX 8 I TTL Asynchronous receive; from Host Controller UART.
RX 9 O — Asynchronous transmit; to Host Controller UART.
RI 10 I TTL Ring Indicator. The state of this bit is
communicated to the IrDA® standard Primary
device.
1 = No Ring Indicate Present.
0 = Ring Indicate Present.
DSR 11 O — Data Set Ready. Indicates that the MCP2150 has
established a valid IrDA® standard link with a
Primary device. This signal is locally emulated and
not related to the DTR bit of the IrDA® standard
Primary device. (Note 1)
1 = An IR link has not been established
(No IR Link).
0 = An IR link has been established (IR link).
DTR 12 I TTL Data Terminal Ready. Indicates that the embedded
device connected to the MCP2150 is ready for IR
data. The state of this bit is communicated to the
IrDA® standard Primary device, via the IrDA®
standard DSR bit carried by IrCOMM.
1 = Embedded device not ready.
0 = Embedded device ready.
CTS 13 O — Clear-to-Send. Indicates that the MCP2150 is
ready to receive data from the Host Controller. This
signal is locally emulated and not related to the
CTS/RTS bit of the IrDA® standard Primary device.
1 = Host Controller should not send data.
0 = Host Controller may send data.
RTS 14 I TTL Request-to-Send. Indicates that a Host Controller
is ready to receive data from the MCP2150. This
signal is locally emulated and not related to the
CTS/RTS bit of the IrDA® standard Primary device.
1 = Host Controller not ready to receive data.
0 = Host Controller ready to receive data.
CD 19 I ST Carrier Detect. The state of this bit is communi-
cated to the IrDA® standard Primary device via the
IrDA® standard CD bit.
1 = No Carrier Present.
0 = Carrier Present.
Legend: TTL = TTL compatible input ST = Schmitt Trigger input with CMOS levels
I = Input O = Output
Note 1: The state of the DTR output pin does not reflect the state of the DTR bit of the
IrDA® standard Primary device.
DA“
MCP215X/40 Developer’s Daughter Board User’s Guide
DS51591A-page 26 © 2006 Microchip Technology Inc.
TABLE 2-8: MCP2150 AND MCP2155 IR INTERFACE PINS
2.5.2.1.1 Additional MCP215X Interface Signals
In addition to the signals described in Table 2-7 and Table 2-8, there are two additional
signals that could be under Host Controller control. These are:
1. The RESET signal.
2. The EN signal.
The MCP215X RESET pin is connected to an I/O pin of the Host Controller. The H1/H3
headers each have the RESET signal connected to two pins, RA5 and RC3. The Host
Controller determines when the MCP215X device needs to be reset.
The MCP215X EN input can be either hard-wired (jumper JP5) or controlled by the
Host Controller. The H1/H3 headers each have the EN signal connected to the RB3
pin.
Pin Name
Pin
Number
(PDIP)
Pin
Type
Buffer
Type Description
TXIR 2 O — Asynchronous transmit to IrDA® standard
transceiver.
RXIR 3 I ST Asynchronous receive from Infrared transceiver.
Legend: A = Analog P = Power
I = Input O = Output

Installation and Operation
© 2006 Microchip Technology Inc. DS51591A-page 27
2.5.2.2 MCP2140 IrDA® PROTOCOL STACK CONTROLLER DEVICE
The key signals for the MCP2140-to-microcontroller (Host UART) interface are shown
in Table 2-9. The key signals for the MCP2140-to-IR transceiver circuit are shown in
Table 2-10. Further information on the Host Controller interface may be obtained from
the MCP2140 data sheet, (DS21790).
TABLE 2-9: MCP2140 HOST UART INTERFACE PINS
Pin Name
Pin
Number
(SSOP)
Pin
Type
Buffer
Type Description
TX 8 I TTL Asynchronous receive; from Host Controller UART.
RX 9 O — Asynchronous transmit; to Host Controller UART.
RI 10 I TTL Ring Indicator. The state of this bit is
communicated to the IrDA® standard Primary
device.
1 = No Ring Indicate Present.
0 = Ring Indicate Present.
DSR 11 O — Data Set Ready. Indicates that the MCP2150 has
established a valid infrared link with a Primary
device. This signal is locally emulated and not
related to the DTR bit of the IrDA® standard
Primary device. (Note 1)
1 = An IR link has not been established
(No IR Link).
0 = An IR link has been established (IR Link).
DTR 12 I TTL Data Terminal Ready. Indicates that the embedded
device connected to the MCP2150 is ready for IR
data. The state of this bit is communicated to the
IrDA® Primary device, via the IrDA® standard DSR
bit carried by IrCOMM.
1 = Embedded device not ready.
0 = Embedded device ready.
CTS 13 O — Clear to Send. Indicates that the MCP2150 is
ready to receive data from the Host Controller. This
signal is locally emulated and not related to the
CTS/RTS bit of the IrDA® standard Primary device.
1 = Host Controller should not send data.
0 = Host Controller may send data.
RTS 14 I TTL Request to Send. Indicates that a Host Controller is
ready to receive data from the MCP2150. This
signal is locally emulated and not related to the
CTS/RTS bit of the IrDA® standard Primary device.
1 = Host Controller not ready to receive data.
0 = Host Controller ready to receive data.
CD 19 I ST Carrier Detect. The state of this bit is
communicated to the IrDA® standard Primary
device via the IrDA® standard CD bit.
1 = No Carrier Present.
0 = Carrier Present.
Legend: TTL = TTL compatible input ST = Schmitt Trigger input with CMOS levels
I = Input O = Output
Note 1: The state of the DTR output pin does not reflect the state of the DTR bit of the
IrDA® standard Primary device.
DA®
MCP215X/40 Developer’s Daughter Board User’s Guide
DS51591A-page 28 © 2006 Microchip Technology Inc.
TABLE 2-10: MCP2140 IR INTERFACE PINS
2.5.2.2.1 Additional MCP215X Interface Signals
In addition to the signals described in Table 2-9 and Table 2-10, there are two additional
signals that can be used by the Host Controller. These are:
1. The RESET signal.
2. The PHACT (Protocol Handler Active) signal.
The MCP2140 RESET pin is connected to an I/O pin of the Host Controller. The H1/H3
headers each have the RESET signal connected to two pins, RA5 and RC3. The Host
Controller determines when the MCP215X device needs to be reset.
The MCP2140 PHACT (Protocol Handler Active) output signal indicates the current
mode the MCP2140 IrDA® standard protocol controller state machine is in (0 = NDM
or Low-power mode,1 = Discovery or NRM). An LED (D4) can be jumpered to the
MCP2140’s PHACT pin. This is done with jumper JMP3. The PHACT signal is not
connected to the H1/H3 headers.
Pin Name
Pin
Number
(SSOP)
Pin
Type
Buffer
Type Description
RXPDREF 1 I A IR Receive Photo Detect Diode reference voltage.
This voltage will typically be in the range of VDD/2.
TXIR 2 O — Asynchronous transmit to IrDA® standard
transceiver.
RXPD 20 I A IR RX Photo Detect Diode input. This input signal is
required to be a pulse to indicate an IR bit. When
the amplitude of the signal crosses the amplitude
threshold set by the RXPDREF pin, the IR bit is
detected. The pulse has minimum and maximum
requirements as specified in the MCP2140 data
sheet, Electrical Characteristics table,
Parameter IR131A.
Legend: A = Analog P = Power
I = Input O = Output
8 --.I \
Installation and Operation
© 2006 Microchip Technology Inc. DS51591A-page 29
2.5.3 IR Transceiver Circuit
The IR transceiver circuit uses a Vishay® TFDU 4300 integrated optical transceiver.
Footprints for an optional optical transceiver are implemented. These footprints are for
the Vishay TFDU 4100 and the Agilent® HSDL-3000. Jumpers are used to allow all
three implementations to be installed, but with only one connected to the MCP215X or
MCP2140 TXIR and RXIR pins.
The MCP2140 also requires the Optical Transceivers’s RXD signal to be conditioned
to be used as the input to the MCP2140’s RXPD/RXPDREF signals.
2.5.3.1 PCB MODIFICATIONS FOR AN ALTERNATE OPTICAL TRANSCEIVER
If you wish to test with either of the other optical transceivers, the TFDU 4300’s RXD
and TXD signals need to be electrically removed. This is done by cutting the trace
between the jumper JP1C pins and the trace between the jumper JP2C pins. This
location is shown in Figure 2-6.
Also the components for the desired optical transceiver need to be installed. See
Appendix B. “Bill of Materials (BOM)”.
FIGURE 2-6: PCB MODIFICATION WHEN USING AN ALTERNATE
OPTICAL TRANSCEIVER
Top Side Bottom Side
Jumpers
JP1C and JP2C
These two traces need to be cut
to disconnect U5 from RXIR and TXIR signals.

MCP215X/40 Developer’s Daughter Board User’s Guide
DS51591A-page 30 © 2006 Microchip Technology Inc.
2.5.3.2 MCP2140 WAVESHAPING CIRCUITRY
If the MCP2140 is to be used, then the Optical Transceivers’s RXD signal needs to be
conditioned to be used as the input to the MCP2140’s RXPD/RXPDREF signals.
Figure 2-7 shows the circuit that is used to shape the waveform of the optical Trans-
ceiver’s RXD output. This is done to ensure that the RXD pulse width does not exceed
the specifications of the MCP2140 RXPD input (IR131A) (refer to Parameter IR131A
in the MCP2140 Data Sheet, DS21790). The resistor divider R18 and R13 sets the
RXPDREF reference threshold. Transistor Q6 (MMUN2111LT1) has internal resistors.
If you wish to evaluate a simple PNP device, Q6 can be replaced and resistors for R15
and R20 may need to be added. If R20 is added, do not forget to cut the trace that
shorts out the resistor. Modifications to this waveshaping circuit may be required
depending on your operating requirements (voltage, temperature, etc.).
FIGURE 2-7: MCP2140 RXPD WAVEFORM SHAPING CIRCUIT
2.5.4 Signal Header
To allow easy access to many of the system signals, two headers (HD1 and HD2) are
on one of the edges of the board. This allows the signals from the MCP215X or
MCP2140 to be easily accessed and connected into an existing application for initial
development or proof-of-concept.
FIGURE 2-8: 14-PIN SIGNAL INTERFACE HEADER HD1
VDD
RXD
(From Optical
Transceiver)
3
1
2
TP1
TP2
RXPDREF
RXPDREF
RXPD
RXPD
R13
10 kΩ
R16
4.7 kΩ
Q6
R19
10 kΩ
VDD R14
100Ω
R15
OPT
R20
OPT
C14
47 pF
MMUN2111LT1
VSS
VDD
RA1
RESET
RX
TX
16XCLK
NC
TXIR
RXIR
HD1
RA0
RA3
RC1
RC0
VSS
VDD
RA1
RESET
RX
TX
16XCLK
NC
TXIR
RXIR
HD2
RA0
RA3
RC1
RC0
Q
MICRDCHIP
MK
MCP215X/40 DEVELOPER’S
DAUGHTER BOARD USER’S GUIDE
© 2006 Microchip Technology Inc. DS51591A-page 31
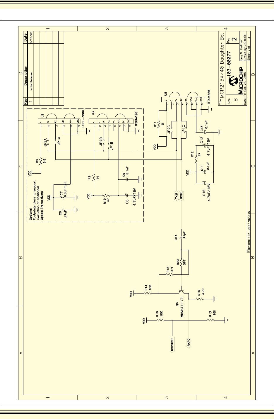
Appendix A. Schematic and Layouts
A.1 INTRODUCTION
This appendix contains the following schematics and layouts for the MCP212X
Developer’s Daughter Board:
• Board Schematic – Headers and Jumpers
• Board Schematic – Circuitry
• Board Schematic – Circuitry
• Board – Component Layer
• Board – Top Layer
• Board – Bottom Layer
• Board – Power Layer
• Board – Ground Layer
A.2 SCHEMATICS AND PCB LAYOUT
The layer order is shown in Figure A-1.
FIGURE A-1: LAYER ORDER
Top Layer
Ground Layer
Power Layer
Bottom Layer
a u m. 4
n z a EEEEé, 15:7
5:2 A is a: ,2 :w as
as? x E niuumu=2
N m
3: rusos‘msb Sm
E |
4N E ‘ 255? E: w:
. 22::
um kmzmfia sixmfiaozé E :52 .3 e: E D .1 5 E 2..
J94 2352 E3
33:12:. ; ER‘ESE an
E ‘63:]; s. 51 ea
72% x13 57.5%? 59%
72.?" x» 3 3,2; 33%
m 7 %: 7 : 55; a? 7 ES: smz
35 z 7 fl wt. 7mm 39> m; El
:5: a n w: Em 7 Sc :3; Eu 1:
E a 7 N 5 Ex 787 E a $7
d 905 UK 5% z 7 5 :3 am as 7 81 as: 83 E
m E s : 33.” nmm Sm H7 3 us 2.3 mmm
\ G 3&7 63: s 7 e wmm E: 3 2m 58; may
M 985% z a E: Em m7 E; z:
z 357% mm: = 7 . E 81 E H7. 81 cm, 2 8m
+ @6551 a: .7 7 . 3 Ex Em 8m 5; 5m
558m 32 w 7 m; 8: 7 8” 9;
2m E w 7 9 5 Ex 7 .37 E 5E
N m i s . 7 n 22 2 SE: 7 E a as E
1 2m mm: . gm. Sm 8W7 Gm 937 cm: E Sm
m‘r\\\\\7 F\\\\L
I fix NI
:5 [a q‘ S
E
a: [a q‘ E
\ ME
7|EXEDI E:
, mmwswmmm
as: as; 7
EB €7,253 5.
a u m <>MCP215X/40 Developer’s Daughter Board User’s Guide
DS51591A-page 32 © 2006 Microchip Technology Inc.
A.3 SCHEMATIC (HEADERS AND JUMPERS) – PAGE 1
I: 3%??? 2.2.:
E
$2
muss;
m.\s.\
Schematic and Layouts
© 2006 Microchip Technology Inc. DS51591A-page 33
A.4 SCHEMATIC (CIRCUITRY) – PAGE 2
2_E
1_B
3_C
a o 7 m. 7 «
H 222“ Ezfigu‘glsri
5a: . 3;. as n E .3
» 3:3 miugflfi‘ ‘ h h h h
N a m H H H H H
V E Reusing: 2m $73,727 3 Bk :5 R» E E
, E H25 ,\ a x mm 3&3 mmx ax
E E 2 sixfiaogz. , a a8; an? :3; 33
gr é, iv é,
277578. E .E an an
a
1/ 5:: an) 99> a? ES «:5
mac: 034m
an. $22,
a: 3
a
q M h
as E
E
E [35‘ :33 V59 X?
E a m: 5
LI m m
RS M Biz: ‘
M F.H 8 19.).“
“$7573. % ‘
S o F as stxmano:
\ a? «we ‘ x‘ E
2 E. \ T 5.
N Home m5 ‘ ,‘ X»
s: .s. E \ T a 1fi
:3: J 4‘
E H. ; T E:
a T 3% XE
F as s l T «E E
x: ‘ 1‘
5;: $2.; 3: ex: ax;
E 3 3 L.
5; i2. 52
22 E,
:9
£5: a .. SS
:3 E: :5. r3
7
SE 5% a: N
E? u s 53 v
23 252.38 E.
o a m <>MCP215X/40 Developer’s Daughter Board User’s Guide
DS51591A-page 34 © 2006 Microchip Technology Inc.
A.5 SCHEMATIC (CIRCUITRY) – PAGE 3
1_E
2_B
3_C 1_E
2_B
3_C
1_E
2_B
3_C
11
DTR
13
RTS
15
OSC2
17
CD
10
DSR
12
CTS
14
VDD
8RX
6EN/NC
4RESET
2TXIR
9RI
5VSS
7TX
16
OSC1/CLKI
18
BAUD1/RXPD
1BAUD0/RXPDREF
3RXIR/PHACT
0
E0 OOOOOOOéEOOOOOgOOO T JP1¢g
Q I— M V) U) K — D U1 ::i]m
EEEEgéfiggg EEgEggEmgg 3mg:
5 > ‘L MCP215X/40 Dev. “ w W M «3
x 8 Daughterad. 192—00077 l “1
8 ‘ R25 8
m RII fizz-ides me “Ii ncs m 88
40 5x um CD“:
I HEJmflSn-m [-1513] um R27 «mg
I ®fl°m_ JWooooooooo mm mg
A
“5 H H g-ga
“3 m m CH suoooooooo R} ups
-R9 5x 40 5x 46
MB vss O O RBO mm - o o vss RBa
van 0 o RB1I:.] 5] mpg. M4 o ovoo RB1
g“ RC2 o 0 R52 4e 5x W" 0 OR!» R32
0 DD RC1 o o Rasn I:- usxcm o o Rce R83
U3 ma _ R00 00 B4 “‘3 “‘9 vnn oo vss OORC1RE4
a a RAZOORBS MPG—TX nREGOORU OO1SXR55
RA1 o o Raémi RE4 oo RES 0 0 RA: R36
m 09 ca RAOOORB7 I RFeOORF7 OORAe R37
-R5 R. R03 0 0 RC6 RXD “’7 RF4 oo RF5 o o RST Rcs
RC4 o 0 RC7 I pa RH 00 RF3 o o TX RC7
gm" Res 0 o RAG :3 2 we 00 RF1 o o RX RAB
DOJF‘A RAJOORA‘JE 3§R64OORGS OORAIS RA7
— RA4 O o RE3_ ,gQFS I R62 00 R63 0 o RA4 RES
uz C7: a“ RA5 ofi REZ Q Rea on RG1 0'6 RAS RE2
“1 HZ R21 D2 H30!
(yrs -I2I {.- R25 05-:- %
n III-I
D} R2 04- m MICRDCHIP _._|. R Link §®
Schematic and Layouts
© 2006 Microchip Technology Inc. DS51591A-page 35
A.6 BOARD LAYOUT – COMPONENT LAYER
RBSRB4
(EN) MODE1:MODEO EAUD1:BAUDO
RE3 R50
R83
o
9
E
3
R00 B}
RBS
w R36
RAB R37
R06
TX RC7
RX RAB
m3 RA7
M RES
I-R‘é". RE2 ca 2A5 RE2
— 1 \F' “4* 05 7’
03 R2 LI-IT-OMICRDCHIP "(fiu-o &
0" R23 .1 IR Lmk 1
afl::r:::.:°::w
u
MCP215X/40 Developer’s Daughter Board User’s Guide
DS51591A-page 36 © 2006 Microchip Technology Inc.
A.7 BOARD LAYOUT – TOP LAYER
Schematic and Layouts
© 2006 Microchip Technology Inc. DS51591A-page 37
A.8 BOARD LAYOUT – BOTTOM LAYER
-IO 0.0.0.000.
-ooo . '
00.00....
O
I
MCP215X/40 Developer’s Daughter Board User’s Guide
DS51591A-page 38 © 2006 Microchip Technology Inc.
A.9 BOARD LAYOUT – POWER LAYER
OOOOOOOOCQ
. ...
o
I. .
u 0
0..
u
o c H
1:).
O. ..
O O.
.. c O.
O.
. O.
O.
. O.
0 O.
O. ..
. o.
00 .. oo
. O.
I O.
OOOOOOOOOO
'-
0 0..
.0. 0
O
Schematic and Layouts
© 2006 Microchip Technology Inc. DS51591A-page 39
A.10 BOARD LAYOUT – GROUND LAYER

MCP215X/40 Developer’s Daughter Board User’s Guide
DS51591A-page 40 © 2006 Microchip Technology Inc.
NOTES:
MICRDCHIP
MCP215X/40 DEVELOPER’S
DAUGHTER BOARD USER’S GUIDE
© 2006 Microchip Technology Inc. DS51591A-page 41
Appendix B. Bill of Materials (BOM)
The MCP215X/40 Developer’s Daughter Board allows the MCP2120 or MCP2122
device to be evaluated. The board also allows the customer to evaluate the operation
of one of three optical tranceiver devices.
Table B-1 shows the components that are installed in the MCP215X/40 Developer’s
Daughter Board PCB, while Table B-2 shows the components that are NOT installed
on the MCP215X/40 Developer’s Daughter Board PCB.
TABLE B-1: BOM – COMPONENTS INSTALLED
Qty Reference Description Manufacturer Part Number
4 C1, C2, C11, C13 0.1 μF (SMT) Panasonic® - ECG ECJ-2VB1C104K
2 C3, C4 18 pF (SMT) Yageo® America 0805CG180J9B200
2 C10, C12 4.7 μF/16V (SMT) Panasonic - ECG ECS-T1AY475R
1 C14 CAP Ceramic 47PF 50V 0603 SMD Panasonic - ECG ECJ-1VC1H470J
2 H1, H3 2x14 Male connector Header Jameco Valuepro 2012-254-2X14SG
1 H2 2x10 Male connector Header Jameco Valuepro 7000-2X10SG
2 HD1, HD2 1x10 Male connector Header Jameco Valuepro 7000-1X10SG
6 JMP1, JMP2, JMP3,
JMP4, JMP5, JMP6
1x3 Jumper Stakes (Male) Jameco Valuepro 7000-1x3SG
9 JP1, JP2, JP3, JP4, JP5,
JP6, JP7, JP8, JP9
1x2 Jumper Stakes (Male) Jameco Valuepro 7000-1x2SG
4 R3, R13, R19 10 kΩ (SMT) Panasonic - ECG ERJ-6ENF1002V
R2, R17, R21 470Ω (SMT) Panasonic - ECG ERJ-3GEYJ471V
4 R4, R5, R6, R7, R18,
R27, R28
100 kΩ (SMT) Panasonic - ECG ERJ-6ENF1003V
1 R12 47Ω (SMT) Panasonic - ECG ERJ-6ENF47R5V
1 R14 100Ω (SMT) Panasonic - ECG ERJ-3GEYJ101V
1 R16 4.7 kΩ (SMT) Panasonic - ECG ERJ-3GEYJ472V
3 R23, R24, R25 20 kΩ (SMT) Panasonic - ECG ERJ-3GEYJ203V
1 Q6 MMUN2111LT1 transistors, RF
Bipolar ROHS compliant
ON® Semiconductor MMUN2111LT1
Q3, Q4, Q5 TRANSISTOR GP PNP AMP
SOT-23
Fairchild®
Semiconductor
MMBT3906
D2, D3, D4 LED (160-1176-1-ND)
1 U1 Low Profile Socket
(18 Pin )
Jameco Valuepro 6100-18
1 MCP2150 (provided) Microchip
Technology Inc.
MCP2150-I/P
1 U5 TFDU-4300 Vishay®
Intertechnology
TFDU-4300
2 Y1 PIN RECPT .015/.025 DIA 0667
SER
Manufacturing Corp 0667-0-15-01-30-27-10-0
1 Crystal OscillatorCRY, 11.05 MHz,
50 PPM SERIES
Vishay
Intertechnology
CY11.0592
P4)
_.
MCP215X/40 Developer’s Daughter Board User’s Guide
DS51591A-page 42 © 2006 Microchip Technology Inc.
TABLE B-2: BOM – OPTIONAL COMPONENTS, NOT INSTALLED
1 — PCB 105-00063 (R2 or greater) Microchip
Technology Inc.
8 — Jumper Shunt
(used on JP1, JP2, JP3, JP4, JP6,
JP7, JMP1, JMP2, JMP3, and JMP4)
Jameco Valuepro 2012JH
Qty Reference Description Manufacturer Part Number
0 C6 CAP CER .47UF 25V Y5V 0805 Murata® Electronics GRM216F51E474ZA01D
0 C7 CAP TANTALUM 6.8UF 16V 20%
SMD
Nichicon®
Corporation
F931C685MAA
0C8 4.7μF/16V (SMT)
0C9 0.1μF (SMT) Panasonic® - ECG ECJ-2VB1C104K
0 JP1A, JP1B, JP1C,
JP2A, JP2B, JP2C
1x2 Jumper Stakes (Male) Jameco Valuepro 7000-1x2SG
0R1 RES 10.0K OHM 1/10W 1% 0805
SMD (Not populated)
Panasonic - ECG ERJ-6ENF1002V
0R8 RES 6.8 OHM 1/8W 5% 0805
(Not populated) Panasonic - ECG ERJ-6GEYJ6R8V
0R9 RES 14.0 OHM 1/10W 1% 0805
SMD (Not populated)
Panasonic - ECG ERJ-6ENF14R0V
0R10 RES 47.5 OHM 1/10W 1% 0805
SMD (Not populated)
Panasonic - ECG ERJ-6ENF47R5V
0 R11 RES 0.0 OHM 1/8W 5% 0805 SMD
(Not populated) Panasonic - ECG ERJ-6GEY0R00V
0 U2 HSDL-3000 (Not populated) Agilent®HSDL-3000
0 U3 TFDU-4100 (Not populated) Vishay®
Intertechnology
TFDU-4100
0 — Jumper Shunt, used on:
* JP1A and JP2A, or
* JP1B and JP2B, or
* JP1C and JP2C
* JP5
* JP8 and JP9
Jameco Valuepro 2012JH
TABLE B-1: BOM – COMPONENTS INSTALLED (CONTINUED)
Qty Reference Description Manufacturer Part Number
Q
MICRDCHIP
MCP215X/40 DEVELOPER’S
DAUGHTER BOARD USER’S GUIDE
© 2006 Microchip Technology Inc. DS51591A-page 43
Appendix C. Board Testing
C.1 INTRODUCTION
The MCP215X/40 Developer’s Daughter Board can be used in multiple configurations.
Only a subset of these configurations will be tested. The tests were performed at 9600
baud. Other baud rates are not tested.
TABLE C-1: MCP215X/40 DEVELOPER’S DAUGHTER BOARD TESTED CONFIGURATIONS
C.2 WHAT IS TESTED
The following portions of the board are tested:
• MCP2150
• TFDU-4300 (U5) and circuitry
• Header 1 – TXD and RXD signals
• Header 2 – TX2 and RX2 signals
• Y1 circuitry (11.0592 MHz)
• JP3, JP4, JP6, and JP7
• JMP1 (P2 – P3)
• JMP2 (P2 – P3)
• JMP3 (P1 – P2)
• JMP4 (P1 – P2)
• JMP5 (P2 – P3)
• JMP6 (P2 – P3)
Baud
Rate Mode EN JMP1,
JMP2,
JMP3,
JMP4
MCP215x/40 RX/TX Destination
JP8:JP9 Comment
RX
JMP5/JP6
TX
JMP6/JP7JP2:JP1 JP3:JP4 JP5
S:S O:O O 2-3,
2-3,
1-2,
1-2
2-3 (JMP5) 2-3 (JMP6) O:O 9600 baud, MCP2150 to
PIC18F8772 UART2 on Header 2
(250 byte transfer)
O:O O:S O 2-3,
2-3,
1-2,
1-2
2-3 (JMP5) 2-3 (JMP6) O:O 9600 baud, MCP2150 to
PIC18F8772 UART2 on Header 2
(Echo mode)
S:S S:S O 2-3,
2-3,
1-2,
1-2
S (JP6) S (JP7) O:O 9600 baud, MCP2150 to DB9
(PC) on Header 1
Legend: O = Jumper is “Open” S = Jumper is “Shorted”
1-2 = Pin 1 is shorted to Pin 2 (of 3 pin header)
2-3 = Pin 2 is shorted to Pin 3 (of 3 pin header)

MCP215X/40 Developer’s Daughter Board User’s Guide
DS51591A-page 44 © 2006 Microchip Technology Inc.
C.3 WHAT IS NOT TESTED
The following portions of the board are NOT tested:
•MCP2140 and crystal circuitry (7. 3728 MHz)
•MCP2140 waveform shaping circuitry
• TFDU-4100 (U3) and circuitry
• HSDL-3000 (U2) and circuitry
• Header H3
• JP1, JP2, JP5, JP8, and JP9
• JMP1 (P1 – P2)
• JMP2 (P1 – P2)
• JMP3 (P2 – P3)
• JMP4 (P2 – P3)
• JMP5 (P1 – P2)
• JMP6 (P1 – P2)
• Headers HD1 and HD2
• JP1 & JP2 (Baud1:Baud0) Pull-up Resistors
• JP5 (EN) Pull-up Resistors
Q
MICRDCHIP
MCP215X/40 DEVELOPER’S
DAUGHTER BOARD USER’S GUIDE
© 2006 Microchip Technology Inc. DS51591A-page 45
Appendix D. Using the MCP215X/40 Developer’s Daughter
Board with the PICDEM™ HPC Explorer Demo Board
D.1 DEMONSTRATION USING THE PICDEM™ HPC EXPLORER DEMO BOARD
To perform a demonstration of the MCP215X/40 Developer’s Daughter Board, two
systems are needed. A Primary Device and a Secondary Device (the embedded
system).
The embedded system (Secondary Device) is a MCP215X/40 Developer’s Daughter
Board (MCP212XEV-DB) plus the PICDEM HPC Explorer Demo Board (DM183022).
The Primary Device is either a PC with IR Port (or IR Dongle) or a PDA.
There are four presentations of running the demos. These are:
1. PC Demos using HyperTerminal.
2. Palm PDA Demo using the AN888 Application Program.
3. Pocket PC PDA Demo using the AN926 Application Program.
4. Window XP PC with an IrDA Standard Port Demo using the AN941 Application
Program.
The PC Demos using HyperTerminal shows all three PICDEM HPC Explorer Demo
Board program modes, while those using the Application Note programs only show the
Data Logger (250 Byte) program mode. The steps to configure HyperTerminal is shown
in Appendix F. “Configuring the HyperTerminal® Program”.
Figure D-1 shows a block diagram of a PC-based demonstration system.
FIGURE D-1: SYSTEM BLOCK DIAGRAM
HyperTerminal®
Program Window A
(to IrDA® Dongle)
(Com 1) (1) Com 1 (2)
System #1 (1) System #2
PICDEM™ HPC
Explorer Demo Board plus
MCP215X/40 Developer’s
Serial (UART or USB)
to IrDA Dongle
Note 1: The PC may be a notebook with an integrated IR port.
2: Only required if data is communicated with the PC.
Some program modes “respond” to received data (data not sent to PC).
HyperTerminal
Program Window B
Daughter Board

MCP215X/40 Developer’s Daughter Board User’s Guide
DS51591A-page 46 © 2006 Microchip Technology Inc.
D.1.1 The PICDEM™ HPC Explorer Demo Board
The PICDEM HPC Explorer Demo Board firmware for these demos is available on the
Microchip web site, as well as on the AIPD Evaluation Board CD-ROM. The filename
is 00077 - HPC.asm. This code must be programmed into the PICDEM HPC Explorer
Demo Board’s PIC18F8722 for demo operation. This code supports three demos. The
demo executed is dependent on the state of the JP3:JP4 jumpers.
The crystal frequency of the PICDEM Demo Board determines the error rates for the
EUSART baud rates. So for the PICDEM HPC Explorer Demo Board, the default crys-
tal is 10 MHz (does have a 4x PLL). Therefore, the 16XCLK frequency for 115200 baud
has an error outside usable limits for IrDA standard communication for both 10 MHz
and 40 MHz operation (see Table D-1). Table D-1 shows the SPBRG values for the
EUSART at different crystal frequencies.
TABLE D-1: SPBRG VALUES FOR EUSART(1)
Note: Other PICDEM Demo Boards may be used, but appropriate firmware needs
to be installed to demonstrate the system.
Desired
Baud
Rate
@ 40 MHz(2) @ 20 MHz(2) @ 14.7592 MHz(2) @ 10 MHz(2) @ 7.3728 MHz(2)
SPBRG(3) %Error SPBRG(3) %Error SPBRG(3) %Error SPBRG(3) %Error SPBRG(3) %Error
9600 225 -1.73% 129 -0.16% 95 0% 64 -0.16% 47 0%
19200 129
-0.16%
64 -0.16% 47 0% 32 1.36% 23 0%
57600 42
-0.94%
21 1.36% 15 0% 10 1.36% 7 0%
115200 21 1.36% 10 1.36% 7 0% 4 -8.51% 3 0%
Note 1: Shaded values indicate a % error that is larger than should be used.
2: The following shows the PICDEM™ Demo Board device frequencies:
PICDEM™ HPC Explorer Demo Board has a 10 MHz crystal installed (4xPLL -> 40 MHz).
PICDEM™ FS USB Demo Board has a 20 MHz crystal installed.
PICDEM™ 2 Plus Demo Board has a 4 MHz crystal installed.
PICDEM™ LCD has a socket for an external canned oscillator (also has an internal 8 MHz RC).
3: SYNC = 0, BRGH = 1, BRG16 = 0.
Note: The demo code (00077 - HPC.asm) has been written for the PICDEM
HPC board with a 10 MHz crystal. There is also a version (00077 HPC
14MHz.asm) that is for the PICDEM HPC using a 14.7592 MHz crystal.
This requires the PICDEM HPC crystal to be changed. This change allows
all MCP215X baud rates to be supported.
EL E
/ f
Using the MCP215X/40 Developer’s Daughter Board
with the PICDEM™ HPC Explorer Demo Board
© 2006 Microchip Technology Inc. DS51591A-page 47
D.1.2 PC Demos using HyperTerminal
When using a PC with HyperTerminal as the Primary Device interface, all three
PICDEM HPC Explorer Demo Board programs can be demonstrated. These are shown
in:
1. Section D.1.2.1 “Demo #1 Operation - 250 Byte Transfer Mode”
2. Section D.1.2.2 “Demo #2 Operation - Echo Mode”.
3. Section D.1.2.3 “Demo #3 Operation - Direct to UART (DB-9) Mode”.
D.1.2.1 DEMO #1 OPERATION - 250 BYTE TRANSFER MODE
In Demo #1, the System 2 unit will receive a character and then stream 250 bytes of
data (25 lines of 8 alphanumeric characters plus the return and line feed characters, for
a total of 10 characters per line).
The System #1 unit is connected to the PC, while the System #2 unit is not required to
be connected, though it still needs to be powered. The PICDEM HPC Explorer Demo
Board is used to determine the communication baud rate (115,200) via the JP2 and
JP1 jumper states. Given this state, the PICmicro® MCU can then configure the
MCP2150 UART baud rate. Power is supplied over the H1 and H2 interface headers.
Jumpers JP3 and JP4 are used to select which demo program to run. Figure D-3 shows
the jumper configuration for Demo #1.
Table D-2 shows the steps for Demo #1.
FIGURE D-2: DEMO #1 SYSTEM BLOCK DIAGRAM (1)
Note: HyperTerminal should be disabled before establishing a connection
between the PC and the MCP215X/40 Developer’s Daughter Board. Make
sure that any other programs (e.g., HotSync®) connected to the IR ports
are disabled.
HyperTerminal®
Program Window A
(to IrDA® Dongle)
System #1 (1) System #2
PICDEM™ HPC
Explorer Demo Board plus
MCP215X/40 Developer’s
Serial (UART or USB)
to IrDA Dongle
Note 1: The PC may be a notebook with an integrated IR port. Daughter Board
HOOOOOOOOO§— g
D I— M
g 2 l MCP215X/40 Dev. m 5
3 Eu‘ Daughter Bd. 102—00077 W "J
D CMIZI-‘l R16 1 FIT“ a
m R11 (-329 . 06 5X EJI'I “’3
R4 “(:1
I “EMEPW "61 .9:
I @flcm_ JMPZooooooooo
us a a >
cw C“ SHOOOOOOOO
T 46 5x
VSSOORBQ oovssRaa
VDD o 0 R31_ W3 JMP4 o OVDD R31
RC2 o 0 R32 '3" 5x JMP‘ o 0 RC2 R32
RC1 oo RESIIIIII16XCLK ooRco R33
RCO o 0 R84 R” ”‘9 von 0 oRC1 R34
RAZOO R35 JM—TX nRESOORE7 OO16XRBS
RA1 o o RESELIIS RE4 OO RES 0 0 RM REG
%09 RAooo R37 I RFSOORF7 ooRAoR37
T ”5 R1I RC3 o 0 R66 RXD “’7 RF4 OO RF5 O O RST R06
IEE RC4 o 0 RC7 T . p5 RF2 OO RFIS o o TX RC7
JP“ RC5 o o RAG ED n ma OO RF1 o o RX RAB
CEJPM RA300 OORAJRA7
— RA4 O 0 R33 5&5 I R62 00 RG3 o o RA4 RE}
U2 c7: :95 RAS Ola Rm 6 R80 OD RG1 OIERAS RE2
H2 R21 DZ H30!
CTs -“ I.- “15 :25 %®
L.“ nqu '1-
D3 R2 04 m MICROCHIP __l. m Link ;®
MCP215X/40 Developer’s Daughter Board User’s Guide
DS51591A-page 48 © 2006 Microchip Technology Inc.
FIGURE D-3: DEMO #1 CONFIGURATION - 250 BYTE TRANSFER MODE
MCLR
Using the MCP215X/40 Developer’s Daughter Board
with the PICDEM™ HPC Explorer Demo Board
© 2006 Microchip Technology Inc. DS51591A-page 49
TABLE D-2: DEMO #1 STEPS
Step Action Result
1 Place both devices on a flat surface about 25 cm (10”)
apart, and with the IR ports facing each other.
—
2On the System #1 Unit (IR Dongle):
Connect Serial to IR dongle to PC. Ensure that device
supports the IrCOMM 9-wire “cooked” service class.
—
3On the PICDEM™ HPC Explorer Demo Board plus
MCP215X/40 Developer’s Daughter Board:
Insert the MCP215X/40 Developer’s Daughter Board
into the PICDEM HPC Explorer Demo Board.
Ensure that the jumpers are configured as in
Figure D-3.
—
4On the PICDEM HPC Explorer Demo Board plus
MCP215X/40 Developer’s Daughter Board:
Apply power to the unit via the 9V power supply.
On the PICDEM HPC Explorer Demo Board plus
MCP215X/40 Developer’s Daughter Board:
The green power LED (D) will turn on.
5On the PICDEM HPC Explorer Demo Board plus
MCP215X/40 Developer’s Daughter Board:
Depress and release the RESET Switch (S2 – MCLR).
—
6On the PC:
Wait for the PC to make a sound and the system tray
shows an IR icon. Placing the mouse over the icon will
show the MCP2150 Device ID (“Generic IrDA®”).
—
7On the PC:
Open the HyperTerminal® program window for the
Primary Device (such as COM 7).
Ensure that the window indicates that the
HyperTerminal program is connected.
On the PICDEM HPC Explorer Demo Board plus
MCP215X/40 Developer’s Daughter Board:
The “IR Link” LED will turn on and the “CTS” LED will
strobe rapidly and then return to the normal rate.
On the PC:
The system tray icon will change from a single IR icon
to two IR icons facing each other. An IR Link is now
established.
8On the PC:
In the HyperTerminal program window, type a
character.
On the PC:
The HyperTerminal window will display 25 rows with
8 alpha numeric characters.
9On the PC:
After each 250 byte transfer completes, another
character may be typed in the HyperTerminal program
window.
On the PC:
The typed alpha character will cause a 250 byte
packet to be transferred back to the PC. The
HyperTerminal window will display 25 rows with 8
alpha numeric characters.
Note: The 00077 - HPC.asm program only
expects to receive 1 byte per IR packet.
10 Step 9 may be repeated. —
11 On the PC:
“Disconnect” the HyperTerminal program window for
the Primary Device (such as COM 7).
On the PC:
The IR icon in the system tray will show that the link
has been disconnected.
EEC
f
MCP215X/40 Developer’s Daughter Board User’s Guide
DS51591A-page 50 © 2006 Microchip Technology Inc.
D.1.2.2 DEMO #2 OPERATION - ECHO MODE
In Demo #2, the System #2 unit will echo any alpha character received, changing the
case of the character (lowercase to uppercase/uppercase to lowercase).
The System #1 unit is connected to the PC, while the System #2 unit is not required to
be connected, though it still needs to be powered. The PICDEM HPC Explorer Demo
Board is used to determine the communication baud rate (115,200) via the JP2 and JP1
jumper states. Given this state, the PICmicro MCU can then configure the MCP2150
UART baud rate. Power is supplied over the H1 and H2 interface headers. Jumpers
JP3 and JP4 are used to select which demo program to run. Figure D-5 shows the
jumper configuration for Demo #1.
Table D-3 shows the steps for Demo #2.
FIGURE D-4: DEMO #2 SYSTEM BLOCK DIAGRAM (1)
HyperTerminal®
Program Window A
(to IrDA® Dongle)
System #1 (1) System #2
PICDEM™ HPC
Explorer Demo Board plus
MCP215X/40 Developer’s
Serial (UART or USB)
to IrDA Dongle
Note 1: The PC may be a notebook with an integrated IR port. Daughter Board
RXIR O
TXIR O
PHACT O
O
E
2
Z
O
BDI/RXPD
I- BDO/RXPDREF
fi‘
:
m
U267? :06
E
0
NC 0
H01
0
6’5
P 15X/40 Dew m
Daughter Bd.102—
Ciéu-fl R15
R“ nRza-LFQG
@wzcus
_ RI
IIIRH
00077
JMPZ000000000
b
SHOOOOOOOO R3 JP5
5X 40 5X
R80
RBI . MP3 JMP4
RBZ_ mm
:23 a 3,1; 16XCLK von
RES JMFS— TX n RES CO RE7
RBSEI:1§,§ RE4 OO RES
RB7 I RFs OO RF7
Rce RXD “’7 RF4OO RF5
RC7 T .
§
8
ooooooooooooo
fioooooooooooo
RAS
CTS -n_ I‘-
m R2 '.o_'-n MICROCHIP
o o vss Raa
OOVDD RBI
ooRcz RBZ
ooRco RB:
ooRc1 R34
oo1ex RES
0 o RA1 REG
0 0 RM R57
0 o RST RC6
o o TX RC7
o o Rx Rm
0 0 RA} RA7
0RA4 RE}
algRAs RE2
R25 H2 R21 02
H35"
Inn: 5.,- %@
R23 -'_:' IR Link %®
Using the MCP215X/40 Developer’s Daughter Board
with the PICDEM™ HPC Explorer Demo Board
© 2006 Microchip Technology Inc. DS51591A-page 51
FIGURE D-5: DEMO #2 CONFIGURATION - ECHO MODE
MCLR
MCP215X/40 Developer’s Daughter Board User’s Guide
DS51591A-page 52 © 2006 Microchip Technology Inc.
TABLE D-3: DEMO #2 STEPS
Step Action Result
1 Place both devices on a flat surface about 25 cm (10”)
apart, and with the IR ports facing each other.
—
2On the System #1 Unit (IR Dongle):
Connect Serial to IR dongle to PC. Ensure that the
device supports the IrCOMM 9-wire “cooked” service
class.
—
3On the PICDEM™ HPC Explorer Demo Board plus
MCP215X/40 Developer’s Daughter Board:
Insert the MCP215X/40 Developer’s Daughter Board
into the PICDEM™ HPC Explorer Demo Board.
Ensure that the jumpers are configured as in
Figure D-5.
—
4On the PICDEM HPC Explorer Demo Board plus
MCP215X/40 Developer’s Daughter Board:
Apply power to the unit via the 9V power supply.
On the PICDEM HPC Explorer Demo Board plus
MCP215X/40 Developer’s Daughter Board:
The green power LED (D) will turn on.
5On the PICDEM HPC Explorer Demo Board plus
MCP215X/40 Developer’s Daughter Board:
Depress and release the RESET Switch (S2 – MCLR).
—
6On the PC:
Wait for the PC system tray shows an IR icon. Placing
the mouse over the icon will show the MCP2150
Device ID (“Generic IrDA®”).
—
7On the PC:
Open the HyperTerminal® program window for the
Primary Device (such as COM 7).
Ensure that the window indicates that the
HyperTerminal program is connected.
On the PICDEM HPC Explorer Demo Board plus
MCP215X/40 Developer’s Daughter Board:
The “IR Link” LED will turn on and the “CTS” LED will
strobe rapidly and then return to the normal rate.
On the PC:
The system tray icon will change from a single IR icon
to two IR icons facing each other. An IR Link is now
established.
8On the PC:
In the HyperTerminal program window, type an “a”.
On the PC:
The HyperTerminal window will display an “aA”.
9On the PC:
Type some additional alpha characters into the
HyperTerminal program window.
On the PC:
The typed alpha character will echo where the case
has changed; lowercase -> uppercase and
uppercase -> lowercase.
Note: The 00077 - HPC.asm program only
expects to receive 1 byte per IR packet.
10 Step 8 through Step 9 may be repeated. —
11 On the PC:
“Disconnect” the HyperTerminal program window for
the Primary Device (such as COM 7).
On the PC:
The IR Icon in the system tray will show that the link
has been disconnected.

Using the MCP215X/40 Developer’s Daughter Board
with the PICDEM™ HPC Explorer Demo Board
© 2006 Microchip Technology Inc. DS51591A-page 53
D.1.2.3 DEMO #3 OPERATION - DIRECT TO UART (DB-9) MODE
In Demo #3, the MCP215X/40 Developer’s Daughter Board will communicate directly
to the PICDEM HPC Explorer Demo Board’s DB-9 connector (and then to the PC). The
PICDEM HPC Explorer Demo Board is used to determine the communication baud rate
(9600) via the JP2 and JP1 jumper states. Given this state, the PICmicro MCU can then
configure the MCP2150 UART baud rate. Power is supplied over the H1 and H2 inter-
face headers. Jumpers JP3 and JP4 are used to select which demonstration program
to run. Figure D-7 shows the jumper configuration for Demo #3. The jumpers that are
circled are the jumpers that change position.
Table D-4 shows the steps for Demo #3 operation.
FIGURE D-6: DEMO #3 SYSTEM BLOCK DIAGRAM (1)
HyperTerminal®
Program Window A
(to IrDA® Dongle)
(Com 1) (1) Com 1
System #1 (1) System #2
PICDEM™ HPC
Explorer Demo Board plus
MCP215X/40 Developer’s
Serial (UART or USB)
to IrDA Dongle
Note 1: The PC may be a notebook with an integrated IR port.
HyperTerminal
Program Window B
Daughter Board
DOOOOOOOOOQ D00
3 g “L MCP215X/4e Dev. “
\ m Daughter Bd 102— 00077
E cut-m -:R15
R“ IIIRZBIIJ-Qs w
! mamas-m
I IIIJOWR12 JMPZooooooooo
_ -
us a E: >
m m cm W suoooooooo
-R9 40 5X 40
m vssoom ESQ! oovssm
VDD 00 R81 . JMP3 JMP4 OOVDD RBI
RC2 oo Razm:‘sx M" com R52
GE RC1 oo OORCD R33
JP1B RCOOO OORC1 R84
U3I a; RAZOO OO‘IGX RES
Cg RA1OO OORA1RBG
Rm RAOOO 00RA0 R97
-R8 :1I R6300 ooRSTRCG
RC4OO 00 TXRC7
54m RCSOO oo Rx RAe
EJPWA RA3 o o O 0 RA} RA7
RA4OO ORA4 RES
N: : RA50|6 8%m
H35”
CTs-u-FF “hasn- %®
93 R2 0 n MICROCHIPu
“' R23 if IR Link §®
MCP215X/40 Developer’s Daughter Board User’s Guide
DS51591A-page 54 © 2006 Microchip Technology Inc.
FIGURE D-7: DEMO #3 CONFIGURATION - DIRECT TO UART (DB-9) MODE
MCLR
Using the MCP215X/40 Developer’s Daughter Board
with the PICDEM™ HPC Explorer Demo Board
© 2006 Microchip Technology Inc. DS51591A-page 55
TABLE D-4: DEMO #3 STEPS
Step Action Result
1 Place both devices on a flat surface about 25 cm (10”)
apart, and with the IR ports facing each other.
—
2On the System #1 Unit (IR Dongle):
Connect Serial to IR dongle to PC. Ensure that device
supports the IrCOMM 9-wire “cooked” service class.
—
3On the PICDEM™ HPC Explorer Demo Board plus
MCP215X/40 Developer’s Daughter Board:
Insert the MCP215X/40 Developer’s Daughter Board
into the PICDEM HPC Explorer Demo Board.
Ensure that the jumpers are configured as in
Figure D-7.
—
4On the PICDEM HPC Explorer Demo Board plus
MCP215X/40 Developer’s Daughter Board:
Apply power to the unit via the 9V power supply.
On the PICDEM HPC Explorer Demo Board plus
MCP215X/40 Developer’s Daughter Board:
The green power LED (D) will turn on.
5On the PICDEM HPC Explorer Demo Board plus
MCP215X/40 Developer’s Daughter Board:
Ensure that the PC serial port (COM1/2) cable is
connected to the PICDEM HPC Explorer Demo Board
DB-9 connector.
—
6On the PICDEM HPC Explorer Demo Board plus
MCP215X/40 Developer’s Daughter Board:
Depress and release the RESET Switch (S2 – MCLR).
—
7On the PC:
“Connect” the HyperTerminal® program window for
the Primary Device (such as COM 7). Ensure that the
window indicates that the HyperTerminal program is
connected.
On the PICDEM HPC Explorer Demo Board plus
MCP215X/40 Developer’s Daughter Board:
The “IR Link” LED will turn on and the “CTS” LED will
strobe rapidly and then return to the normal rate.
8On the PC:
Open the HyperTerminal program window for the Sec-
ondary Device (embedded system) which would be
connected to one on the standard COM ports (such as
COM1).
—
9On the PC:
In the Secondary Device HyperTerminal program win-
dow (COM1), type alpha-numeric characters (such as
“123456 asdfg”).
On the PC:
In the Primary Device HyperTerminal program
window (COM7), the same characters should be
displayed (“123456 asdfg”).
10 On the PC:
In the Primary Device HyperTerminal program window
(COM7), depress the Return key and type
alpha-numeric characters (such as “7890 hjkl;”).
On the PC:
In the Secondary Device HyperTerminal program
window (COM1), the same characters should be
displayed (“7890 hjkl;”) on the line below the “123456
asdfg” characters.
11 Step 9 through Step 10 may be repeated. —
12 On the PC:
“Disconnect” the HyperTerminal program window for
the Secondary Device (embedded system) which
would be connected to one on the standard COM
ports (such as COM1).
—
13 On the PC:
“Disconnect” the HyperTerminal program window for
the Primary Device (such as COM 7).
On the PC:
The IR icon in the system tray will show that the link
has been disconnected.
000 O
M(P2 15x Dem Rppllultlun
IR Link Established N 1-)
‘-' ‘->
at nISndns Sal
at nf(nndles Sol
change Box (% full
000 GO
MCP215X/40 Developer’s Daughter Board User’s Guide
DS51591A-page 56 © 2006 Microchip Technology Inc.
D.1.3 Palm PDA Demo using the AN888 Application Program
Application Note 888 supports doing Demo #3, the Data Logger (250 Byte) demo. For
this, the embedded system must be configured as in Figure D-7.
D.1.3.1 THE PALM PDA GUI
The GUI consists of a number of user-interface elements, including command buttons,
text labels and a text-entry field. Refer to Figure D-8.
FIGURE D-8: PALM PDA MAIN FORM
1. The Connect button attempts to establish a connection to the MCP215X/40
Developer’s Daughter Board with the Palm PDA acting as the Primary device.
The label to the left of the button provides an indication of the connection.
2. The Read Data button sends a query to the demo board requesting the soda and
candy counter values. Received data is parsed and displayed.
3. The Clear Data button sends a command to the demo board instructing it to reset
the application level counters. The command to “Read Data” is then sent to
ensure that the registers were cleared.
4. The ASCII/HEX button toggles the application between ASCII and HEX modes.
This value is used when preparing and transmitting data to the IR demo board.
This is useful when there is a need to send a non-printable value, such as
low-order ASCII. For example, to send the value 0x03, use the keyboard or
Graffiti® to enter “03” (without the quotes). This will be converted to 0x03 and
transmitted.
5. The Send button sends the data shown on the “TX Data” line. If HEX mode is
selected, minimal error-checking is performed.
6. The Show button causes a message box to be displayed that contains the
received buffer information.
7. The Reset button clears the Palm PDA application's receive data buffer.
8. The Send File button is used to send a file.
9. The 123 and ABC button opens a keyboard for data entry. The 123 button will
open the numeric keyboard, while the ABC button will open the alpha keyboard.
1
2
5
4
3
8
6
7
9
Send File

Using the MCP215X/40 Developer’s Daughter Board
with the PICDEM™ HPC Explorer Demo Board
© 2006 Microchip Technology Inc. DS51591A-page 57
D.1.3.2 RUNNING THE DEMO USING THE APPLICATION NOTE AN888
PROGRAM
After installing the AN888 application program to your Palm PDA, the program needs
to be launched. This PDA program communicates with the MCP215X/40 Developer’s
Daughter Board.
Table D-5 shows the steps to demonstrate the 250-byte S -> P Data Transfer program.
TABLE D-5: 250-BYTE S -> P DATA TRANSFER DEMO - PALM® PDA
Step Action Result
1 Place both devices on a flat surface about 25 cm (10”)
apart, with the IR ports facing each other.
—
2On the PICDEM™ HPC Explorer Demo Board plus
MCP215X/40 Developer’s Daughter Board:
Ensure that jumpers are configured as in Figure D-7.
—
3On the PICDEM HPC Explorer Demo Board plus
MCP215X/40 Developer’s Daughter Board:
Plug a 9V AC-to-DC power supply (such as those
supplied with some Microchip development tools) into
the 9V DC connection plug (J1).
On the MCP215X/40 Developer’s Daughter Board:
The green power LED (D9) will turn on.
4On the PICDEM HPC Explorer Demo Board plus
MCP215X/40 Developer’s Daughter Board:
Depress the RESET switch.
5On the PDA:
Tap on the MCP215XDemo icon.
On the PDA:
The screen will display the MCP215XDemo program
window.
6On the PDA:
Tap on the Connect button.
On the PDA:
The Connect button will change to the Disconnect
button.
7On the PDA:
Tap on the 123 button.
On the PDA:
This opens the numeric keyboard.
8On the PDA:
Tap on the number (5) button.
On the PDA:
In the upper-left corner of the window, the typed
number will appear.
9On the PDA:
Tap on the Done button.
On the PDA:
This closes the numeric keyboard window. The
number that was typed is shown on the
“TX Data (ASCII) =” line.
10 On the PDA:
Tap on the Send Byte button.
On the PICDEM HPC Explorer Demo Board plus
MCP215X/40 Developer’s Daughter Board:
The “IR Link” LED will turn on (the IR link is now open)
and the “CTS” LED will strobe rapidly before returning
to the normal rate.
On the PDA:
Trace will show “250 bytes”.
11 On the PDA:
Tap on the Show button.
On the PDA:
This opens the trace buffer window.
The received data table should be in the window.
12 On the PDA:
Tap on the OK button.
On the PDA:
This closes the trace buffer window.
13 On the PDA:
Tap on the Reset button.
On the PDA:
This will open a query window that asks “Reset Trace
Buffer, Are You Sure”.

MCP215X/40 Developer’s Daughter Board User’s Guide
DS51591A-page 58 © 2006 Microchip Technology Inc.
14 On the PDA:
In the Query window, tap on the Yes button.
On the PDA:
This clears the contents of the trace buffer. Trace
shows “0 Bytes”.
15 Step 7 through Step 14 may be repeated. —
16 On the PDA:
Tap on the Disconnect button.
On the PDA:
This will disconnect (close) the IR link. When the IR
link is disconnected, the PC icon will change to
indicate that the IR link is disconnected (has a red X).
On the PICDEM HPC Explorer Demo Board plus
MCP215X/40 Developer’s Daughter Board:
The “IR Link” and the “CTS” LEDs will turn off.
TABLE D-5: 250-BYTE S -> P DATA TRANSFER DEMO - PALM® PDA (CONTINUED)
Step Action Result
may rim Edd =
may Mama said - u
000 GO
Using the MCP215X/40 Developer’s Daughter Board
with the PICDEM™ HPC Explorer Demo Board
© 2006 Microchip Technology Inc. DS51591A-page 59
D.1.4 Pocket PC PDA Demo using the AN926 Application Program
Application Note 926 supports doing Demo #3, the Data Logger (250 Byte) demo. For
this, the embedded system must be configured as in Figure D-7.
D.1.4.1 THE POCKET PC PDA GUI
The GUI consists of a number of user interface elements including command buttons,
text labels and a text-entry field. (Figure D-9)
FIGURE D-9: POCKET PC PDA WINDOW
1. The Connect button attempts to establish a connection to the IR demo board.
The PPC device is acting as the Primary device and the demo board as the
Secondary device.
2. The Read Data button causes a query to be sent to the demo board, requesting
the number of sodas and candies information. Data received from the demo
board is parsed and displayed in text labels.
3. The Clear Data button sends a command to the demo board instructing it to reset
the application level counters.
4. The Send Byte button transfers the byte entered into the TX Data (ASCII) text
box. Any byte may be entered and transferred to the embedded system. If the
byte corresponds to one of the commands to read data, clear data or transfer a
buffer, the board will respond depending on its mode (vending machine or
250-byte transfer).
5. The Get File button initiates the 250-byte data transfer from the embedded
system by sending the embedded system the command byte for the transfer.
6. The Send File button allows the user to select a file on the PPC and transfer it
to the embedded system.
7. The Trace button causes the information in the trace buffer to be displayed.
Within this window is the capability to clear the trace buffer.
8. The Keyboard button opens a keyboard for data entry. The 123 button will open
the numeric keyboard, while the ABC button will open the alpha keyboard.
1
2
5
4
3
7
6
8

MCP215X/40 Developer’s Daughter Board User’s Guide
DS51591A-page 60 © 2006 Microchip Technology Inc.
D.1.4.2 RUNNING THE DEMO USING THE APPLICATION NOTE 926 PROGRAM
After installing the AN926 application program to your Pocket PC PDA, the program
needs to be launched. This PDA program communicates with the MCP215X/40
Developer’s Daughter Board.
Table D-6 shows the steps to demonstrate the 250-byte S -> P Data Transfer program.
TABLE D-6: 250-BYTE S -> P DATA TRANSFER DEMO - POCKET PC
Step Action Result
1 Place both devices on a flat surface about 25 cm (10”)
apart and with the IR ports facing each other.
—
2On the PICDEM™ HPC Explorer Demo Board plus
MCP215X/40 Developer’s Daughter Board:
Ensure that jumpers are configured as in Figure D-7.
—
3On the PICDEM HPC Explorer Demo Board plus
MCP215X/40 Developer’s Daughter Board:
Plug a 9V AC-to-DC power supply (such as supplied
with some Microchip development tools) into the 9V
DC connection plug (J1).
On the PICDEM HPC Explorer Demo Board plus
MCP215X/40 Developer’s Daughter Board:
The green power LED (D9) will turn on
4On the PICDEM HPC Explorer Demo Board plus
MCP215X/40 Developer’s Daughter Board:
Depress the RESET switch.
5On the PDA:
Start the IrDA® Demo program.
On the PDA:
The screen will display the “IrDA Demo” program
window, with the “Device ID” line displaying “Generic
IrDA” and the “IR Link” line displaying “Discovery
Mode”.
6On the PDA:
Tap on the Connect button.
On the PDA:
Once the connection is made, the program will be
updated so that the Connect button is called the
Disconnect button and the “IR Link” line displays
“Normal Response Mode”.
On the PICDEM HPC Explorer Demo Board plus
MCP215X/40 Developer’s Daughter Board:
The “IR Link” LED will turn on and the “CTS” LED will
strobe rapidly and then return to the normal rate. This
indicates that an IR link is established between the
PDA and the demo board.
7On the PDA:
Tap on the Get File button.
On the PICDEM HPC Explorer Demo Board plus
MCP215X/40 Developer’s Daughter Board:
The “CTS” LED will strobe rapidly and then return to
the normal rate.
On the PDA:
The data is received in the program’s trace buffer.
8On the PDA:
Tap on the Trace button.
On the PDA:
This opens the trace buffer window. You may scroll up
and down in this window to view the received data.
9On the PDA:
Tap on the Clear button.
On the PDA:
This clears the data that is in the trace buffer window.
10 On the PDA:
Tap on the Close button.
On the PDA:
This closes the trace buffer window.
11 Step 7 through Step 10 may be repeated. —

Using the MCP215X/40 Developer’s Daughter Board
with the PICDEM™ HPC Explorer Demo Board
© 2006 Microchip Technology Inc. DS51591A-page 61
12 On the PDA:
Tap on the Disconnect button.
On the PDA:
This will disconnect (close) the IR link. When the IR
Link is closed, the program window will be updated so
that the Disconnect button changes back to the
Connect button. The “IR Link” line will display “Normal
Disconnect Mode” and then, after a couple of
seconds, will display “Discovery Mode”.
On the PICDEM HPC Explorer Demo Board plus
MCP215X/40 Developer’s Daughter Board:
The “IR Link” and the “CTS” LEDs will turn off.
TABLE D-6: 250-BYTE S -> P DATA TRANSFER DEMO - POCKET PC (CONTINUED)
Step Action Result
MCP215X/40 Developer’s Daughter Board User’s Guide
DS51591A-page 62 © 2006 Microchip Technology Inc.
D.1.5 Window XP PC with an IrDA Standard Port Demo using the
AN941 Application Program
Application Note 941 supports doing Demo #3, the Data Logger (250 Byte) demo. For
this, the embedded system must be configured as in Figure D-7.
D.1.5.1 THE WINDOWS XP PC GUI
The GUI consists of a number of user interface elements including command buttons,
text labels and a text-entry field. Figure D-10 identifies the buttons, while the text below
describes the operation of the button.
FIGURE D-10: WINDOWS XP PC WINDOW
1. The Connect button attempts to establish a connection to the IR demo board.
The PC is acting as the Primary device and the demo board acts as the
Secondary device.
2. The Read Data button causes a query to be sent to the demo board requesting
a tally of the number of sodas and candies dispensed. Data received from the
demo board is parsed and displayed in text labels.
3. The Clear Data button sends a command to the demo board instructing it to reset
the application level counters.
4. The Send Byte button transfers the byte entered into the TX Data (ASCII) text
box. Any byte may be entered and transferred to the embedded system. If the
byte corresponds to one of the commands to read data, clear data or transfer a
buffer, the board will respond depending on its mode (vending machine or
250-byte transfer).
5. The Get File button initiates the 240-byte data transfer from the embedded
system by sending the embedded system the command byte for the transfer.
6. The Send File button allows the user to select a file on the PC and transfer it to
the embedded system.
7. The Close button closes the application.
1
2
4
5
3
7
6

Using the MCP215X/40 Developer’s Daughter Board
with the PICDEM™ HPC Explorer Demo Board
© 2006 Microchip Technology Inc. DS51591A-page 63
D.1.5.2 RUNNING THE DEMOS USING THE APPLICATION NOTE 941
PROGRAM
After saving the AN941 application program to your PC’s hard drive, the program needs
to be launched. This PC program communicates with the MCP215X/40 Developer’s
Daughter Board.
Table D-7 shows the steps to demonstrate the 250-byte S -> P Data Transfer program.
TABLE D-7: 250 BYTE S -> P DATA TRANSFER DEMO - WINDOWS® XP
Step Action Result
1 Place both devices on a flat surface about 25 cm (10”)
apart, with the IR ports facing each other.
—
2On the PICDEM™ HPC Explorer Demo Board plus
MCP215X/40 Developer’s Daughter Board:
Ensure that jumpers are configured as in Figure D-7.
—
3On the PC:
Run the IrDA Demo.exe program.
On the PC:
The program is searching for an IrDA® standard
device.
4On the PICDEM HPC Explorer Demo Board plus
MCP215X/40 Developer’s Daughter Board:
Plug a 9V AC-to-DC power supply (such as those
supplied with some Microchip development tools) into
the 9V DC connection plug (J1).
On the PICDEM HPC Explorer Demo Board plus
MCP215X/40 Developer’s Daughter Board:
The green power LED (D9) will turn on
In the IrDA Demo PC program window:
The program should indicate that it has “found” an
IrDA standard device, called “Generic IrDA”.
5On the PICDEM HPC Explorer Demo Board plus
MCP215X/40 Developer’s Daughter Board:
Depress the RESET switch.
6On the PC:
If the PC is configured to show the IR icon in the
system tray, a single IR LED will be displayed.
Place the mouse cursor over this icon.
On the PC:
The message “Generic IrDA is in range” will be
displayed, “Generic IrDA” is the device ID of the
MCP2150.
7In the IrDA standard demo PC program window:
Depress and release the Connect button.
In the IrDA standard demo PC program window:
Once the connection is made, the program window
will be updated to show that the Connect button now
is called the Disconnect button.
On the PICDEM HPC Explorer Demo Board plus
MCP215X/40 Developer’s Daughter Board:
The “IR Link” LED will turn on and the “CTS” LED will
flash. This indicates that an IR link is established
between the PC and the demo board.
8On the PC:
If the PC is configured to show the IR icon in the
system tray, the single IR LED icon will change to an
icon of two IR LEDs facing each other and talking.
Place the mouse cursor over this icon.
On the PC:
The message “Wireless link with Generic IrDA at
115200 bps” will be displayed. This shows that a link
is now established for data communication and that
the IR communication rate is 115200 bps, the baud
rate that was negotiated between the PC IrDA
standard hardware and the MCP2150.
9In the IrDA standard demo PC program window:
In the TX Data (ASCII) entry box, type in any number
(such as “5”).
—

MCP215X/40 Developer’s Daughter Board User’s Guide
DS51591A-page 64 © 2006 Microchip Technology Inc.
10 In the IrDA standard demo PC program window:
Depress and release the Send Byte button.
On the PICDEM HPC Explorer Demo Board plus
MCP215X/40 Developer’s Daughter Board:
The “CTS” LED will strobe rapidly and then return to
the normal rate.
In the IrDA standard demo PC program window:
The “Raw Received Data” window will display the
data table that was transmitted by the MCP215X/40
Developer’s Daughter Board. This table is shown in
Appendix H. “MCP215X/40 250-Byte Data Trans-
mit Table”. The scroll bar may be used to inspect the
data received.
11 Step 9 through Step 10 may be repeated. —
12 In the IrDA standard demo PC program window:
Depress and release the Disconnect button.
In the IrDA standard demo PC program window:
This will disconnect (close) the IR link. When the IR
link is disconnected, the PC icon will change to
indicate that the IR link is disconnected (has a red X).
On the PICDEM HPC Explorer Demo Board plus
MCP215X/40 Developer’s Daughter Board:
The “IR Link” and the “CTS” LEDs will turn off.
13 On the PC:
If the PC is configured to show the IR icon in the
system tray, a single IR LED will be displayed.
—
TABLE D-7: 250 BYTE S -> P DATA TRANSFER DEMO - WINDOWS® XP (CONTINUED)
Step Action Result
Q
MICRDCHIP
MCP215X/40 DEVELOPER’S
DAUGHTER BOARD USER’S GUIDE
© 2006 Microchip Technology Inc. DS51591A-page 65
Appendix E. Using the MCP215X/40 Developer’s Daughter
Board with the PICDEM™ FS USB Demo Board
E.1 DEMONSTRATION WITH THE PICDEM FS USB DEMO BOARD
To perform a demonstration of the MCP215X/40 Developer’s Daughter Board, two
systems are needed. A Primary Device and a Secondary Device (the embedded
system).
The embedded system (Secondary Device) is a MCP215X/40 Developer’s Daughter
Board (MCP212XEV-DB) plus the PICDEM™ FS USB Demo Board (DM183022).
The Primary Device is either a PC with IR Port (or IR Dongle) or a PDA.
There are four presentations of running the demos. These are:
1. Appendix D.1.2 “PC Demos using HyperTerminal”.
2. Appendix D.1.3 “Palm PDA Demo using the AN888 Application Program”.
3. Appendix D.1.4 “Pocket PC PDA Demo using the AN926 Application
Program”.
4. Appendix D.1.5 “Window XP PC with an IrDA Standard Port Demo using the
AN941 Application Program”.
The PC Demos using HyperTerminal shows all three PICDEM FS USB Demo Board
program modes, while those using the Application Note programs only show the Data
Logger (250 Byte) program mode. The steps to configure HyperTerminal is shown in
Appendix F. “Configuring the HyperTerminal® Program”.
Figure E-1 shows a block diagram of a PC based demonstration system.
FIGURE E-1: SYSTEM BLOCK DIAGRAM
Note: If the MCP215X/40 Developer’s Daughter Board PCB is Rev 2, refer to
E.2 “MCP215X/40 Developer’s Daughter Board PCB Rev 2 Errata”.
This also shows how to determine board revision.
HyperTerminal®
Program Window A
(to IrDA® Dongle)
(Com 1) (1) Com 1 (2)
System #1 (1) System #2
PICDEM™ HPC
Explorer Demo Board plus
MCP215X/40 Developer’s
Serial (UART or USB)
to IrDA Dongle
Note 1: The PC may be a notebook with an integrated IR port.
2: Only required if data is communicated with the PC.
Some program modes “respond” to received data (data not sent to PC).
HyperTerminal
Program Window B
Daughter Board

MCP215X/40 Developer’s Daughter Board User’s Guide
DS51591A-page 66 © 2006 Microchip Technology Inc.
The firmware for these demos is available on the Microchip web site, as well as on the
AIPD Evaluation Board CD-ROM. The file name is 00077 - FS USB.asm. This code
must be programmed into the PICDEM FS USB Demo Board’s PIC18F4550 for demo
operation. This code requires the JP3 and JP4 jumpers to be in the documented state
to select program mode operation.
The crystal frequency of the PICDEM Demo Board determines the error rates for the
EUSART baud rates, as well as the 16XCLK generation (for the MCP2150). So, for the
PICDEM FS USB Demo Board, the default crystal is 20 MHz. The 16XCLK frequency
for 115200 and 57600 baud has an error outside usable limits for IrDA standard com-
munication for 20 MHz operation (see Table E-1). Table E-1 shows the SPBRG values
for the EUSART at the same crystal frequencies.
TABLE E-1: SPBRG VALUES FOR EUSART(1)
Note: Other PICDEM Demo Boards may be used, but appropriate firmware needs
to be installed to demonstrate the system.
Desired
Baud
Rate
@ 40 MHz(2) @ 20 MHz(2) @ 14.7592 MHz(2) @ 10 MHz(2) @ 7.3728 MHz(2)
SPBRG(3) %Error SPBRG(3) %Error SPBRG(3) %Error SPBRG(3) %Error SPBRG(3) %Error
9600 225 -1.73% 129 -0.16% 95 0% 64 -0.16% 47 0%
19200 129 -0.16% 64 -0.16% 47 0% 32 1.36% 23 0%
57600 42 -0.94% 21 1.36% 15 0% 10 1.36% 7 0%
115200 21 1.36% 10 1.36% 7 0% 4 -8.51% 3 0%
Note 1: Shaded values indicate a % error that is larger than should be used.
2: The following shows the PICDEM™ Demo Board device frequencies:
PICDEM™ HPC Explorer Demo Board has a 10 MHz crystal installed (4xPLL -> 40 MHz).
PICDEM™ FS USB Demo Board has a 20 MHz crystal installed.
PICDEM™ 2 Plus Demo Board has a 4 MHz crystal installed.
PICDEM™ LCD has a socket for an external canned oscillator (also has an internal 8 MHz RC).
3: SYNC = 0, BRGH = 1, BRG16 = 0.

Using the MCP215X/40 Developer’s Daughter Board
with the PICDEM™ FS USB Demo Board
© 2006 Microchip Technology Inc. DS51591A-page 67
E.1.1 Demo #1 Operation - 250 Byte Transfer Mode
In Demo #1, the System #2 unit will receive a character and then stream 250 bytes of
data (25 lines of 8 alphanumeric characters plus the return and line feed characters, for
a total of 10 characters per line).
The System #1 unit is connected to the PC, while the System #2 unit is not required to
be connected, though it still needs to be powered. The PICDEM FS USB Demo Board
is used to determine the communication baud rate (115,200) via the JP2 and JP1
jumper states. Given this state, the PICmicro MCU can then configure the MCP2150
UART baud rate. Power is supplied over the H3 interface headers. Jumpers JP3 and
JP4 are used to select which demo program to run. Figure E-3 shows the jumper
configuration for Demo #1.
Table E-1 shows the steps for Demo #1.
FIGURE E-2: DEMO #1 SYSTEM BLOCK DIAGRAM (1)
HyperTerminal®
Program Window A
(to IrDA® Dongle)
System #1 (1) System #2
PICDEM™ FS USB
Demo Board plus
MCP215X/40 Developer’s
Serial (UART or USB)
to IrDA Dongle
Note 1: The PC may be a notebook with an integrated IR port. Daughter Board
8
D
— D
H0000000002— é
(
89: § a MCP215X/40 Dev. m 24 2
g E: Daughter Bd. 102—00077 1 R: E103“ m o3
B R“ akiwoe R16 I] CIR“
14 : C1 R27
| giizmm _ooooo m
I _ R12 _ b
“5 a a o o o 0
cm C” 5 ”$0990 5x R59
_ VSS
T V55 0 O Rm _3 JMP4 88“” RB'
V0” 0 0 RBI JMPI o oRCZ RBZ
RC2 O 0 R32 40 5X 0 oRco R33
RC1 OO Resggmxom D °°RC1RB4
R6000 R34 VD OORE7 oo16X RBS
RAZ O 0 RES JMFSTX g RES 0° RES 00 RM REG
RA1 o O ESE—mo: R“ 00 RF, 0 O RAD R57
m as RAD o 0 R87 W I g: 00 RF5 o O RST RC6
-Ra R1I Rosco recs RXD wool?” 00 TXRC7
RC4 o 0 RC7 $19 P6 R Rm 0 o RX RAB
ED JP“ RC5 o O RAG 2 RW 00 RA} RA7
.. F 00 R65 0 0
IEE JP1A RA3 O O RARE—R R64 00 R63 0 0 RM RES
_ RA4 o 0 RES- 5%” . 1:2: OD RG1 clam RE2
U2 C7: :06 RAS o|6 an 6 R25 H2 05 R21 02 H3 g®
”3-7: '3 n MICROCHIP “:3- -:-|Rk §®
0‘ R23
MCP215X/40 Developer’s Daughter Board User’s Guide
DS51591A-page 68 © 2006 Microchip Technology Inc.
FIGURE E-3: DEMO #1 CONFIGURATION - 250 BYTE TRANSFER MODE
MCLR
Using the MCP215X/40 Developer’s Daughter Board
with the PICDEM™ FS USB Demo Board
© 2006 Microchip Technology Inc. DS51591A-page 69
TABLE E-2: DEMO #1 STEPS
Step Action Result
1 Place both devices on a flat surface about 25 cm (10”)
apart, and with the IR ports facing each other.
—
2On the System #1 Unit (IR Dongle):
Connect Serial to IR dongle to PC. Ensure that device
supports the IrCOMM 9-wire “cooked” service class.
—
3On the PICDEM FS USB Demo Board plus
MCP215X/40 Developer’s Daughter Board:
Insert the MCP215X/40 Developer’s Daughter Board
into the PICDEM HPC Explorer Demo Board.
Ensure that the jumpers are configured as in
Figure E-2.
—
4On the PICDEM FS USB Demo Board plus
MCP215X/40 Developer’s Daughter Board:
Apply power to the unit via the 9V power supply.
On the PICDEM FS USB Demo Board plus
MCP215X/40 Developer’s Daughter Board:
The green power LED (D) will turn on.
5On the PICDEM FS USB Demo Board plus
MCP215X/40 Developer’s Daughter Board:
Depress and release the RESET Switch (S2 – MCLR).
—
6On the PC:
Wait for the PC to make a sound and the system tray
shows an IR icon. Placing the mouse over the icon will
show the MCP2150 Device ID (“Generic IrDA”).
—
7On the PC:
Open the HyperTerminal® program window for the
Primary Device (such as COM 7).
Ensure that the window indicates that the
HyperTerminal program is connected.
On the PICDEM FS USB Demo Board plus
MCP215X/40 Developer’s Daughter Board:
The “IR Link” LED will turn on and the “CTS” LED will
strobe rapidly and then return to the normal rate.
On the PC:
The system tray icon will change from a single IR icon
to two IR icons facing each other. An IR Link is now
established.
8On the PC:
In the HyperTerminal program window, type a
character.
On the PC:
The HyperTerminal window will display 25 rows with
8 alpha numeric characters.
9On the PC:
After each 250 byte transfer completes, another
character may be typed in the HyperTerminal program
window.
On the PC:
The typed alpha character will cause a 250 byte
packet to be transferred back to the PC. The
HyperTerminal window will display 25 rows with 8
alpha numeric characters.
Note: The 00077 - FS USB.asm program only
expects to receive 1 byte per IR packet.
10 Step 9 may be repeated. —
11 On the PC:
“Disconnect” the HyperTerminal program window for
the Primary Device (such as COM 7).
On the PC:
The IR icon in the system tray will show that the link
has been disconnected.

MCP215X/40 Developer’s Daughter Board User’s Guide
DS51591A-page 70 © 2006 Microchip Technology Inc.
E.1.2 Demo #2 Operation - Echo Mode
In Demo #2, the System #2 unit will echo any alpha character received, changing the
case of the character (lowercase to uppercase/uppercase to lowercase).
The System #1 unit is connected to the PC, while the System #2 unit is not required to
be connected, though it still needs to be powered. The PICDEM FS USB Demo Board
is used to determine the communication baud rate (115,200) via the JP2 and JP1
jumper states. Given this state, the PICmicro MCU can then configure the MCP2150
UART baud rate. Power is supplied over the H1 and H2 interface headers. Jumpers
JP3 and JP4 are used to select which demo program to run. Figure E-5 shows the
jumper configuration for Demo #1.
Table E-3 shows the steps for Demo #2.
FIGURE E-4: DEMO #2 SYSTEM BLOCK DIAGRAM (1)
HyperTerminal®
Program Window A
(to IrDA® Dongle)
System #1 (1) System #2
PICDEM™ FS USB
Demo Board plus
MCP215X/40 Developer’s
Serial (UART or USB)
to IrDA Dongle
Note 1: The PC may be a notebook with an integrated IR port. Daughter Board
ENE: IZIRM
0 R15
E‘OOOOOOOOOa
“- o I— n: n: x o D (/1 I
Egfiézmézgg
g 2 l MCP215X/40 Dev. ”‘
\ E; Daughter Bd.
8
B emu-fl R15
R“ an' 06
I n
I
102—00077
my _
us a '1: >
cm C“ SHOOOOOOOO
T 46 5x
vssoo 333 oovss 333
v03 0 o RB’II. $13 JMP4 OOVDD 331
RC2 o 0 R32 49 5x 0 0 RC2 332
RC1 oo RESIIIIII16XCLK ooRco R33
RCO o 0 R84 R” ”‘9 v03 0 arm R34
RAZOO R35 JMFS—TX n REsOORE7 oo1ex R35
RA1 o o 336;“? RE4 OO RES 0 0 RM REG
m ‘39 RAooo 337 ‘55 RFSOORF7 ooRAo R57
-R5 ml RC3 o 0 RC6 RXD “’7 RF4 OO RF5 o o RST RC6
IEE MA RC4 o o RF2 OO RFIS o o TX RC7
Rcsoo nRFOOO RF1 oo Rx RAs
CEJPWA RA300 \RG4OOR65 00RA3RA7
— RA4OO IRGZOORG3 OORA4RE3
“2 c7: :06 RAS Ola R80 OD RG1 0|6RA5 RE2
CTs-“IF 2235:053- H3 E@
D; R2 5.4- ,2; MICROCHIP _._l. m Link :®
Using the MCP215X/40 Developer’s Daughter Board
with the PICDEM™ FS USB Demo Board
© 2006 Microchip Technology Inc. DS51591A-page 71
FIGURE E-5: DEMO #2 CONFIGURATION - ECHO MODE
MCLR
MCP215X/40 Developer’s Daughter Board User’s Guide
DS51591A-page 72 © 2006 Microchip Technology Inc.
TABLE E-3: DEMO #2 STEPS
Step Action Result
1 Place both devices on a flat surface about 25 cm (10”)
apart, and with the IR ports facing each other.
—
2On the System #1 Unit (IR Dongle):
Connect Serial to IR dongle to PC. Ensure that device
supports the IrCOMM 9-wire “cooked” service class.
—
3On the PICDEM™ FS USB Demo Board plus
MCP215X/40 Developer’s Daughter Board:
Insert the MCP215X/40 Developer’s Daughter Board
into the PICDEM HPC Explorer Demo Board.
Ensure that the jumpers are configured as in
Figure E-6.
—
4On the PICDEM FS USB Demo Board plus
MCP215X/40 Developer’s Daughter Board:
Apply power to the unit via the 9V power supply.
On the PICDEM FS USB Demo Board plus
MCP215X/40 Developer’s Daughter Board:
The green power LED (D) will turn on.
5On the PICDEM FS USB Demo Board plus
MCP215X/40 Developer’s Daughter Board:
Depress and release the RESET Switch (S2 – MCLR).
—
6On the PC:
Wait for the PC system tray shows an IR icon. Placing
the mouse over the icon will show the MCP2150
Device ID (“Generic IrDA®”).
—
7On the PC:
Open the HyperTerminal® program window for the
Primary Device (such as COM 7).
Ensure that the window indicates that the
HyperTerminal program is connected.
On the PICDEM FS USB Demo Board plus
MCP215X/40 Developer’s Daughter Board:
The “IR Link” LED will turn on and the “CTS” LED will
strobe rapidly and then return to the normal rate.
On the PC:
The system tray icon will change from a single IR icon
to two IR icons facing each other. An IR Link is now
established.
8On the PC:
In the HyperTerminal program window, type an “a”.
On the PC:
The HyperTerminal window will display an “aA”.
9On the PC:
Type some additional alpha characters into the
HyperTerminal program window.
On the PC:
The typed alpha character will echo where the case
has changed; lowercase -> uppercase and
uppercase -> lowercase.
Note: The 00077 - HPC.asm program only
expects to receive 1 byte per IR packet.
10 Step 8 through Step 9 may be repeated. —
11 On the PC:
“Disconnect” the HyperTerminal® program window for
the Primary Device (such as COM 7).
On the PC:
The IR icon in the system tray will show that the link
has been disconnected.

Using the MCP215X/40 Developer’s Daughter Board
with the PICDEM™ FS USB Demo Board
© 2006 Microchip Technology Inc. DS51591A-page 73
E.2 MCP215X/40 DEVELOPER’S DAUGHTER BOARD PCB REV 2 ERRATA
Figure E-6 shows how to determine the revision of the MCP215X/40 Developer’s
Daughter Board PCB. This errata only applies to Revision 2 (R2) of the PCB.
FIGURE E-6: BOARD REVISION INDICATOR
Programming the PICDEM FS USB board (such as with the MPLAB® ICD 2) occurs
when the MCP215X/40 Developer’s Daughter Board is plugged into the J6 header.
There are two alternatives. These are:
1. When programming the PICDEM FS USB board, unplug the MCP215X/40
Developer’s Daughter Board from the J6 header.
2. Cut a trace on the MCP215X/40 Developer’s Daughter Board PCB.
FIGURE E-7: BOARD ECN FOR USE WITH THE PICDEM™ FS USB
BOARD
TOP BOTTOM
Revision
indicator
Note: If the trace is cut, this signal must be reconnected if returning to the
PICDEM HPC Demo Board and using the 00077 - HPC.asm program. It
may also be desirable for user specified programs.
TOP BOTTOM
Cut this trace.
This disconnects
RE3 from RC2
and MODE1.
H1 RC2 and
RE3 are also
disconnected
from MODE1.

MCP215X/40 Developer’s Daughter Board User’s Guide
DS51591A-page 74 © 2006 Microchip Technology Inc.
NOTES:
Q
MICRDCHIP
MCP215X/40 DEVELOPER’S
DAUGHTER BOARD USER’S GUIDE
© 2006 Microchip Technology Inc. DS51591A-page 75
Appendix F. Configuring the HyperTerminal® Program
F.1 CONFIGURING THE HyperTerminal PROGRAM
In running a demo, the HyperTermial program can be used on both the Primary Device
and for the Secondary Device. The configuration of HyperTerminal is different depend-
ing if HyperTerminal is communicating as the Primary Device or as the Secondary
Device.
To use a Laptop PC with an IrDA standard port as the Primary Device, the application
program must connect to the IR port. Some standard Window programs may not be
able to connect directly to the IR port (OS-specific).
For a Windows® XP (or Windows 2000) system, a 3rd-party driver needs to be installed
to “create” the “virtual port” that HyperTerminal needs to connect to that allows it to use
the IR port for communications. This driver is called IrCOMM2K and is available at
www.IRCOMM2K.de. Please evaluate this product before installing it on your system
to ensure that it will meet your requirements.
Microchip does not imply any suitability to your system requirements of any of these
3rd-party products. Please evaluate each product’s specifications and requirements
before installing them on your system.
Once the IrCOMM2K driver is installed, it creates a “new” com port (such as COM7).
This is a virtual serial port that the PC Terminal Emulation application program (such
as HyperTerminal) can be connected to.
To ensure that the PC is able to communicate to the PICDEM HPC Explorer Demo
Board plus MCP215X/40 Developer’s Daughter Board, the HyperTerminal program
must be properly configured. This section describes how the HyperTerminal program
should be configured. Refer to Section F.1.1 “Configuring HyperTerminal”.
Programs
> Accessories > Communications
11mm. mmnw ripfimx
on , Hype) lemunal
,T___7__ 7:
File > Pro erties
MCP215X/40 Developer’s Daughter Board User’s Guide
DS51591A-page 76 © 2006 Microchip Technology Inc.
F.1.1 Configuring HyperTerminal
1. Start the HyperTerminal Emulation program (usually located under the Programs
> Accessories > Communications directory.
FIGURE F-1: CONNECTION DESCRIPTION WINDOW
2. In the Connection Description window, select the Cancel button. The window
in Figure F-2 will be shown.
FIGURE F-2: HyperTerminal® PROGRAM MAIN WINDOW
3. If the HyperTerminal program window does not indicate that the window is
“Disconnected”, select Call -> Disconnect. In the lower-left corner, the
HyperTerminal program window will indicate “Disconnected”.
4. In the programs menu, select File > Properties. The window in Figure F-3 is
shown.
N». Connection Pmperlies
Emma-2A u Tunw
Eaumy/vewan WWW. ‘ ‘
Emeum avza cad: Mm me \nngdmanre :11er
Aeacaae :,
2mm :\
ammuw _\
ham 0v mu
Configuring the HyperTerminal® Program
© 2006 Microchip Technology Inc. DS51591A-page 77
FIGURE F-3: NEW CONNECTION PROPERTIES WINDOW
5. In the New Connection Properties window on the Connect To tab, go to the
“Connect Using” pull-down and select the desired COM port. For the Primary
Device, this will be the virtual serial port created by the IrCOMM2K driver
installation (such as COM7). This will be one of the standard COM ports (such
as COM1, COM2 or COM3) for the connection to the Embedded System.
6. Select the Configure button. This will open up the Port Settings window
(Figure F-4).
cow Pmuenizs
mm
mm _
e_
36%) H
mm V—
\ (Dr-12 Prnvzmzs
MCP215X/40 Developer’s Daughter Board User’s Guide
DS51591A-page 78 © 2006 Microchip Technology Inc.
FIGURE F-4: HyperTerminal® PROGRAM PROPERTIES
CONFIGURATION WINDOW
7. In the COMx (COM7) Properties window, configure the Port Setting for:
-“Bits per second:” = 115200
-“Data Bits:” = 8
-“Parity:” = None
-“Stop Bit:” = 1
-“Flow Control:” = None (for Primary Device) or
“Flow Control:” = Hardware (for Secondary Device)
The port settings would then be configured as shown in Figure F-4.
8. Select the OK button. The Figure F-3 window will be shown.
Primary Device Flow Control Secondary Device Flow Control
New Lunnmlnn vaemes
,a an” mg;
willxmp
Configuring the HyperTerminal® Program
© 2006 Microchip Technology Inc. DS51591A-page 79
9. In the New Connection Properties window, select the Settings tab. The
window will now look as shown in Figure F-5. Ensure that your settings match
the settings shown.
10. Configure the New Connection Properties Settings.
- Under the “Function, arrow and control keys act as” item, select the
Terminal Keys radio button.
- Under the “Backspace key sends” item, select the Ctrl+H radio button.
-From the “Emulation” pull-down menu, select Auto-detect.
-For “Telnet Terminal ID”, enter ANSI.
-For “Backscroll buffer lines”, select 500 from the pull-down menu.
11. Select the ASCII Setup button. This will open the ASCII Setup window
(Figure F-5).
12. In the “ASCII Sending” portion of the window:
-Check “Send line ends with line feeds”.
-Check “Echo typed characters locally”.
- Set the “Line delay” and the “Character delay” to ‘0’ milliseconds.
13. In the “ASCII Receiving” portion of the window:
- Uncheck “Append line feeds to incoming line ends”.
- Uncheck “Force incoming data to 7-bit ASCII”.
-Check “Wrap lines that exceed terminal width”.
14. Ensure that your settings match the settings shown.
15. Select the OK button. This closes the ASCII Setup window and returns focus to
the New Connection Properties window.
FIGURE F-5: NEW CONNECTION PROPERTIES - ASCII SETUP
a File > Save As
New Lunnmlnn mnnuuss
Eunnzcfla Tn;
memtm and mm” a
@lema w. 0 was”. k.”
am snare «2/ wards
® guw O 92‘ 0 mm $5122,th
gm“
Mn new 4 ”my p
Mun \evmmaHD 'KNsx
gmcmu mrmhm ‘Sm :
D 53/ mm mm cannecung a ascannecmg
cv
Hnsl Syslem [naming Method
Select Hm System Encncfing Methud
@§
0 same AIS
MCP215X/40 Developer’s Daughter Board User’s Guide
DS51591A-page 80 © 2006 Microchip Technology Inc.
16. In the New Connection Properties window, select the Input Translation
button. This will open the Host System Encoding Method window (Figure F-6).
- In the “Host System Encoding Method” window, select Shift-JIS and click
the OK button to close the window.
17. Then click the OK button in the New Connection Properties window.
18. Now that all the settings are configured, in HyperTerminal’s pull-down menu,
select File > Save As. Select the name that you wish. You may wish to save each
configuration with a name that you can remember (one for the Primary Device
and the other for the Secondary Device).
FIGURE F-6: NEW CONNECTION PROPERTIES - HOST SYSTEM
ENCODING METHOD
6‘
MICRDCHIP
MCP215X/40 DEVELOPER’S
DAUGHTER BOARD USER’S GUIDE
© 2006 Microchip Technology Inc. DS51591A-page 81
Appendix G. MCP215X/40 Connection Sequence Overview
FIGURE G-1: HIGH-LEVEL MCP215X AND MCP2140 CONNECTION SEQUENCE
Normal Disconnect Mode (NDM)
Send XID Commands
(timeslots n, n+1, ...)
No Response
XID Response in timeslot y
Finish sending XIDs
(max timeslots - y frames)
Broadcast ID No Response to these XIDs
(claiming this timeslot)
No Response to Broadcast ID
Primary Device MCP215X/MCP2140
Discovery
Normal Response Mode (NRM)
Send SNRM Command
(w/ parameters and
connection address)
Open channel for IAS Queries
Send IAS Queries
Open channel for data
Send Data or Status
Shutdown link
UA response with parameters
using connect address
Confirm channel open for IAS
Provide IAS responses
Confirm channel open for data
Send Data or Status
Confirm shutdown
(back to NDM state)
(approximately 70ms
between XID commands)
Send Data or Status
Send Data or Status
(MCP215X always claims timeslot 2)
(Secondary Device)
(MCP2150 CD pin driven Low,
MCP2155/40 DSR pin driven Low)
(MCP2140 always claims timeslot 0)
(some devices, such as PDAs, will not
issue this command until data is sent)
Return to NDM state

MCP215X/40 Developer’s Daughter Board User’s Guide
DS51591A-page 82 © 2006 Microchip Technology Inc.
NOTES:
Q
MICRDCHIP
MCP215X/40 DEVELOPER’S
DAUGHTER BOARD USER’S GUIDE
© 2006 Microchip Technology Inc. DS51591A-page 83
Appendix H. MCP215X/40 250-Byte Data Transmit Table
TABLE H-1: PIC16F877 250-BYTE DATA TRANSMIT TABLE
Line #
1
2
3
4
5
6
7
8
9
10
11
12
13
14
15
16
17
18
19
20
21
22
23
24
25
TXTBL DT D’250’ ; the first byte is the byte count
; 1 Characters
DT “12345678”, 0x0D, 0x0A ; 10 Characters
DT “2BCDEFGH”, 0x0D, 0x0A ; 10 Characters
DT “32345678”, 0x0D, 0x0A ; 10 Characters
DT “4bcdefgh”, 0x0D, 0x0A ; 10 Characters
DT “52345678”, 0x0D, 0x0A ; 10 Characters
DT “6BCDEFGH”, 0x0D, 0x0A ; 10 Characters
DT “72345678”, 0x0D, 0x0A ; 10 Characters
DT “8bcdefgh”, 0x0D, 0x0A ; 10 Characters
DT “92345678”, 0x0D, 0x0A ; 10 Characters
DT “ABCDEFGH”, 0x0D, 0x0A ; 10 Characters
DT “B2345678”, 0x0D, 0x0A ; 10 Characters
DT “Cbcdefgh”, 0x0D, 0x0A ; 10 Characters
DT “D2345678”, 0x0D, 0x0A ; 10 Characters
DT “EBCDEFGH”, 0x0D, 0x0A ; 10 Characters
DT “F2345678”, 0x0D, 0x0A ; 10 Characters
DT “1bcdefgh”, 0x0D, 0x0A ; 10 Characters
DT “22345678”, 0x0D, 0x0A ; 10 Characters
DT “3BCDEFGH”, 0x0D, 0x0A ; 10 Characters
DT “42345678”, 0x0D, 0x0A ; 10 Characters
DT “5bcdefgh”, 0x0D, 0x0A ; 10 Characters
DT “62345678”, 0x0D, 0x0A ; 10 Characters
DT “7BCDEFGH”, 0x0D, 0x0A ; 10 Characters
DT “82345678”, 0x0D, 0x0A ; 10 Characters
DT “9bcdefgh”, 0x0D, 0x0A ; 10 Characters
DT “a2345678”, 0x0D, 0x0A ; 10 Characters
;
; NOTE: 0x0D = Carriage Return, 0x0A = Line Feed
;

MCP215X/40 Developer’s Daughter Board User’s Guide
DS51591A-page 84 © 2006 Microchip Technology Inc.
NOTES:
Q
MICRDCHIP
MCP215X/40 DEVELOPER’S
DAUGHTER BOARD USER’S GUIDE
© 2006 Microchip Technology Inc. DS51591A-page 85
Appendix I. Alternate Optical Transceiver Implementation
I.1 INTRODUCTION
This appendix contains the description for implementing either of the other two optical
transceiver implementations.
I.2 HIGHLIGHTS
Diagrams included in this appendix:
• Vishay TFDU 4300 implementation
• Agilent HSDL 3000 implementation
Note 1: When performing either of these alternate optical transceiver
implementations, please make sure to remove all of the components that
are related to the TFDU 4100 implementation.
2: Some component value modifications may be required to ensure that the
IR131A electrical specification is met. This may require different values
for the following components R13, R18, R16, R17, C9 and Q6 (which
may then require R15 and R20).
__ R9
1 A U3
14 c
JPZB 2
R10 0 C 3 TX
47 o c 4 RX
JP13 5 NC
‘ 6 VCC
+ ics 7 so
C8 :: a1”; a GNU
4'7u:_16V _ —:— TFDU4100
MCP215X/40 Developer’s Daughter Board User’s Guide
DS51591A-page 86 © 2006 Microchip Technology Inc.
I.3 VISHAY TFDU 4100 IMPLEMENTATION
Figure I-1 shows the schematic for the TFDU 4100 circuit and the ECN change that
needs to be implemented. Figure I-2 shows how to make this correction on the layout.
FIGURE I-1: TFDU 4100 OPTICAL TRANSCEIVER ECN - SCHEMATIC
FIGURE I-2: TFDU 4300 OPTICAL TRANSCEIVER ECN - LAYOUT
@2
R8
6-8 JP2A
VDD a c 2 TX >
o c 3 RX
06 41c7 JP1A
4* 4 SD
.47uF 6.8uF Ta t
5)
5 GND
HSDL—SQOO
Alternate Optical Transceiver Implementation
© 2006 Microchip Technology Inc. DS51591A-page 87
I.4 AGILENT
HSDL 3000 Implementation
Figure I-3 shows the correction to the schematic for the HSDL 3000 to be implemented.
Figure I-4 shows how to make this correction on the layout.
FIGURE I-3: HSDL 3000 OPTICAL TRANSCEIVER ECN - SCHEMATIC
FIGURE I-4: HSDL 3000 OPTICAL TRANSCEIVER ECN - LAYOUT

MCP215X/40 Developer’s Daughter Board User’s Guide
DS51591A-page 88 © 2006 Microchip Technology Inc.
NOTES:
6‘
MICRDCHIP
3200000000; DOOOOOOOOO§ R5 4m «é
>- m n: x m 0! —
35323835339 Efigfisésméfi “I -®§§
g > “L MCP215X/46 Dev. “ “fill -@$g
3 8-Daughter Bd. 102— 00077 mfigm g
o as 8
"3 R11 Egg-0:315“; ”04511-1035: :5] R5 JP} 8'31
IZIR4 T
! @manw um =@®EE
I $10me JMPZooooooooo m M “8
— E
vs P ummga
SDOOOOm' R3 JPS v
OOR- III-I013] i CE oovssm
3,6 I331) mfg oovoD RBI
0 R32 40 5x ooRcz R32
OORBsnn ooRc0R33
00 334 m R1916XCLKVD 00 VS; ooRc1 R34
OORBS JMPG—TX m '600RE7 0016XR35
oo WEISS-:15 :4 oo RES 00RA1 R86
00 R37 RFSOO Rn OORAO R37
00 Rcs RXD W RF4OO RF5 oo RST Res
00 RC7 ' p RFZOORFJ 00 TX RC7
oo RAG GE, mRFQ OO RF1 oo RX RAB
OORA7; 33.1%Rc400Rc5 ooRAsRA7
o 0 RE} FgQPS IRGZ 00 R63 oRA4 RES
olfi REZ ,‘ R60 on RG1 OlgRAs REZ
H1
-I:l FF R25 G5R21 Dz Hsm
' n M ROCHIP "F '1- 2%
R23 IR Link
I
MCP215X/40 DEVELOPER’S
DAUGHTER BOARD USER’S GUIDE
© 2006 Microchip Technology Inc. DS51591A-page 89
Appendix J. PCB Silk-Screen Clarification
J.1 INTRODUCTION
This appendix contains the clarification for the PCB silk-screen. On jumper JMP4, the
labels should read DTE and DCE. The DTE setting is for the MCP2150, while the DCE
setting is for the MCP2155 and the MCP2140.
FIGURE J-1: PCB SILK-SCREEN CORRECTION
5X should be “DTE” 40 should be “DCE”
(supports the MCP2150) (supports the MCP2155 and the MCP2140)
MICROCHIP
AMERICAS ASIA/PACIFIC ASIA/PACIFIC EUROPE
DS51591A-page 90 © 2006 Microchip Technology Inc.
AMERICAS
Corporate Office
2355 West Chandler Blvd.
Chandler, AZ 85224-6199
Tel: 480-792-7200
Fax: 480-792-7277
Technical Support:
http://support.microchip.com
Web Address:
www.microchip.com
Atlanta
Alpharetta, GA
Tel: 770-640-0034
Fax: 770-640-0307
Boston
Westborough, MA
Tel: 774-760-0087
Fax: 774-760-0088
Chicago
Itasca, IL
Tel: 630-285-0071
Fax: 630-285-0075
Dallas
Addison, TX
Tel: 972-818-7423
Fax: 972-818-2924
Detroit
Farmington Hills, MI
Tel: 248-538-2250
Fax: 248-538-2260
Kokomo
Kokomo, IN
Tel: 765-864-8360
Fax: 765-864-8387
Los Angeles
Mission Viejo, CA
Tel: 949-462-9523
Fax: 949-462-9608
San Jose
Mountain View, CA
Tel: 650-215-1444
Fax: 650-961-0286
Toronto
Mississauga, Ontario,
Canada
Tel: 905-673-0699
Fax: 905-673-6509
ASIA/PACIFIC
Australia - Sydney
Tel: 61-2-9868-6733
Fax: 61-2-9868-6755
China - Beijing
Tel: 86-10-8528-2100
Fax: 86-10-8528-2104
China - Chengdu
Tel: 86-28-8676-6200
Fax: 86-28-8676-6599
China - Fuzhou
Tel: 86-591-8750-3506
Fax: 86-591-8750-3521
China - Hong Kong SAR
Tel: 852-2401-1200
Fax: 852-2401-3431
China - Qingdao
Tel: 86-532-8502-7355
Fax: 86-532-8502-7205
China - Shanghai
Tel: 86-21-5407-5533
Fax: 86-21-5407-5066
China - Shenyang
Tel: 86-24-2334-2829
Fax: 86-24-2334-2393
China - Shenzhen
Tel: 86-755-8203-2660
Fax: 86-755-8203-1760
China - Shunde
Tel: 86-757-2839-5507
Fax: 86-757-2839-5571
China - Wuhan
Tel: 86-27-5980-5300
Fax: 86-27-5980-5118
China - Xian
Tel: 86-29-8833-7250
Fax: 86-29-8833-7256
ASIA/PACIFIC
India - Bangalore
Tel: 91-80-4182-8400
Fax: 91-80-4182-8422
India - New Delhi
Tel: 91-11-5160-8631
Fax: 91-11-5160-8632
India - Pune
Tel: 91-20-2566-1512
Fax: 91-20-2566-1513
Japan - Yokohama
Tel: 81-45-471- 6166
Fax: 81-45-471-6122
Korea - Gumi
Tel: 82-54-473-4301
Fax: 82-54-473-4302
Korea - Seoul
Tel: 82-2-554-7200
Fax: 82-2-558-5932 or
82-2-558-5934
Malaysia - Penang
Tel: 60-4-646-8870
Fax: 60-4-646-5086
Philippines - Manila
Tel: 63-2-634-9065
Fax: 63-2-634-9069
Singapore
Tel: 65-6334-8870
Fax: 65-6334-8850
Taiwan - Hsin Chu
Tel: 886-3-572-9526
Fax: 886-3-572-6459
Taiwan - Kaohsiung
Tel: 886-7-536-4818
Fax: 886-7-536-4803
Taiwan - Taipei
Tel: 886-2-2500-6610
Fax: 886-2-2508-0102
Thailand - Bangkok
Tel: 66-2-694-1351
Fax: 66-2-694-1350
EUROPE
Austria - Wels
Tel: 43-7242-2244-399
Fax: 43-7242-2244-393
Denmark - Copenhagen
Tel: 45-4450-2828
Fax: 45-4485-2829
France - Paris
Tel: 33-1-69-53-63-20
Fax: 33-1-69-30-90-79
Germany - Munich
Tel: 49-89-627-144-0
Fax: 49-89-627-144-44
Italy - Milan
Tel: 39-0331-742611
Fax: 39-0331-466781
Netherlands - Drunen
Tel: 31-416-690399
Fax: 31-416-690340
Spain - Madrid
Tel: 34-91-708-08-90
Fax: 34-91-708-08-91
UK - Wokingham
Tel: 44-118-921-5869
Fax: 44-118-921-5820
WORLDWIDE SALES AND SERVICE
02/16/06
Products related to this Datasheet
BOARD DEMO FOR MCP215X/40