( Mass!
Data Sheet, V1.5, Nov. 2007
Uni- and Bipolar Hall IC Switches for
Magnetic Field Applications
TLE4905L, TLE4935L,
TLE4945L, TLE4945-2L
Sensors
Never stop thinking.

Edition 2007-11
published by Infineon Technologies AG,
Am Campeon 1-12,
81726 München, Germany
© Infineon Technologies AG 2007.
All Rights Reserved.
Attention please!
The information herein is given to describe certain components and shall not be considered as a guarantee of characteristics.
Terms of delivery and rights to technical change reserved.
We hereby disclaim any and all warranties, including but not limited to warranties of non-infringement, regarding circuits,
descriptions and charts stated herein.
Information
For further information on technology, delivery terms and conditions and prices please contact your nearest Infineon
Technologies Office (www.infineon.com).
Warnings
Due to technical requirements components may contain dangerous substances. For information on the types in question
please contact your nearest Infineon Technologies Office.
Infineon Technologies Components may only be used in life-support devices or systems with the express written approval of
Infineon Technologies, if a failure of such components can reasonably be expected to cause the failure of that life-support
device or system, or to affect the safety or effectiveness of that device or system. Life support devices or systems are intended
to be implanted in the human body, or to support and/or maintain and sustain and/or protect human life. If they fail, it is
reasonable to assume that the health of the user or other persons may be endangered.
P
-SSO-3-2
PG-SSO-3-2
Data Sheet 1 2007-05
Uni- and Bipolar Hall IC Switches for
Magnetic Field Applications
TLE4905L, TLE4935L,
TLE4945L, TLE4945-2L
Features
• Digital output signal
• For unipolar and alternating magnetic fields
• Large temperature range
• Temperature compensated magnetic performance
• Protection against reversed polarity
• Output protection against electrical disturbances
Type Marking Package
TLE4905L 05 L PG-SSO-3-2
TLE4935L 35 L PG-SSO-3-2
TLE4935-2L 35 2 PG-SSO-3-2
TLE4945L 45 L PG-SSO-3-2
TLE4945-2L 45 2 PG-SSO-3-2
TLE4905/35/45/45-2 L (Unipolar/Bipolar Magnetic Field Switches) have been designed
specifically for automotive and industrial applications. Reverse polarity protection is included on-
chip as is output protection against negative voltage transients.
Typical applications are position/proximity indicators, brushless DC motor commutation,
rotational indexing etc.
mum
TLE4905L, TLE4935L, TLE4945L, TLE4945-2L
Data Sheet 2 V1.5, 2007-11
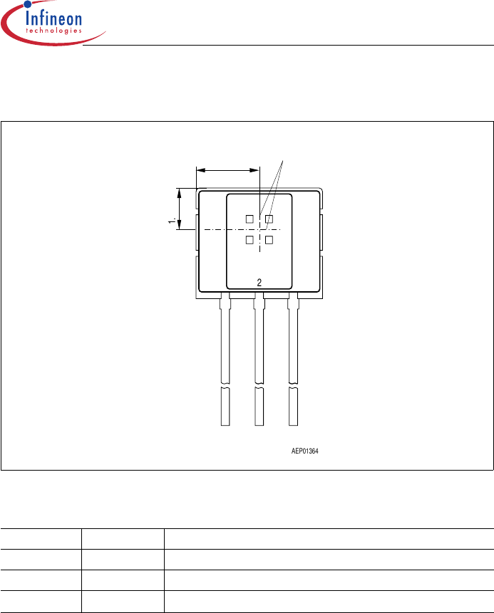
Pin Configuration
(view on branded side of component)
AEP01364
V
S
GND Q
231
1.35
2.08
Center of
sensitive are
a
±0.1
±0.1
Figure 1
Pin Definitions and Functions
Pin No. Symbol Function
1VSSupply voltage
2GND Ground
3QOutput
. ‘
Inflqeon
éé
PT
TLE4905L, TLE4935L, TLE4945L, TLE4945-2L
Data Sheet 3 V1.5, 2007-11
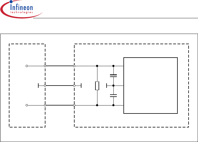
Circuit Description
The circuit includes Hall generator, amplifier and Schmitt-Trigger on one chip. The internal
reference provides the supply voltage for the components. A magnetic field perpendicular to the
chip surface induces a voltage at the hall probe. This voltage is amplified and switches a Schmitt-
trigger with open-collector output. A protection diode against reverse power supply is integrated.
The output is protected against electrical disturbances.
AEB01243
Hall-
Generator
VSVRef
Output
Stage
Schmitt-
Trigger
Amplifier
Threshold
Generator
VS1Q
3
2
GND
Figure 2 Block Diagram
Q neon
WM
Bap
TLE4905L, TLE4935L, TLE4945L, TLE4945-2L
Data Sheet 4 V1.5, 2007-11
Functional Description Unipolar Type TLE4905 (Figure 3 and 4)
When a positive magnetic field is applied in the indicated direction (Figure 3) and the turn-on
magnetic induction BOP is exceeded, the output of the Hall-effect IC will conduct (Operate Point).
When the current is reduced, the output of the IC turns off (Release Point; Figure 4).
AES01231
S
N
Branded Side
+V
S
-
V
Q
+
Ι
Figure 3 Sensor/Magnetic-Field Configuration
AED01420
Induction
Output Voltage
0
B
RP
OP
B
B
t
V
QH
V
QL
Q
V
t
Figure 4 Switching Characteristics Unipolar Type
In
RP
TLE4905L, TLE4935L, TLE4945L, TLE4945-2L
Data Sheet 5 V1.5, 2007-11
Functional Description Bipolar Type TLE4935/45/45-2 (Figure 5 and 6)
When a positive magnetic field is applied in the indicated direction (Figure 5) and the turn-on
magnetic induction BOP is exceeded, the output of the Hall-effect IC will conduct (Operate Point).
The output state does not change unless a reverse magnetic field exceeding the turn-off magnetic
iinduction BRP is exceeded. In this case the output will turn off (Release Point; Figure 6).
AES01231
S
N
Branded Side
+V
S
-
V
Q
+
Ι
Figure 5 Sensor/Magnetic-Field Configuration
AED01421
Induction
Output Voltag
e
0
B
RP
OP
B
B
t
V
QH
V
QL
Q
V
t
Figure 6 Switching Characteristics Bipolar Type
Q neon
WM
Absolute Maximum Ratings
Tj = – 40 to 150 °C
Parameter Symbol Limit Values Unit Remarks
min. max.
Supply voltage VS– 40 32 V –
Supply voltage VS– 40 V t < 400 ms; ν = 0.1
Output voltage VQ– 32 V –
Output current IQ– 100 mA –
Output reverse current – IQ– 100 mA –
Junction temperature Tj– 40 150 °C –
Junction temperature Tj– 170 °C1000 h
Junction temperature Tj– 210 °C40 h
Storage temperature Tstg – 50 150 °C –
Thermal resistance Rth JA – 190 K/W –
TLE4905L, TLE4935L, TLE4945L, TLE4945-2L
Data Sheet 6 V1.5, 2007-11
Note: Stresses above those listed here may cause permanent damage to the device. Exposure to
absolute maximum rating conditions for extended periods may affect device reliability.
Operating Range
Parameter Symbol Limit Values Unit Remarks
min. max.
Supply voltage VS3.8 24 V –
Junction temperature Tj– 40 150 °C –
– 170 1000 h,
thresholds may
exceed the limits
Note: In the operating range the functions given in the circuit description are fulfilled.
aneon
WNW“
AC/DC Characteristics
3.8 V ≤ VS ≤ 24 V; – 40 °C ≤ Tj ≤ 150 °C
Parameter Symbol Limit Values Unit Test Condition Test
Circuit
min. typ. max.
Supply current ISHigh
ISLow
–
–
3
4
7
8
mA
mA
B < BRP
B > BOP
1
1
Output saturation
voltage
VQSat –0.25 0.5 VIQ = 40 mA 1
Output leakage
current
IQL – – 10 µAVQ = 24 V 1
Rise/fall time tr / tf––1µsRL = 1.2 kΩ
CL ≤ 33 pF
1
TLE4905L, TLE4935L, TLE4945L, TLE4945-2L
Data Sheet 7 V1.5, 2007-11
Note: Typical characteristics specify mean values expected over the production spread. If not
otherwise specified, typical characteristics apply at Tj = 25 °C and the given supply
voltage.
TLE4905L, TLE4935L, TLE4945L, TLE4945-2L
Data Sheet 8 V1.5, 2007-11
Magnetic Characteristics
3.8 V ≤ VS ≤ 24 V
Parameter Symbol Limit Values Unit
TLE4905
unipolar
TLE4935
bipolar latch
TLE4945
bipolar
switch
TLE4945-2
bipolar
switch
min. max. min. max. min. max. min. max.
Junction Temperature Tj = – 40 °C
Turn-ON
induction
Turn-OFF
induction
Hysteresis
(BOP – BRP)
BOP
BRP
∆BH
7.5
5.5
2
19
17
6.5
10
– 20
20
20
– 10
40
– 6
– 10
2
10
6
10
– 3
– 6
1
6
3
5
mT
mT
mT
Junction Temperature Tj = 25 °C
Turn-ON
induction
Turn-OFF
induction
Hysteresis
(BOP – BRP)
BOP
BRP
∆BH
7
5
2
18
16
6
10
– 20
20
20
– 10
40
– 6
– 10
2
10
6
10
– 3
– 6
1
6
3
5
mT
mT
mT
Junction Temperature Tj = 85 °C
Turn-ON
induction
Turn-OFF
induction
Hysteresis
(BOP – BRP)
BOP
BRP
∆BH
6.5
4.5
2
17.5
15
5.5
10
– 20
20
20
– 10
40
– 6
– 10
2
10
6
10
– 3
– 6
1
6
3
5
mT
mT
mT
TLE4905L, TLE4935L, TLE4945L, TLE4945-2L
Data Sheet 9 V1.5, 2007-11
Note: The listed magnetic characteristics are ensured over the operating range of the integrated
circuit. Typical characteristics specify mean values expected over the production spread.
If not otherwise specified, typical characteristics apply at Tj = 25 °C and the given supply
voltage.
Junction Temperature Tj = 150 °C
Turn-ON
induction
Turn-OFF
induction
Hysteresis
(BOP – BRP)
BOP
BRP
∆BH
6
4
2
17
14
5
10
– 20
20
20
– 10
40
– 6
– 10
2
10
6
10
– 3
– 6
1
6
3
5
mT
mT
mT
Magnetic Characteristics (cont’d)
3.8 V ≤ VS ≤ 24 V
Parameter Symbol Limit Values Unit
TLE4905
unipolar
TLE4935
bipolar latch
TLE4945
bipolar
switch
TLE4945-2
bipolar
switch
min. max. min. max. min. max. min. max.
Infineon
WNW“ ,,
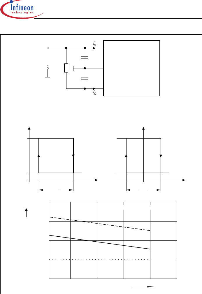
Unipolar Type TLE4905 Bipolar Type TLE4935
AES01244
S
V
S
V
4.7 nF
TLE
Q
GND
4905/35/35-2/45-2
Ι
S
Q
Ι
R
L
3
2
1
C
L
+
-
AED01422
Q
B
V
VQH
VQL
0
BRP OP
B
BHYHY
BBOPRP
B
0
QL
V
QH
V
V
B
Q
AED01426
0
mT
B
-40
T
˚C
j
0 50 100 200
HYmax
B
HYtyp
B
HYmin
B
2
4
6
8
3.8 V
S
_
<
V24 V
_
<
TLE4905L, TLE4935L, TLE4945L, TLE4945-2L
Data Sheet 10 V1.5, 2007-11
Figure 7 Test Circuit 1
____________________________________
AES01247
S
V
4.7 nF
Q
GND
1.2 k
4.7 nF
Line
V
S
Mainframe
Signal
Sensor
3
2
1
Ω
4905/35/35-2/45-2
TLE
TLE4905L, TLE4935L, TLE4945L, TLE4945-2L
Data Sheet 11 V1.5, 2007-11
Figure 8 Application Circuit
C"
Inflqeon
I I
If not otherwise specified, all curves reflect typical values at Tj = 25 °C and VS = 12 V
TLE4905L, TLE4935L, TLE4945L, TLE4945-2L
Data Sheet 12 2007-05
Quiescent Current versus
Supply Voltage
AED01248
0
2
4
6
8
VQHigh
=
mA
Ι
S
0510 15 2
5
=-40 ˚C
VS
V
150 ˚C
=
T
j
T
j
Quiescent Current Difference
versus Temperature
AED01459
-40
∆Ι
S
0 50 100 200
0.25
0.5
0.75
1.0
mA
Ι
Q= 40 mA
150 ˚C
S
∆SLow
Ι
SHigh
Ι
Tj
Ι
0
=-
Quiescent Current versus
Junction Temperature
AED01249
0
2
4
6
8
V
Q
= High
mA
Ι
S
-50 0 50 100 200
V
S
= 24 V
= 4.0 V
S
V
C
T
j
Saturation Voltage versus
Output Current
AED01461
0
Ι
V
Q
20 40 60 100
0.2
V
Q
mA
0.4
0.6
0.8
1.0
1.2
= -40 ˚C
= 125 ˚C
T
j
T
j
0
3.8 V
S
_
<
V24 V
_
<

TLE4905L, TLE4935L, TLE4945L, TLE4945-2L
Data Sheet 13 2007-05
TLE4905 Operate-and Release-Point
versus Junction Temperature
AED03289
0
mT
B
-40
T
˚C
j
5
10
15
20
25
0 50 100 20
0
B
OPmax
RPmax
B
B
OPmin
RPmin
B
3.8 V
S
_
<
V24 V
_
<
TLE4935 Operate-and Release-Point
versus Junction Temperature
AED03291
-20
mT
B
-40
T
˚C
j
-10
0
10
20
30
0 50 100 20
0
B
OPmax
RPmax
B
B
OPmin
RPmin
B
3.8 V
S
_
<
V24 V
_
<
TLE4905 Hysteresis versus Junction
Temperature
AED03290
0
mT
B
-40
T
˚C
j
0 50 100 20
0
HYmax
B
HYmin
B
2
4
6
8
3.8 V
S
_
<
V24 V
_
<
TLE4945 Operate-and Release-Point
versus Junction Temperature
AED03293
-30
mT
-40 ˚C
0 50 100 20
0
BOPmax
RPmax
B
BOPmin
RPmin
B
-20
-10
0
10
20
30
j
T
B
3.8 V
<
24 V
VS
_
<
_
Infiqeon
TLE4905L, TLE4935L, TLE4945L, TLE4945-2L
Data Sheet 14 2007-05
TLE4945-2 Operate-and Release-Point
versus Junction Temperature
AED03294
-18
mT
-40 ˚C
0 50 100 20
0
B
OPmax
RPmax
B
B
OPmin
RPmin
B
-12
-6
0
6
12
18
j
T
B3.8 V
<
24 V
V
S
_
<
_
Infineon
WNW“ ,,
TLE4905L, TLE4935L, TLE4945L, TLE4945-2L
Data Sheet 15 V1.5, 2007-11
Total tolerance at 10 pitches ±1
1) No solder function area
±0.3
±0.4
6.35
12.7
12.7
±1
±0.5
-0.5
+0.75
4
±0.3
9
GP O05358
-0.15
±0.1
Tape
Ad h e s iv
e
Tape
0.25
0.39
±0.5
A
18
6
23.8
±0.5
38 MAX.
-1
1
132
1.27
±0.25
1.27
±0.25
0.6 MAX.
0.4
±0.05
1)
1 MAX.
0.15 MAX.
1.9 MAX.
4.06
±0.08
4.16
±0.05
±0.08
3.29
3
±0.06
0.2
(0.25)
x 45°0.8
±0.1
7°
x 45°
±0.1
0.35
0.2
+0.1
7°
(0.79)
A
2
1.52
±0.05
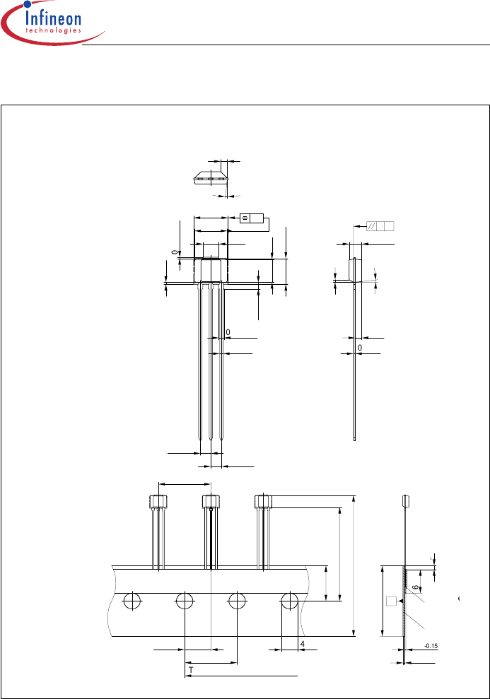
Package Outlines
PG-SSO-3-2
(Plastic Single Small Outline Package)
Infineon
WNW“ ,,
You can find all of our packages, sorts of packing and others in our Infineon
Internet Page “Products”: http://www.infineon.com/products. Dimensions in mm
P-SSO-3-2 : 0.57
d : Distance chip to branded side of I
C
mm
±0.08
AEA0251
0
Hall-Probe
Branded Side
d
TLE4905L, TLE4935L, TLE4945L, TLE4945-2L
Data Sheet 16 V1.5, 2007-11
Revision History: 2007-11, V1.5
Previous Version: V1.4:§
Page Subjects (major changes since last revision)
Package changed to PG-SSO-3-2
TLE4905L, TLE4935L, TLE4945L, TLE4945-2L
Data Sheet 1 V1.5, 2007-11
For questions on technology, delivery and prices please contact the Infineon Technologies offices
in Germany or the Infineon Technologies Companies and Representatives worldwide: see our
webpage at http://www.infineon.com
We Listen to Your Comments
Any information within this document that you feel is wrong, unclear or missing at all?
Your feedback will help us to continuously improve the quality of this document.
Please send your proposal (including a reference to this document) to:
sensors@infineon.com
Products related to this Datasheet
MAGNETIC SWITCH UNIPOL PSSO-3-2
MAGNETIC SWITCH UNIPOL PSSO-3-2
MAGNETIC SWITCH BIPOLAR 3SSO
MAGNETIC SWITCH BIPOLAR 3SSO
MAGNETIC SWITCH UNIPOL PSSO-3-2
MAGNETIC SWITCH BIPOLAR PSSO-3-2
MAGNETIC SWITCH BIPOLAR PSSO-3-2
MAGNETIC SWITCH UNIPOL PSSO-3-2
MAGNETIC SWITCH LATCH PSSO-3-2
MAGNETIC SWITCH BIPOLAR PSSO-3-2
MAGNETIC SWITCH BIPOLAR PSSO-3-2
MAGNETIC SWITCH BIPOLAR PSSO-3-2
