ACS37800 Hall Effect Power Monitoring Sensor
Allegro's ACS37800 integrates power, voltage, and current monitoring with a reinforced isolation
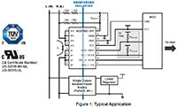
Allegro's ACS37800 integrates power, voltage, and current monitoring with a reinforced isolation rating up to 517 VRMS in a small SOIC 16 W package. The ACS37800 can power from the same voltage supply as the system microprocessor (5 V or 3.3 V) thanks to its onboard regulator without needing digital isolators or multiple power supplies, reducing the complexity and size of the system. It also has overcurrent fault output, undervoltage and overvoltage protection, and voltage zero-crossing voltage or current output, integrating multiple levels of system protection to detect inrush currents or short circuits.
Allegro’s power monitor IC simplifies common power measurements by offering digital computation of parameters including active, reactive, and apparent power, as well as instantaneous and RMS current and voltage. This saves calculation resources from the MCU and critically shrinks the time to market.
Unprecedented features and programmability simplify improvements in energy efficiency for industrial applications.
Combining Allegro’s factory programming of sensitivity and offset with vast user programmability allows users to balance accuracy and customization. This makes it an excellent option in the increasingly competitive energy-efficient markets such as smart lighting (light dimming), building automation (smart appliances and smart plugs), motor control (increase efficiency), and server and telecom power supplies (power monitoring).
ACS37800 Hall Effect Power Monitoring Sensor
| Image | Manufacturer Part Number | Description | Available Quantity | Price | View Details | |
|---|---|---|---|---|---|---|
![]() | ![]() | ACS37800KMACTR-030B3-I2C | POWER VOLTAGE AND CURRENT SENSOR | 143 - Immediate | $4.47 | View Details |
![]() | ![]() | ACS37800KMACTR-015B5-SPI | POWER VOLTAGE AND CURRENT SENSOR | 1449 - Immediate | $4.47 | View Details |
![]() | ![]() | ACS37800KMACTR-090B3-I2C | POWER VOLTAGE AND CURRENT SENSOR | 9218 - Immediate | $4.47 | View Details |
![]() | ![]() | ACS37800KMACTR-030B3-SPI | POWER VOLTAGE AND CURRENT SENSOR | 6508 - Immediate | $4.47 | View Details |




