Orders are typically delivered to Bulgaria within 48 hours depending on location.
Free delivery to Bulgaria on orders of $100 USD or more. A delivery charge of $30 USD will be billed on all orders less than $100 USD.
UPS freight pre-paid: DDP (Duty and customs paid by DigiKey)
FedEx or DHL freight pre-paid: CPT (Duty, customs, and VAT due at time of delivery)
Credit account for qualified institutions and businesses
Payment in Advance by Wire Transfer
![]()
![]()
![]()
![]()
![]()


More Products From Fully Authorized Partners
Average Time to Ship 1-3 Days, extra ship charges may apply. Please see product page, cart, and checkout for actual ship speed.
Incoterms: CPT (Duty, customs, and applicable VAT/Tax due at time of delivery)
For more information visit Help & Support
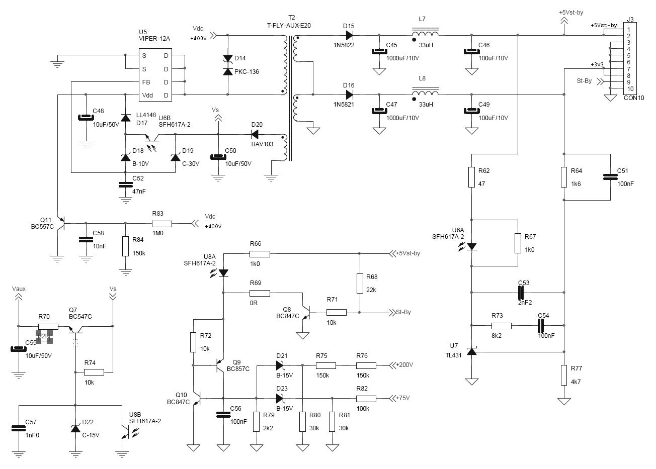
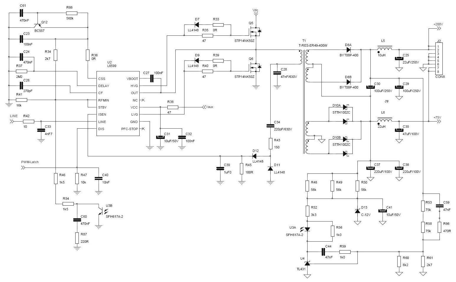
The main features of this design are the very low no-load input consumption (<0.5 W) and the very high global efficiency, better than 90% at full load and nominal mains voltage (115 - 230 VAC).
The circuit consists of three main blocks. The first is a front-end PFC pre-regulator based on the L6563 PFC controller. The second stage is a multi-resonant half-bridge converter with two output voltages of +200 V/300 W and 75 V/75 W, whose control is implemented through the L6599 resonant controller. A further auxiliary flyback converter based on the VIPer12A off-line primary switcher completes the architecture. This third block, delivering a total power of 7 W on two output voltages (+3.3 V and +5 V), is mainly intended for microprocessor supply and display power management operations
| Manufacturer | STMicroelectronics |
|---|---|
| Category | AC/DC and DC/DC Conversion |
| Sub-Category | AC/DC SMPS - Multi Output |
| Eval Board Part Number | 497-5857-ND |
| Eval Board Supplier | STMicroelectronics |
| Eval Board |
Board not Stocked
|
| AC Voltage |
115 V
230 V Universal (115 / 230V) |
| Outputs and Type |
4 Isolated
|
| Voltage Out: Highest Current First |
200V, 75V, 5V, 3.3V
|
| Current Out |
1.5A, 1A, 1A, 700mA
|
| Output Power |
400 W
|
| Efficiency @ Conditions |
>90%, 230V in, from 100 ~ 400 W
>87%, 115V in, @ 75~ 400 W |
| No-load Input Power @ Voltage |
220 mW @ 115 V
480 mW @ 230 V |
| Features |
Over Current Protection
Over Voltage Protection PFC Short Circuit Protection Thermal Protection |
| Switching Frequency |
120 kHz
|
| Internal Switch |
No
|
| Component Count + Extras |
192 + 3
|
| Voltage In |
90 ~ 264 VAC
|
| Application / Target Market |
Computers
LCD TV / Monitor Telecom |
| Design Author |
STMicroelectronics
|
| Main I.C. Base Part |
L6599
|
| Date Created By Author | |
| Date Added To Library | 2017-05 |
Co-Browse
By using the Co-Browse feature, you are agreeing to allow a support representative from DigiKey to view your browser remotely. When the Co-Browse window opens, give the session ID that is located in the toolbar to the representative.
DigiKey respects your right to privacy. For more information please see our Privacy Notice and Cookie Notice.
Yes, Continue to Co-BrowseGet fast and accurate answers from DigiKey's Technicians and Experienced Engineers on our TechForum.
Please visit the Help & Support area of our website to find information regarding ordering, shipping, delivery and more.
Registered users can track orders from their account dropdown, or click here. *Order Status may take 12 hours to update after initial order is placed.
Users can begin the returns process by starting with our Returns Page.
Quotes can be created by registered users in myLists.
Visit the Registration Page and enter the required information. You will receive an email confirmation when your registration is complete.
Orders are typically delivered to Bulgaria within 48 hours depending on location.
Free delivery to Bulgaria on orders of $100 USD or more. A delivery charge of $30 USD will be billed on all orders less than $100 USD.
UPS freight pre-paid: DDP (Duty and customs paid by DigiKey)
FedEx or DHL freight pre-paid: CPT (Duty, customs, and VAT due at time of delivery)
Credit account for qualified institutions and businesses
Payment in Advance by Wire Transfer
![]()
![]()
![]()
![]()
![]()


More Products From Fully Authorized Partners
Average Time to Ship 1-3 Days, extra ship charges may apply. Please see product page, cart, and checkout for actual ship speed.
Incoterms: CPT (Duty, customs, and applicable VAT/Tax due at time of delivery)
For more information visit Help & Support
Thank you!
Keep an eye on your inbox for news and updates from DigiKey!
Please enter an email address