Orders are typically delivered to Bulgaria within 48 hours depending on location.
Free delivery to Bulgaria on orders of $100 USD or more. A delivery charge of $30 USD will be billed on all orders less than $100 USD.
UPS freight pre-paid: DDP (Duty and customs paid by DigiKey)
FedEx or DHL freight pre-paid: CPT (Duty, customs, and VAT due at time of delivery)
Credit account for qualified institutions and businesses
Payment in Advance by Wire Transfer
More Products From Fully Authorized Partners
Average Time to Ship 1-3 Days, extra ship charges may apply. Please see product page, cart, and checkout for actual ship speed.
Incoterms: CPT (Duty, customs, and applicable VAT/Tax due at time of delivery)
For more information visit Help & Support
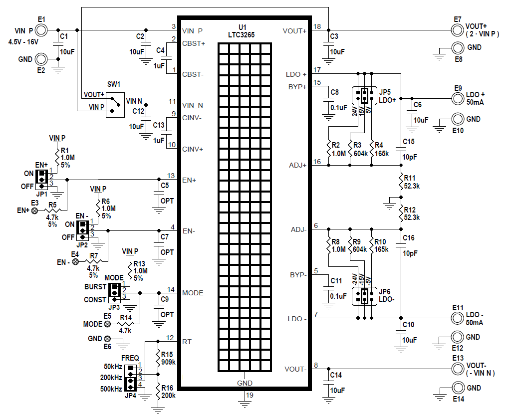
Demonstration Circuit 2235A has boost and inverting charge pumps each with a low noise LDO post regulator featuring the LTC®3265EDHC. The LTC3265 operates with an input voltage from 4.5V to 16V for the boost charge pump and from 4.5V to 32V for the inverting charge pump.
The demo board provides selectable LDO± output set magnitudes of 5V, 15V, and 24V for each polarity. The demo board also provides the means to select between low power Burst Mode® operation or low noise constant-frequency mode operation, plus select an operating frequency of 500kHz, 200kHz, or 50kHz.
The LTC3265 data sheet gives a complete description of the device, operation and application information. The data sheet must be read in conjunction with this demo manual.
Manufacturer | Analog Devices Inc. |
---|---|
Category | AC/DC and DC/DC Conversion |
Sub-Category | DC/DC SMPS - Multi Output |
Eval Board Part Number | DC2235A-ND |
Eval Board Supplier | Analog Devices Inc. |
Eval Board |
Normally In Stock
|
Topology |
Step Up
|
Outputs and Type |
4 Non-Isolated
|
Voltage Out: Highest Current First |
±5V, 15V, 24V
|
Current Out |
50mA per Channel
|
Voltage In |
4.5 ~ 16 V (Boost), 4.5 ~ 32 V (Inv.)
|
Efficiency @ Conditions |
- Not Given
|
Voltage Out Range |
0.94 to 2x Vinp (Boost), -0.94 to Vinn (Inv)
|
Features |
Current Limit (Adj. or Fixed)
LDO Regulator(s), On-Chip Short Circuit Protection Shutdown, Enable, Standby Thermal Protection |
Switching Frequency |
500 kHz
|
Standby Current [Typical] |
3 µA (Boost), 1 µA (Inv)
|
Quiescent Current [Typical] |
3 mA (Boost), 3 mA (Inv)
|
Component Count + Extras |
13 + 27
|
Internal Switch |
Yes
|
Design Author |
Linear Technology
|
Application / Target Market |
Power: Auxiliary Power Supply
Power: Industrial Power RF: Metering |
Standby Current [Maximum] |
6 µA (Boost) 3 µA (Inv)
|
Quiescent Current [Maximum] |
6 mA (Boost), 5 mA (Inv)
|
Main I.C. Base Part |
LTC3265
|
Date Created By Author | 2015-05 |
Date Added To Library | 2016-03 |
Co-Browse
By using the Co-Browse feature, you are agreeing to allow a support representative from DigiKey to view your browser remotely. When the Co-Browse window opens, give the session ID that is located in the toolbar to the representative.
DigiKey respects your right to privacy. For more information please see our Privacy Notice and Cookie Notice.
Yes, Continue to Co-BrowseGet fast and accurate answers from DigiKey's Technicians and Experienced Engineers on our TechForum.
Please visit the Help & Support area of our website to find information regarding ordering, shipping, delivery and more.
Registered users can track orders from their account dropdown, or click here. *Order Status may take 12 hours to update after initial order is placed.
Users can begin the returns process by starting with our Returns Page.
Quotes can be created by registered users in myLists.
Visit the Registration Page and enter the required information. You will receive an email confirmation when your registration is complete.
Orders are typically delivered to Bulgaria within 48 hours depending on location.
Free delivery to Bulgaria on orders of $100 USD or more. A delivery charge of $30 USD will be billed on all orders less than $100 USD.
UPS freight pre-paid: DDP (Duty and customs paid by DigiKey)
FedEx or DHL freight pre-paid: CPT (Duty, customs, and VAT due at time of delivery)
Credit account for qualified institutions and businesses
Payment in Advance by Wire Transfer
More Products From Fully Authorized Partners
Average Time to Ship 1-3 Days, extra ship charges may apply. Please see product page, cart, and checkout for actual ship speed.
Incoterms: CPT (Duty, customs, and applicable VAT/Tax due at time of delivery)
For more information visit Help & Support
Thank you!
Keep an eye on your inbox for news and updates from DigiKey!
Please enter an email address