Orders are typically delivered to Bulgaria within 48 hours depending on location.
Free delivery to Bulgaria on orders of 50 EUR or more. A delivery charge of 20 EUR will be billed on all orders less than 50 EUR.
UPS or FedEx freight pre-paid: DDP (Duty and customs paid by DigiKey)
DHL freight pre-paid: CPT (Duty, customs, and VAT due at time of delivery)
Credit account for qualified institutions and businesses
Payment in Advance by Wire Transfer
![]()
![]()
![]()
![]()


More Products From Fully Authorized Partners
Average Time to Ship 1-3 Days, extra ship charges may apply. Please see product page, cart, and checkout for actual ship speed.
Incoterms: CPT (Duty, customs, and applicable VAT/Tax due at time of delivery)
For more information visit Help & Support
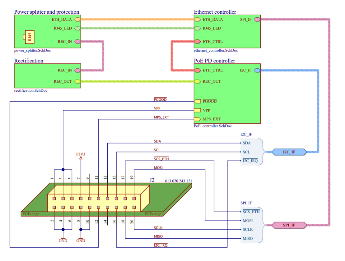
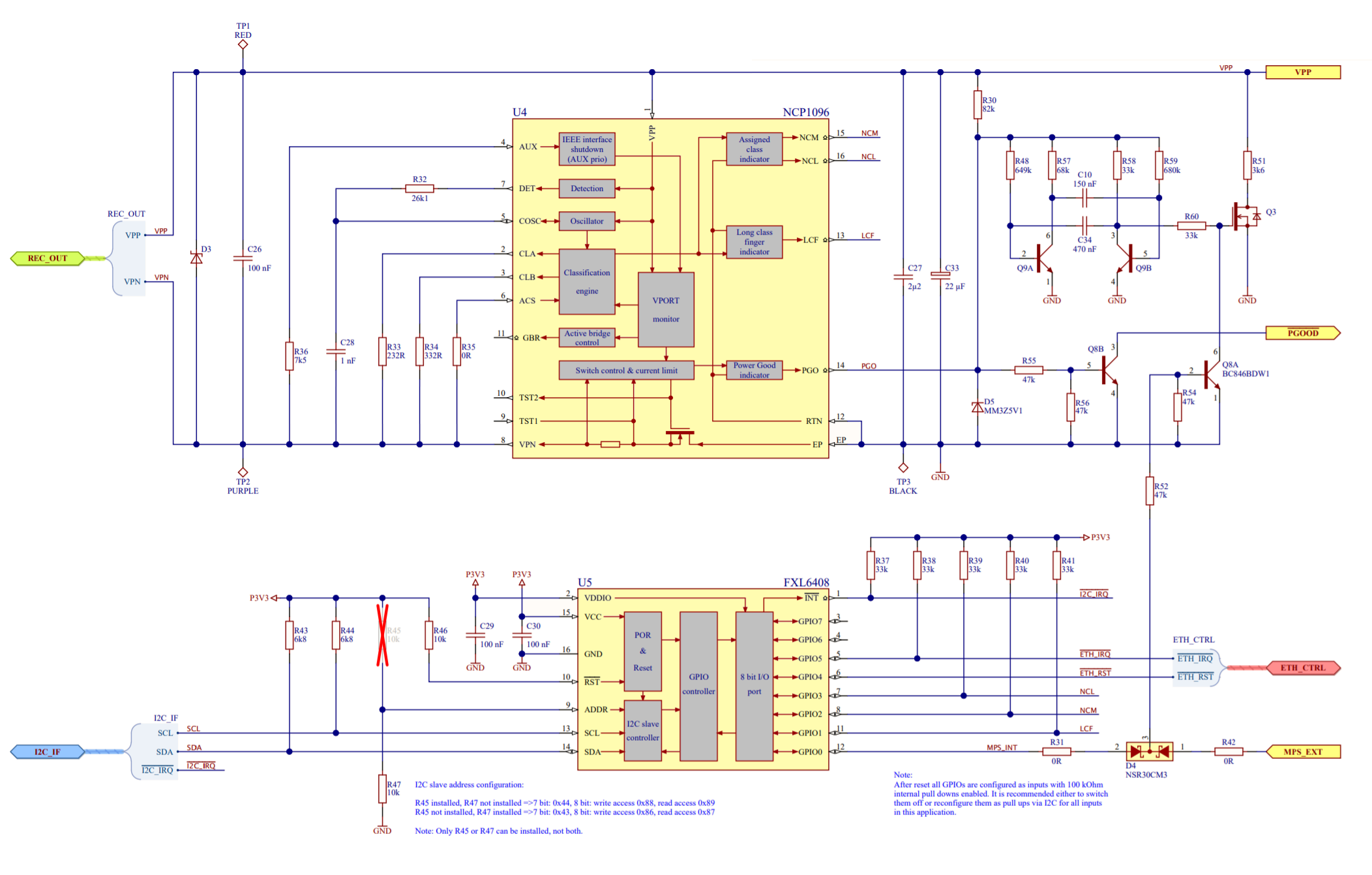
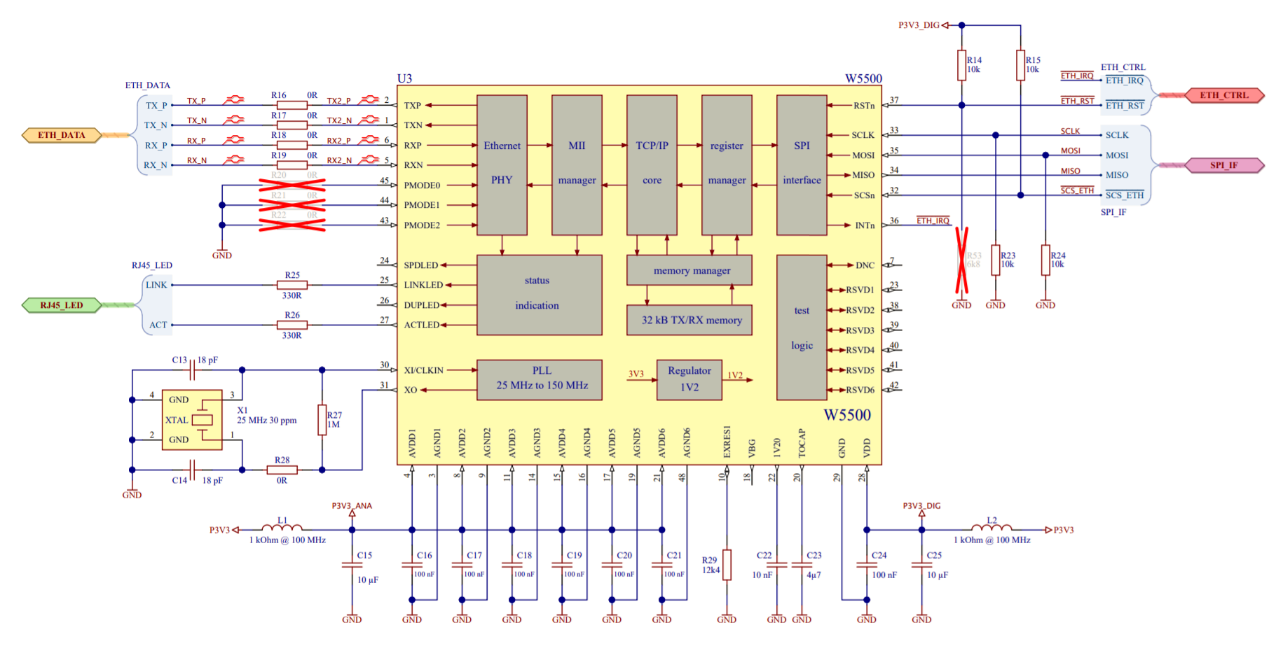
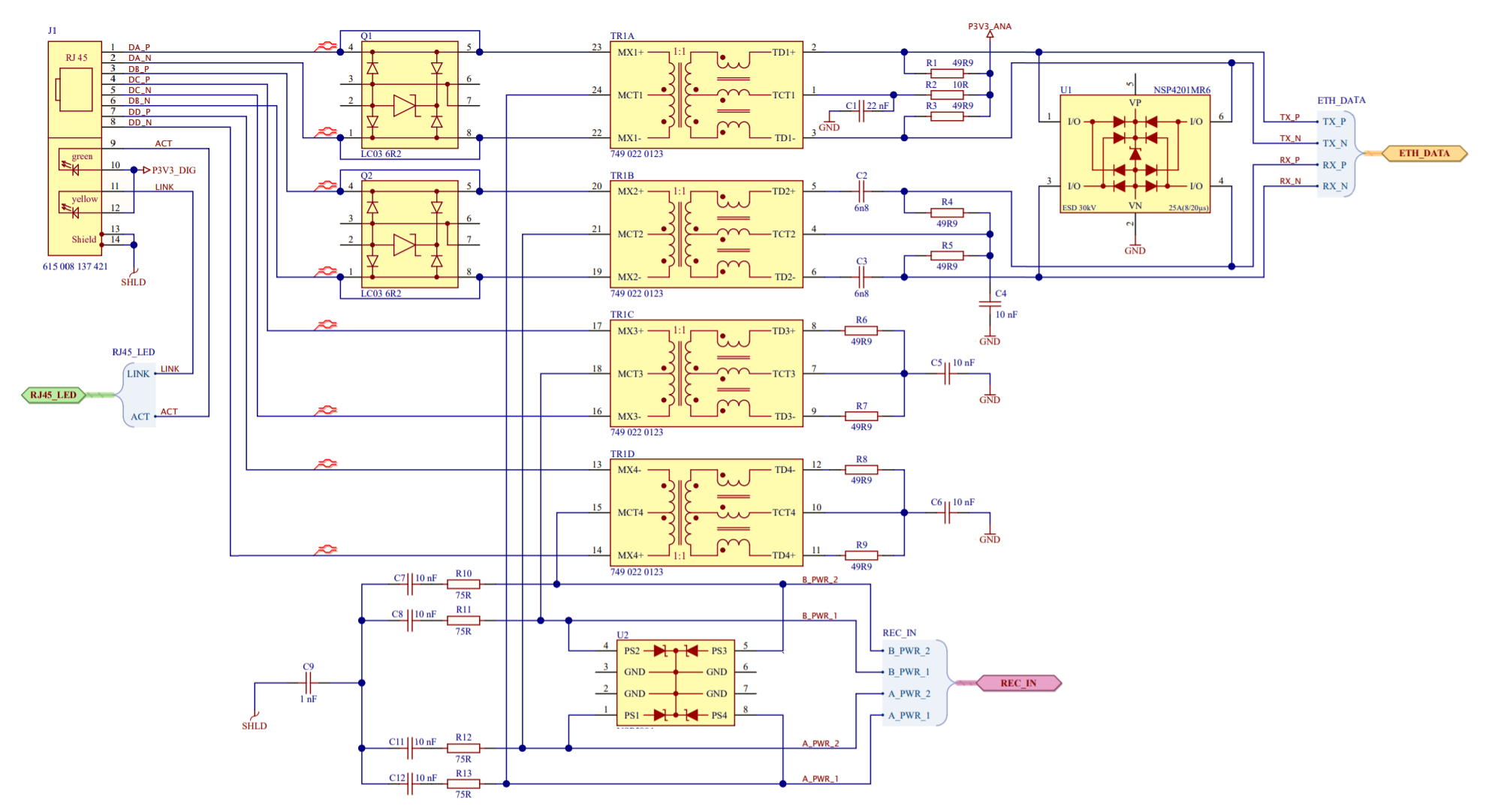
LIGHTING-POWER-POE-GEVB module holds two NCP1096 IEEE 802.3bt compliant controller with PHY layer, acting as a power front end module to deliver desired energy output for LED driver board and LEDs themselves.
The Power Over Ethernet (PoE) module adds reliable, high-power PoE connectivity to the Connected Lighting Platform Kit. Featuring the IEEE 802.3bt compliant NCP1096 Interface Controller, the module supports up to 90 Watts of power.
Note: LIGHTING-POWER-POE-GEVB module is designed to be used with LIGHTING-1-GEVK: Connected Lighting Platform for LED Control
Features:
Supports up to 90 Watts of power
IEEE 802.3bt compliant, compatible with 802.3af, 802.3at injector power supplies
Automatic MPS circuit to maintain power signature (Simulation model available as well)
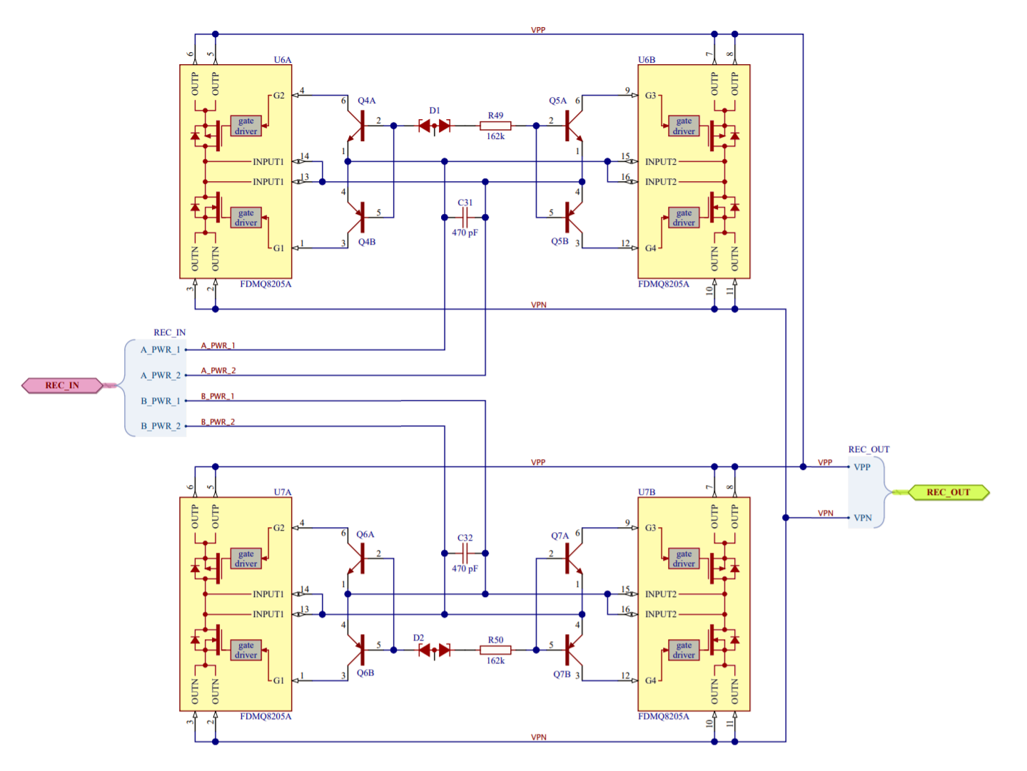
GreenBridge™ 2 rectifiers Output voltage ~56 V defined by PoE standard
Power Device Class 8 required (duty cycle limited for lower classes)
| Manufacturer | onsemi |
|---|---|
| Category | Lighting |
| Sub-Category | LED Drivers - DC In |
| Eval Board |
Normally In Stock
|
| Voltage In |
37 ~ 57 V
|
| Topology |
IEEE 802.3af/at
IEEE 802.3bt |
| Current Out |
1.6 A
|
| Voltage Out (Max) |
56 V
|
| Outputs and Type |
2 Non-Isolated
|
| Efficiency @ Conditions |
>98%, 56V in @ 20W ~ 90W
|
| Features |
DALI Interface
Over Current Protection Power Good Output Thermal Protection |
| Switching Frequency |
250 kHz
|
| Component Count + Extras |
115 + 4
|
| Design Author |
ONSemiconductor
|
| Application / Target Market |
Lighting: LED Commercial Lighting
Lighting: LED Home Lighting |
| Main I.C. Base Part |
NCP1096
|
| Date Created By Author | 2020-04 |
| Date Added To Library | 2022-01 |
Co-Browse
By using the Co-Browse feature, you are agreeing to allow a support representative from DigiKey to view your browser remotely. When the Co-Browse window opens, give the session ID that is located in the toolbar to the representative.
DigiKey respects your right to privacy. For more information please see our Privacy Notice and Cookie Notice.
Yes, Continue to Co-BrowseGet fast and accurate answers from DigiKey's Technicians and Experienced Engineers on our TechForum.
Please visit the Help & Support area of our website to find information regarding ordering, shipping, delivery and more.
Registered users can track orders from their account dropdown, or click here. *Order Status may take 12 hours to update after initial order is placed.
Users can begin the returns process by starting with our Returns Page.
Quotes can be created by registered users in myLists.
Visit the Registration Page and enter the required information. You will receive an email confirmation when your registration is complete.
Orders are typically delivered to Bulgaria within 48 hours depending on location.
Free delivery to Bulgaria on orders of 50 EUR or more. A delivery charge of 20 EUR will be billed on all orders less than 50 EUR.
UPS or FedEx freight pre-paid: DDP (Duty and customs paid by DigiKey)
DHL freight pre-paid: CPT (Duty, customs, and VAT due at time of delivery)
Credit account for qualified institutions and businesses
Payment in Advance by Wire Transfer
![]()
![]()
![]()
![]()


More Products From Fully Authorized Partners
Average Time to Ship 1-3 Days, extra ship charges may apply. Please see product page, cart, and checkout for actual ship speed.
Incoterms: CPT (Duty, customs, and applicable VAT/Tax due at time of delivery)
For more information visit Help & Support
Thank you!
Keep an eye on your inbox for news and updates from DigiKey!
Please enter an email address
Please accept the checkbox