TPS40304 3V to 20V Input Synchronous Buck Controller
Texas Instruments' TPS40304 reduces output capacitance requirements for tight regulation point of load converters
Texas Instruments' TPS40304 is a cost-optimized synchronous buck controller that operates from 3 V to 20 V (input). This controller implements voltage-mode control architecture with input-voltage feed-forward compensation that responds instantly to input voltage change. The switching frequency is fixed at 600 KHz. The frequency spread spectrum feature adds dither to the switching frequency, significantly reducing the peak EMI noise and making it much easier to comply with EMI standards. The TPS40304 offers design with a variety of user programmable functions, including soft-start, over-current protection (OCP) levels, and loop compensation. OCP level may be programmed by a single external resistor connected from LDRV pin to circuit ground.
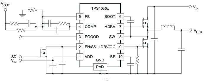
Simplified Application Diagram
- Input voltage range from 3 V to 20 V
- 600 KHz (TPS40304) switching frequencies
- High- and low-side FET RDS(on) current sensing
- Programmable thermally compensated OCP levels
- Programmable soft-start
- 600 mV, 1% reference voltage
- Voltage feed-forward compensation
- Supports pre-biased output
- Frequency spread spectrum
- Thermal shutdown protection at +145°C
- 10-pin 3 mm x 3 mm SON package with ground connection to thermal pad
- POL modules
- Printers
- Digital TVs
- Telecom
TPS40304 Input Synchronous Buck Controller
Image | Manufacturer Part Number | Description | Output Configuration | Topology | Available Quantity | Price | ||
---|---|---|---|---|---|---|---|---|
![]() | ![]() | TPS40304DRCT | IC REG CTRLR BUCK 10SON | Positive | Buck | 674 - Immediate | $2.50 | View Details |
Evaluation Module
Image | Manufacturer Part Number | Description | Outputs and Type | Power - Output | Available Quantity | Price | ||
---|---|---|---|---|---|---|---|---|
![]() | ![]() | TPS40304EVM-353 | EVAL BOARD FOR TPS40304 | 1 Non-Isolated Output | - | 1 - Immediate | $204.84 | View Details |